Indice |
Abstract
Questo articolo, insieme ad altri che seguiranno, raccoglie gli esercizi presenti nel mio vecchio Corso di Elettrotecnica di base, che lillo ed io stiamo "rivisitando" per i motivi specificati nell'abstract dell'articolo di apertura.
Bipoli fondamentali
Per le nozioni teoriche fare riferimento ai seguenti articoli
Resistore
Esercizio 1.1
I dati di targa di una vecchia lampada ad incandescenza erano
,
. Il filamento di tungsteno, era lungo
e misurando la sua resistenza a
si trovava un valore di
.
Determinare la sezione del filamento, la temperatura di funzionamento, il consumo in joule per un funzionamento di
, il costo relativo sapendo che quello di
era di 0,2 euro.
Resistenza alla temperatura di funzionamento:
Calcolo della temperatura di funzionamento, sapendo che il coefficiente di temperatura α del tungsteno vale
:
Consumo per 8 ore:

Costo:
€Sezione del filamento:

Condensatore
Esercizio 1.2
Ad un condensatore inizialmente scarico Qi = 0, costituito da due armature di
piane e parallele separate da un isolante di spessore
, la cui costante dielettrica relativa è 50, è applicata, per 2 secondi, una tensione che parte da
e cresce ad una velocità costante di
.
Calcolare il valore della corrente di carica dopo l'istante iniziale e l'energia immagazzinata dopo i 2 secondi .
La costante dielettrica relativa è il rapporto tra la costante assoluta dell'isolante e quella del vuoto:

La capacità del condensatore risulta:

Cerchiamo adesso di calcolare l'intensità di corrente di carica:

dove la variazione di tensione risulta essere lineare, e questo ci permette di sostituire la derivata con il rapporto
:

Calcoliamo adesso la tensione ai capi del condensatore dopo 2 secondi:


Possiamo ora quantificare l'energia elettrostatica:

Si noti che la carica finale sul condensatore è:

mentre la carica trasportata dalla corrente costante è:

la differenza di
è quella trasportata dall'impulso di corrente che si ha nell'istante iniziale, quando la tensione passa da 0 a
in un tempo nullo (gradino).
Induttore
Esercizio 1.3
In un solenoide in aria di N = 10000 spire, di lunghezza
, di sezione
l'intensità di corrente passa dal valore di
al valore di
in 10 millisecondi con un variazione costante.
Calcolare la tensione ai capi del solenoide ed il valore dell'energia magnetica.
Per rispondere alle due domande è necessario calcolare il coefficiente di autoinduzione L. Essendo la permeabilità dell'aria, uguale a quella del vuoto si ha:

La velocità di crescita della corrente è costante e vale:

La tensione UAB(t) ai capi del solenoide, considerando che sia A il terminale in cui entra la corrente, è costante per quell'intervallo di tempo, e vale:

Energia magnetica finale:

Capitolo 2: Reti
NOTA: Per le nozioni teoriche fare riferimento al seguente articolo
Nota Spesso, specie in elettronica per evitare eccessive linee, i circuiti vengono disegnati indicando il potenziali di nodi e terminali di rami che sembrano aperti. I punti suddetti sono il polo di un generatore ideale di tensione che ha l’altro polo collegato al riferimento, e f.e.m. pari al potenziale del punto. Quindi si hanno le seguenti corrispondenze
Esercizio 2.1
Nel circuito di figura:
Determinare la tensione tra B e G ed il valore di E. Dati:





Applicando la legge di Ohm generalizzata si ha che:



Infine il valore del generatore di tensione ideale E:

Esercizio 2.2
Con riferimento alla figura


Calcolare VA.
Indicando con C il nodo di connessione dei tre rami si ha per definizione
VA = UAC + VC
che è la risposta alla domanda, note che siano UAC e VC.
La tensione UAC per la legge di Ohm è data da UAC = R3I3
avendo posto I3 entrante dal nodo A.
Per la KCL nel nodo C, l’intensità I3 si ricava da
I3 + I1 − I2 = 0
avendo indicato con I1 la corrente in R1 entrante in C.
Applicando la legge di Ohm generalizzata, I1 si ricava dalla
UBC = VB − VC = E1 − R1I1
Per la legge di Ohm, per la definizione di d.d.p. e per la definizione di riferimento o zero ground, VC si ricava dalla
UCG = VC = R2I2
Sostituendo i valori numerici e ripercorrendo a ritroso le formule scritte si ottiene il risultato (
)
Generatore reale di tensione
Esercizio 2.3
Un generatore la cui potenza di cortocircuito è di
e la cui tensione a vuoto è di
, alimenta una resistenza di
.
Calcolare la corrente erogata ed il suo rendimento.
Resistenza interna del generatore:

Mediante la legge di Ohm per un circuito chiuso si ha che:

Conoscendo al corrente è immediatamente calcolabile la tensione sul carico:

Valutiamo adesso la potenza erogata, ovvero quella realmente assorbita dal carico:

Mentre ora quella generata, che comprende la perdite sulla resistenza interna:

Infine il rendimento elettrico:

Esercizio 2.4
Un generatore reale e lineare di tensione eroga una corrente di
quando il carico resistivo è
, ed
con un carico di
.
Calcolare la sua potenza di cortocircuito ed il rendimento nel primo caso.
Essendo l'espressione della potenza di cortocircuito la seguente:

è necessario determinare Ri ed E.
La tensione sul carico resistivo, è data da:

Si ha dunque, nel primo caso:

mentre nel secondo caso:

Sottraendo la prima equazione dalla seconda, si ottiene:

Quindi:



Infine, il rendimento dato da
può anche essere calcolato come
essendo comune la I per le due potenze, quindi:

Circuiti complessi
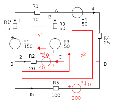
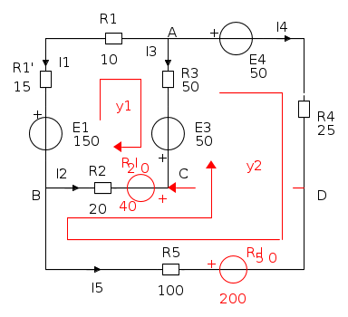
Esercizio 2.5
Risolvere la rete di figura
con i due principi di Kirchhoff
Applicando KCL ai nodi A,B,D rispettivamente si ha:
Ignorando il generatore di corrente ed applicando KVL alle due maglie indicate dal verso di percorrenza disegnato in rosso si ha
Sostituendo i valori numerici si ha il sistema
che risolto, a esempio con il metodo di sostituzione, fornisce i valori delle correnti
- Nota Ci siamo esercitati con il metodo di sostituzione per non arrugginirgi con i passaggi matematici, ma è chiaro che quel che conta come conoscenza elettrotecnica è la scrittura del sistema. La soluzione la si fa fare a chi è più veloce, fa meno fatica e meno errori di noi. Possiamo quini controllare i nostri risultai con Wolfhram Alpha, scrivendo le cinque equazioni nel box di ingresso in questo modo (è stato usato x invece di "i" in quanto la "i" è il simbolo riservato all'unità immaginaria)
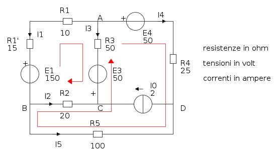
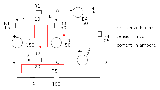
Con il metodo delle correnti di maglia
Possiamo "eliminare" il generatore di corrente assegnando alla stessa un qualsia precorso nella rete, ad esempio, attraversi i rami con R2 edR5. Negli stessi rami, nelle due maglie che rimangono, è come se comparissero due generatori di tensione di valore pari al prodotto della corrente per le rispettive resistenze.
Si determinano allora le due correnti di maglia con il sistema
Lo si risolve facilmente un sistema così anche con sostituzione, ma usiamo ancora Wolfram Alpha, y1-70y2=160;195y2-70y1=140 per trovare
quindi


Metodo dei potenziali di nodo
Assumendo nullo il potenziale di C, per i nodo A,B e D si hanno le equazioni
con
quindi sostituendo i valori
Risolto con Wolfram Alpha
0.11x-0.04y-0.04z=7;-0.04x+0.1y-0.01z=-6;-0.04x-0.01y+0.05z=-4
Esercizio 2.6: Millman
E' una rete binodale: per trovare la tensione basta applicare Millman




Elettrotecnica e non solo (admin)
Un gatto tra gli elettroni (IsidoroKZ)
Esperienza e simulazioni (g.schgor)
Moleskine di un idraulico (RenzoDF)
Il Blog di ElectroYou (webmaster)
Idee microcontrollate (TardoFreak)
PICcoli grandi PICMicro (Paolino)
Il blog elettrico di carloc (carloc)
DirtEYblooog (dirtydeeds)
Di tutto... un po' (jordan20)
AK47 (lillo)
Esperienze elettroniche (marco438)
Telecomunicazioni musicali (clavicordo)
Automazione ed Elettronica (gustavo)
Direttive per la sicurezza (ErnestoCappelletti)
EYnfo dall'Alaska (mir)
Apriamo il quadro! (attilio)
H7-25 (asdf)
Passione Elettrica (massimob)
Elettroni a spasso (guidob)
Bloguerra (guerra)







