Indice |
Abstract
Questa è la prima parte dell'articolo, scritto a più mani, nato in seguito mio invito a ricercare i motivi del perché un circuito che in teoria non dovrebbe funzionare, in pratica sembra non avere problemi.
PRIMA PARTE
Le prove di davidde sul circuito di mir
Questo è il circuito costruito come quello di mir (ho aggiunto soltanto l' amperometro), considerate inoltre che il condensatore misurato al capacimetro risulta avere una capacità di 198 nF.
Nello schema sono indicati i punti dove il segnale viene prelevato:
ecco il circuito, si può notare che la corrente è di 13 mA circa:
questa è la fotografia dell' oscillogramma (considera che la sonda è in x10 e il selettore dell' amplificazione verticale su 100mV/cm):
Aggiungo altre due prove che ho fatto: in questa è stato inserito un secondo diodo led orientato nel senso opposto al primo:
e questo il relativo oscillogramma:
in quest' altra prova invece ho eliminato entrambi i led ed inserito al loro posto un resistore da 100 ohm, purtroppo mi sono dimenticato di fare la foto al circuito, la corrente assorbita comunque rimaneva sui 13mA e questo è l' oscillogramma:
Se dovessero servire altri dati o altre prove fammelo sapere, a me sembra tutto regolare.
Il condensatore crea una reattanza che abbassa la tensione ad un valore di circa 5Vpp e limita la corrente a 13mA, quando la tensione è positiva il led viene polarizzato correttamente ed appena la differenza di potenziale supera la soglia di conduzione del componente il diodo si accende, quando la tensione diviene negativa il diodo impedisce alla corrente di scorrere nel verso contrario quindi il led "lampeggerà" alla frequenza di 50 Hz. La tensione inversa come risulta dagli oscillogrammi è inferiore ai 3V, controllando il datasheet di alcuni led ho notato che difficilmente il parametro "Reverse voltage" scende sotto ai 5V quindi a me sembrerebbe tutto regolare.
Zeno, io il funzionamento del circuito lo interpreterei così ma i tuoi dubbi mi lasciano perplesso poiché probabilmente sto trascurando qualcosa senza rendermene conto, ti prego di tenermi informato e se hai bisogno di qualcos' altro non esitare a chiedere.
Ciao
David
mir
Buon Lavoro Davidd, e Grazie, per le specifiche ottenute, per l'assorbimento anch'io inserendo un secondo diodo led in antiparalleo ho rilevato i tuoi stessi valori. ciao mir
La teoria illustrata dalla simulazione di G.Schgor
admin
Effettivamente tutto sembra funzionare correttamente e senza problemi.
Ed allora ci deve essere qualcosa di errato nella modellizzazione del led: il led cioè nella realtà deve avere un comportamento inaspettato rispetto ai comuni parametri usati per il modello: in particolare la bassa tensione inversa ammessa nei data sheet (5 V in genere)
Ecco ad esempio le simulazioni del circuito con microcap che Giovanni mi ha inviato nell'ipotesi che il led si comporti come un diodo ideale.
Come si vede c'è un impulso di corrente iniziale che carica il condensatore, poi la corrente si annulla.
Il condensatore infatti deve mantenere la tensione perché non può più scaricarsi perché trova il blocco del diodo.
La tensione inversa sul led poi raggiunge valori molto maggiori dei 5 V: oltre 600!
A quella tensione il led non dovrebbe resistere ovviamente ed allora, per proteggerlo, in genere si mette un diodo in antiparallelo.
E la simulazione con il diodo in antiparallelo dà i risultati che ci si aspetta. Eccola
Quindi il led non si comporta senz'altro come un diodo ideale, e questo lo si sapeva, ma il fatto che rimane acceso significa che c'è una conduzione inversa ma per la notevole tensione inversa dovrebbe bruciarsi cosa che invece non succede....
Aspetteremo ulteriori prove e sentiremo il parere di altri .....
Il commento alle prove di G.Schgor
Ho visto le prove. Piu' che l'oscillogramma della tensione sul LED, avrei preferito quella della corrente (se possibile ai capi della resistenza)
Cosi' sembrerebbe avvalorare la mia ipotesi che prevalga la capacita' del LED sul diodo (che quindi conduca una corrente alternata), ma a conti fatti per condurre quella corrente , occorrerebbero capacita' migliaia di volte quelle tipiche dei LED ( che sono dell'ordine delle decine di pF).
MicroCap assegna 20pF come valore tipico: se lo porto a 200000 ottengo lo stesso risultato di davidde! Mah..! Possiamo vedere la corrente?
Davidde
Certo! Metto di seguito l' oscillogramma rilevato ai capi della resistenza da 470ohm, considerate che il selettore dell' amplificazione verticale (soltanto per questa fotografia) è impostato a 0,5V\cm :
Ho poi provato a cambiare svariati diodi di colori, forme e dimensioni differenti, si sono accesi tutti senza problemi. In seguito ho misurato la capacità di alcuni di essi, non so se la prova possa fornirvi spunti utili comunque allego le foto:
Con il led rosso misuro un valore di 886 pF mentre per il led verde risulta 34 pF.
P.S.
scusate per la qualità delle fotografie, domani provo ad allungare il tempo di apertura dell' obbiettivo e se ottengo buoni risultati le sostituisco.
Le prove di ginfizz
........................................ ho avuto finalmente il tempo di fare l'esperimento con il led.
Ho voluto pero' fare un esperimento piu' soft, e piuttosto che maneggiare fili con la tensione di rete ho utilizzato un trasformatore con uscita 27 volt efficaci. Ho messo in serie un condensatore da 1 uF poliestere, che ha a 50 Hz una reattanza di 3100 ohm (25 V /3100 = 8 mA) e un diodo led giallo, sia perche' di led gialli ne ho molti :) sia perche' nella foto dell'articolo di mir, che nel frattempo ho trovato e letto, c'e' proprio un led giallo.
Risultato: breve lampo di luce del led, poi piu' nulla.
Con il tester in continua ho misurato ai capi del diodo led una tensione di 35 Volt, con polarita' negativa tra il condensatore ed il diodo led (e positivo a valle del led), come previsto teoricamente (25*1,41 = 35).
Mettendo in parallelo al diodo led la prima resistenza che mi e' capitata tra le mani, da 4700 ohm, il led si e' acceso. Si e' acceso pure mettendo un diodo 1N4007 in antiparallelo.
L'unico imprevisto e' stato che il diodo led non e' saltato :D : evidentemente quei 5 Volt di tensione inversa max che avevo letto non sono poi tanto validi.
A questo punto non saprei come interpretare l'esperimento positivo di mir: ripensandoci sopra avanzerei l'ulteriore ipotesi che abbia aggiunto un diodo zener a valle del condensatore, per proteggere il led, e si sia dimenticato della cosa, o abbia pensato che lo zener fosse ininfluente. Ed invece quello zener scaricava il condensatore.
E' una pura ipotesi.
PS: ulteriore ipotesi: ho provato a mettere una resistenza da 22K in parallelo al condensatore ed il led si e' acceso.
Dato che lui ha usato una tensione 10 volte piu' alta, usando un condensatore che abbia resistenza alla CC di 220 K, perche' difettoso, il led si potrebbe accendere. .......................................................
Davidde
Mi sa che ginfizz abbia centrato il problema. I condensatori utilizzati da me e da mir nelle prove hanno una tensione massima ammissibile di 400V. Facendo però i conti sulla tensione picco-picco risultante otteniamo che il valore di picco per la semionda positiva risulta (230V x 1.41) = 324V circa, se però consideriamo anche la parte d' onda negativa avremo che il valore di tensione picco-picco è data da 324 x 2 = 648V. Probabilmente scegliendo un condensatore che abbia una tensione di lavoro superiore a quella delle prove (mie e di mir) si sarebbero ottenuti risultati negativi ovvero il led non si sarebbe acceso.
Credo quindi che il funzionamento del circuito sia dovuto alle perdite che si verificano nel condensatore. Sarebbe interessante sapere da ginfizz quale tensione di lavoro avesse il suo condensatore per capire se effettivamente il motivo del funzionamento sia da attribuire ad un errata scelta della tensione di lavoro del componente. Questa ipotesi sarebbe in accordo anche con i risultati ottenuti da Schgor perché microcap utilizza i componenti come fossero ideali e quindi non considera eventuali perdite dovute ad una tensione di lavoro eccessiva.
Appena recupero un condensatore da 800 o più volt farò la prova e vi comunicherò i risultati.
Le considerazioni di Bruno Valente
La prima ipotesi che mi viene in mente è che il led presenti un comportamento tipo diodo zener o qualcosa di simile: solo così si spiega un non annullamento della corrente per effetto della carica del condensatore. Certamente un led non sopporta tensioni inverse così elevate e quindi, in queste condizioni, non può essere modellizzato come un normale diodo. Forse una tensione inversa così elevata danneggia il led che, a causa di questo, inizia a presentare una resistenza di perdita sufficientemente bassa da riuscire a scaricare il condensatore quanto basta: questo spiegherebbe perchè nelle prove che ha fatto ginfizz con una tensione di una trentina di volt si comporta invece come un normale diodo. Appena possibile farò delle prove e ti faro sapere.
...................
Eccomi di nuovo.
Ho fatto le prove ed ho la spiegazione:
i led manifestano un insospettato effetto zener per una tensione inversa di circa 80V.
Ho eseguito le prove su due esemplari molto diversi e presentano praticamente lo stesso comportamento: il primo è un led verde da 20mA di oltre venti anni fa, il secondo è un led bianco da 20mA ad alta efficienza di costruzione recente.
Faccio presente che, come era prevedibile, uno dei due led, quello bianco, dopo poco ha smesso di funzionare andando in corto circuito.
Gli oscillogrammi di David non corrispondono con i miei: credo che egli abbia commesso qualche errore nella disposizione circuitale ed in particolare nella connessione del circuito all'oscilloscopio. Si deve tener conto che l'oscilloscopio ha in genere la massa del probe connessa internamente a terra e quindi quando si collega a circuiti non isolati galvanicamente dalla rete è necessario prendere alcune precauzioni.
davidde
Ciao Bruno, i miei oscillogrammi sono stati rilevati isolando attraverso un trasformatore di comando (con ingresso 230V, rapporto spire 1:1 e con corrente massima 2A) il circuito dalla rete (avevo omesso questa indicazione, la credevo superflua) anche perchè altrimenti scatta immediatamente il differenziale. Comunque alla luce della tua spiegazione farò altre prove per verificare dove stia l' errore. Potresti per cortesia indicarmi la tensione di lavoro del condensatore che hai utilizzato oppure indicarmi se sia sufficiente un valore massimo di 400V ? Grazie.
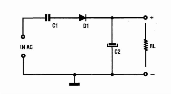
Volevo inoltre sottoporre alla vostra attenzione un semplice schema che ho trovato su un libro che tratta gli alimentatori:
Il testo consiglia di utilizzare questa configurazione quando sia richiesta una tensione continua. Ipotizzando di utilizzare come diodo un 1N4007 non dovrebbero sorgere problemi di tensione inversa eccessiva ma stando alle conclusioni da noi tratte il condensatore non dovrebbe scaricarsi e quindi l' alimentatore non dovrebbe funzionare. Cosa ne pensate ?
Bruno Valente
Ciao David, se hai usato un trasf. di isolamento nulla da dire: hai fatto le cose per bene. Rimane il fatto che nei miei oscillogrammi si evidenzia il tipico comportamento di uno zener da 80V: puntando l'oscilloscopio con la massa sul catodo a l'ingresso di segnale sull'anodo si osserva un segnale trapezoidale tutto negativo (che in effetti è una semionda negativa della tensione di rete tosata a livello degli 80V). Ho utilizzato due condensatori in serie da 250V ciascuno proprio per eliminare ogni dubbio sulla perdita di isolamento per tensione eccessiva anche se sono convinto che una perdita di una decina di mA sia improbabile per un condensatore a film plastico: questi condensatori in genere offrono un buon isolamento anche a tensioni superiori alle massime oppure si perforano manifestando un cortocircuito netto. Sullo schema dell’alimentatore che hai trovato sul libro nulla da aggiungere: non funziona e basta.
Ciao di nuovo
Bruno
davidde
Ciao a tutti, Bruno ti ringrazio molto per le delucidazioni. In seguito alla tua spiegazione ho fatto vari test per verificare il motivo dell' apparentemente discordanza tra i nostri risultati. Come prima operazione ho sostituito il condensatore da 400V con uno da 630V della stessa capacità e come avevi previsto il risultato non è cambiato; sono quindi da escludersi perdite di isolamento da parte del condensatore anche nel mio caso. Successivamente mi sono indirizzato verso il led; ho provato a sostituire in totale dieci led: tre rossi, tre gialli, tre verdi ed uno bianco tutti da 3mm di diametro ottenendo grosso modo gli stessi risultati, l' unico che ha avuto un comportamento differente è stato quello bianco che è andato in cortocircuito immediatamente.
Per gli altri nove led le cose sono andate diversamente. Per i primi secondi (il più longevo ha tenuto botta 30s) di funzionamento la parte di onda riguardante la tensione inversa applicata al diodo viene tosata come nel tuo caso a valori piuttosto alti (anche intorno ai 300V) dipendenti esclusivamente dal componente in esame, poi improvvisamente tale valore crolla e scende ad un valore molto prossimo a quello di conduzione (come puoi vedere nel primo oscillogramma che ho postato). Il led durante questo transitorio varia la sua luminosità ed il colore diviene da pallido a molto intenso (anche troppo) poi si stabilizza ad un valore corretto. Dopo questo "adattamento" il led rimane acceso e da quanto ho riscontrato non si brucia . Probabilmente però la vita del diodo si accorcia, bisognerebbe verificare la durata a lungo termine, io al massimo sono arrivato a mezz' ora.
I led testati sono poi stati misurati con il prova diodi ed ho notato che in molti campioni la tensione di polarizzazione diretta si è abbassata, se ad esempio per un led verde la caduta è circa di 2V dopo il test è risultata inferiore al volt.
Essendo tutti i led che ho utilizzato prodotti dalla stessa casa costruttrice non sono riuscito a capire se il comportamento riscontrato sia comune a tutti i componenti oppure possa dipendere da fattori costruttivi.
Dopo un pomeriggio passato all' oscilloscopio ho capito il motivo delle vostre perplessità e concordo senza più alcun dubbio nel dire che il diodo in quella posizione dovrebbe impedire il funzionamento del circuito, il verificarsi della condizione contraria non può ritenersi una garanzia di affidabilità.... come soluzione quella proposta da Schgor mi sembra la più adatta.
Riguardo allo schema tratto dal libro non so cosa dire.... ora prenderò con le pinze anche tutto il resto. Grazie!
Ciao
David

Elettrotecnica e non solo (admin)
Un gatto tra gli elettroni (IsidoroKZ)
Esperienza e simulazioni (g.schgor)
Moleskine di un idraulico (RenzoDF)
Il Blog di ElectroYou (webmaster)
Idee microcontrollate (TardoFreak)
PICcoli grandi PICMicro (Paolino)
Il blog elettrico di carloc (carloc)
DirtEYblooog (dirtydeeds)
Di tutto... un po' (jordan20)
AK47 (lillo)
Esperienze elettroniche (marco438)
Telecomunicazioni musicali (clavicordo)
Automazione ed Elettronica (gustavo)
Direttive per la sicurezza (ErnestoCappelletti)
EYnfo dall'Alaska (mir)
Apriamo il quadro! (attilio)
H7-25 (asdf)
Passione Elettrica (massimob)
Elettroni a spasso (guidob)
Bloguerra (guerra)
