Indice |
Sintesi del procedimento
- In base alla potenza si sceglie, con una formula empirica, il valore per il flusso magnetico Φ.
- Si fissa l'induzione massima di lavoro BM, in base ai lamierini scelti, quindi si ricava la sezione necessaria del Ferro Sfe.
- Si calcola il numero di volt per spira Es con cui si stabilisce il numero di spire del secondario e del primario.
- Si fissa la densità di corrente δ e si dimensionano gli avvolgimenti.
- Si calcolano le perdite nel rame e nel ferro ed i parametri del circuito equivalente.
- Si dimensiona il cassone.
Dati
- Trasformatore trifase in olio DYn a raffreddamento naturale
Dimensionamento preliminare
Per un trasformatore di questo tipo si adotta la costruzione a tre colonne complanari.
La formula empirica per scegliere il flusso magnetico, espresso in weber, è

dove S è la potenza apparente del trasformatore espressa in kVA, ed f la frequenza di funzionamento.
Il flusso è espresso in weber. Il coefficiente C assume valori compresi tra
ed
.
Un basso valore di C richiederà più spire. Il valore di C, in definitiva influenza il rapporto rame/ferro. Scegliamo
.
Avremo

Scegliendo ora per l'induzione massima un valore di
, otterremo, per il ferro, una sezione
.
Useremo lamierini al silicio a cristalli orientati (Terni ARMCO M6 T35)
che hanno un cifra di perdita
La sezione del Ferro sarà a gradini.
Realizzeremo avvolgimenti concentrici. La sezione circolare della colonna avrà un diametro D ricavabile dalla equazione

Ku < 1: coefficiente di utilizzazione perché la sezione del Ferro è a gradini;
Ks < 1: coefficiente di stipamento
Scegliendo Ku = 0,9 e Ks = 0,92 otterremo
.
Possiamo ora ricavare la tensione di ogni spira applicando la

Sostituendo in essa i valori otteniamo
Avvolgimento B.T.
Il numero di spire dell'avvolgimento si ricava con

La corrente nominale che le deve percorrere è

A tale corrente corrisponde una forza magnetomotrice pari a

E' il dato che serve per stabilire l'altezza dell'avvolgimento, quindi della colonna.
Una formula empirica che fornisce gli amperfili per centimetro, cioè il rapporto tra la forza magnetomotrice e l'altezza della colonna in centimetri

aiuta nello stabilire una altezza accettabile.
Il coefficiente K assume valori compresi tra 1500 e 3000, crescente con la potenza nominale.
Considerando un valore
ricaviamo

in base a cui stabiliamo l'altezza dell'avvolgimento

Fissiamo ora la densità di corrente in 
Il suo valore è responsabile di perdite per effetto Joule, quindi delle sovratemperature ed in genere è compreso tra 
Ricaviamo allora una sezione di rame 
Decidiamo di distribuire l'avvolgimento, ad elica, in due strati, ciascuno di 11 spire. Dividendo l'altezza della colonna per il numero di spire di uno strato, aumentato di uno, si ottiene l'altezza di una spira, comprensiva dell'isolamento.
Dunque

Consideriamo un'altezza della spira, al netto dell'isolamento, di
; la larghezza necessaria sarà
.
Per ridurre le perdite per correnti parassite, suddividiamo la sezione in più piattine. Ad esempio 8 piattine da
, per una sezione complessiva di
(La densità di corrente non diminuisce in modo apprezzabile, quindi considereremo ancora il valore scelto)
Con la configurazione del disegno l'altezza dell'avvolgimento è

Il diametro interno dell'avvolgimento sarà

è lo spessore, in mm dell'impregnamento per tenere saldo l'avvolgimento, ad esempio ottenuto con colla vinilica.
è la larghezza del canale per la circolazione dell'olio tra nucleo ed avvolgimento.
Il diametro esterno sarà


sst è lo spessore di uno strato, somma dello spessore del rame e dell'isolamento in carta (0,25 mm per ogni lato della piattina).
scoi è la larghezza del canale centrale per la circolazione dell'olio tra i due strati
Il diametro medio è
Perdite e sovratemperatura
Verifichiamo in base ai dati ottenuti le perdite nel rame dell'avvolgimento e la sua sovratemperatura rispetto all'olio
: resistività del rame alla temperatura di riferimento di
pCu: peso specifico del rame
PCu,BT: peso del rame dell'avvolgimento secondario
VCu,BT: volume dell'avvolgimento secondario
- Nota: Si può ovviamente porre
ed usare
per calcolare le perdite nel rame nota densità di corrente in
e peso in kg
La superficie disperdente totale dell'avvolgimento è costituita da 4 superfici cilindriche, avendo predisposto un canale di raffreddamento tra i due strati e vale
Considerando un coefficiente di trasmissione globale avvolgimento.olio pari a
(vedi l'articolo sovrariscaldamento [11]), si ha
Tenendo presente che è ammessa normativamente una sovratemperatura Rame-Olio di 15 K, la nostra è una macchina fredda. Si può pensare di rinunciare al canale intermedio di raffreddamento. Però in tal modo la superficie disperdente dimezza e la sovratemperatura raddoppia, diventando quasi 19 K. Per portarla a 15 K occorre diminuire le perdite nel rame aumentando la sezione, quindi diminuendo la densità di corrente.
La densità di corrente è inversamente proporzionale al peso
mentre le perdite sono direttamente proporzionali al peso ed al quadrato della densità, quindi complessivamente inversamente proporzionali al peso
Per avere una sovratemperatura massima di 15 K le perdite devono essere, senza il canale intermedio di raffreddamento, pari a
quindi diminuire del
, quindi il peso di rame aumenterà nella stessa percentuale.
Il volume è proporzionale alla sezione di rame, che aumenta dunque del 21% diventando
Lasciando inalterata l'altezza di 36 mm, avremo una larghezza di 370/36 mm che arrotonderemo a 11 mm.
Con una piattina
la sezione di rame è
e la configurazione dell'avvolgimento senza canale intermedio tra gli strati è:
In totale lo spessore del rame aumenta di 4 mm; è stato però eliminato il canale intermedio di raffreddamento di 6 mm. Lo spessore complessivo è allora ridotto di 2 mm. Il diametro esterno dell'avvolgimento risulta pertanto diminuito di 4 mm. Quindi
Il nuovo diametro medio è allora di
Ricapitolando, con le nuove dimensioni:
Avvolgimento A.T.
Manteniamo l'altezza identica a quella dell'avvolgimento B.T. :
L'olio serve, oltre che per il raffreddamento, per l'isolamento. La sua rigidità dielettrica di lavoro è
La tensione da considerare per l'isolamento AT/BT è il picco della tensione di prova prevista che, nel nostro caso è
, quindi:
Tra i due avvolgimenti occorre un canale d'olio di larghezza
Inseriamo anche un cartoccio di
di spessore, che ha una rigidità di circa
che quindi, già da solo, regge quasi la tensione di prova.
Dobbiamo pure prevedere anelli di supporto e di isolamento. Usiamo cartone che regge 1 kV di prova per ogni millimetro. Gli anelli avranno uno spessore di 28 mm che arrotondiamo a tre centimetri.
L'altezza della colonna su cui saranno infilati gli avvolgimenti dovrà essere almeno
.
Per una maggior sicurezza costruttiva considereremo
Il numero di spire sarà
cui devono essere aggiunte
spire di regolazione
La corrente che le percorre è ricavabile dalla
Fissando una densità
, occorre una sezione di
. Va bene un filo di diametro
. Il filo deve essere isolato. Useremo 5 carte di spessore 0,1 mm per cui il diametro d'ingombro del filo sarà di
.
Uno strato di avvolgimento sarà allora composto da
spire. Per completare l'avvolgimento occorrono
strati.
Osserviamo però che tra strato e strato
si presenta una tensione di
che sono troppi: al massimo ammettiamo 2500 V. Suddividiamo allora l'avvolgimento in due bobine che saranno collegate in serie.
Una bobina sarà composta di
spire che suddivideremo in 8 strati di 60 spire più uno da 45.
La tensione massima tra strato e strato diventa
. Separiamo poi ogni strato con due millimetri di carta.
Inoltre suddividiamo gli strati in due gruppi separati con cartone ondulato di spessore 5mm.
Possiamo ora calcolare lo spessore dell'avvolgimento:
L'altezza di ogni bobina è
Tra una bobina e l'altra sarà posto un anello di cartone di 40mm di spessore
Il diametro interno dell'avvolgimento, tenendo conto del cartoccio di 3 mm tra avvolgimento di alta e quello di bassa, e di due canali d'olio da 6 mm per la circolazione dell'olio, è
mentre il diametro esterno vale
Perdite e sovratemperatura
Il peso in rame dell'avvolgimento
=
In base all [1] del paragrafo perdite e sovratemperatura, calcoliamo le perdite totali nominali dell'avvolgimento AT
La superficie disperdente è, tenendo conto di un coefficiente di riduzione di 0,5 per le due superfici cilindriche affacciate dei due gruppi di 4 e 4+1 strati
Per cui la sovratemperatura rispetto all'olio è
accettabile.
Il circuito magnetico
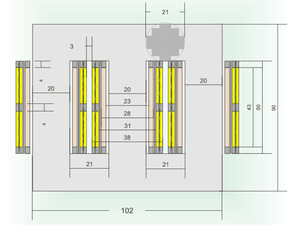
La sezione del nucleo è a gradini. La massima larghezza della sezione è di 200 mm; il diametro del cerchio circoscritto di 210 mm. La distanza tra gli assi delle colonne è di 410 mm, lasciando un canale di 30 mm tra gli avvolgimenti AT di due colonne adiacenti (190x2+30=410).
Perdite nel Ferro
Il peso del circuito magnetico, essendo
è dato da
Le perdite nel Ferro le stimiamo maggiorando del 50% le perdite teoriche ricavabili con la cifra di perdita
- Nota: la cifra di perdita è riferita ad all'induzione di 1 T e le perdite dipendono dal quadrato dell'induzione massima.
Corrente a vuoto
La corrente a vuoto si ricava con
Per la stima del valore efficace della corrente magnetizzante Iμ, si considera un percorso costituito da una colonna, un interasse e due traferri. Un "buon" traferro con giunti affacciati è, di solito,
.
Nei lamierini usati, all'induzione di
corrisponde un campo
.
La tensione magnetica necessaria per stabilire il flusso nel percorso interasse giogo-colonna è
Quella necessaria per il traferro è invece
Quindi
La componente attiva Ia si ricava dalle perdite nel ferro
Dunque
Rendimento
Valutiamo il rendimento a pieno carico con fattore di potenza unitario. Maggioriamo le perdite nel rame e nel ferro calcolate del 10%; otteniamo
Circuito equivalente di una fase
La reattanza longitudinale equivalente di una fase del primario si può stimare con la formula
dove d = Dint,AT − Dext,BT è la distanza che separa gli avvolgimenti AT e BT;
, è il diametro medio degli avvolgimenti;
è l'altezza degli avvolgimenti; f la frequenza di alimentazione; N1 il numero di spire nominali del primario. Quindi si ha
La resistenza longitudinale si ricava dalla perdite nel rame
La resistenza trasversale si ricava dalle perdite a vuoto, quindi dalla componente attiva della corrente a vuoto
La reattanza trasversale dalla corrente magnetizzante
Dimensionamento del cassone
Il cassone deve dissipare il calore sviluppato in modo che l'olio assuma temperature eccessive. La sovratemperatura massima dell'olio rispetto all'aria deve essere di 60 K. Noi considereremo una sovratemperatura media di di 50 K come limite.
Il cassone disperde il calore verso l'ambiente per convezione e per irradiazione.
Per entrambe si può assumere in prima approssimazione una legge che stabilisce la potenza termica dispersa proporzionale alla differenza di temperatura tra olio ed aria, come mostrato nell'articolo Sovrariscaldamento(formula [11]; [8] per la convezione naturale.
Se immaginiamo un cassone liscio di
, considerando come disperdente la superficie laterale
considerando
, per l'irradiazione,
, per la convezione
salto di temperatura tra olio-cassone ed aria
abbiamo una
La potenza da dissipare è però di circa
Occorre dunque aumentare la superficie disperdente. Lo possiamo fare usando due file di tubi. La sezione dei tubi disponibili è la seguente
Il cui perimetro è
La prima fila esterna è lunga
quella interna
La superficie laterale dei tue tubi
Con i tubi aumenta anche la superficie irradiante che è uguale al perimetro del poligono tangente al bordo dei tubi esterni per l'altezza del cassone, quindi
quindi aumenta la potenza irradiata
Rimane da dissipare per convezione
Occorre dunque che sviluppino una superficie
Sono necessari almeno
Il passo tra le coppie delle due file di tubi è
Bibliografia
- Costruzioni Elettromeccaniche - Giovanni Someda Ed. Patron
- Appunti di lezione del prof. Luciano Merigliano, 1972
- http://www-3.unipv.it/dmae/materiale_didattico/Costruzioni_1_Materiali_magnetici.pdf
- Elettrotecnica Applicata -Bressi-Corticelli-Cremonini-Zerbetto Ed. Zanichelli
- Quaderno Tecnico Schneider su Prove di Collaudo dei Trasformatori

Elettrotecnica e non solo (admin)
Un gatto tra gli elettroni (IsidoroKZ)
Esperienza e simulazioni (g.schgor)
Moleskine di un idraulico (RenzoDF)
Il Blog di ElectroYou (webmaster)
Idee microcontrollate (TardoFreak)
PICcoli grandi PICMicro (Paolino)
Il blog elettrico di carloc (carloc)
DirtEYblooog (dirtydeeds)
Di tutto... un po' (jordan20)
AK47 (lillo)
Esperienze elettroniche (marco438)
Telecomunicazioni musicali (clavicordo)
Automazione ed Elettronica (gustavo)
Direttive per la sicurezza (ErnestoCappelletti)
EYnfo dall'Alaska (mir)
Apriamo il quadro! (attilio)
H7-25 (asdf)
Passione Elettrica (massimob)
Elettroni a spasso (guidob)
Bloguerra (guerra)

