Indice |
Generalità
Per risolvere qualsiasi rete lineare è sufficiente risolvere il sistema di equazioni ricavate con i principi di Kirchhoff. Reti anche molto semplici, danno luogo facilmente ad un numero di equazioni eccessivo per essere affrontato manualmente e la cui soluzione è poco utile per la comprensione del funzionamento della rete. E' naturalmente il metodo affidato ai computer nei vari simulatori, ma il computer non sente il bisogno di capire il circuito, e non si scoraggia di fronte ad una marea di equazioni, non si stanca nel risolverne il sistema e non commette nemmeno errori di distrazione e la sua velocità di calcolo non è nemmeno lontanamente paragonabile alla nostra.
Noi, che siamo molto più lenti dei computer, ma, per il momento, ancora molto più fantasiosi e creativi, abbiamo bisogno di non perderci in calcoli lunghi, noiosi, anonimi che nella maggior parte dei casi finiamo per sbagliare, ma di calcoli semplici su reti semplici che ci permettano di comprendere la funzione delle varie parti e dei componenti.
Per questo si ricorre a diversi metodi di analisi delle reti: potenziali di nodo, correnti di maglia, sovrapposizione degli effetti, generatore equivalente. Ne esistono altri che tendono però ad essere dimenticati, ma che possono rivelarsi moto utili oltre che eleganti.
Tra questi vi è lo spostamento dei generatori di tensione e di corrente che proverò ad illustrare in questo articolo, che fa seguito, come spesso capita, ad un post nel forum dove uno studente chiedeva come risolvere un esercizio. Io ho elencato i soliti metodi, ma PietroBaima ha proposto l'applicazione dello spostamento. Ed ha fatto bene.
Non era la prima volta che se ne discuteva nel forum. Già carloc ne aveva mostrato un
esempio da par suo.
L'idea che è alla base di tutti i metodi di analisi è sempre quella di riuscire a scomporre una rete complessa in reti più semplici ed anche lo spostamento dei generatori persegue questo scopo.
Spostamento di un generatore di tensione ideale
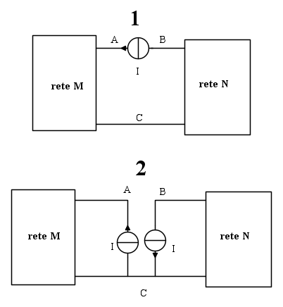
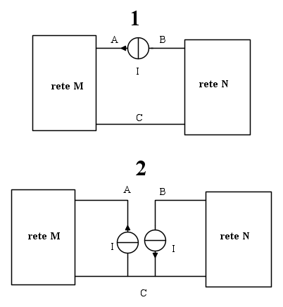
La figura mostra il principio di spostamento di un generatore ideale di tensione. La rete complessa è l'insieme della rete M, della rete N e del generatore ideale di tensione. Il generatore viene eliminato dal ramo in cui si trova, sostituito con un cortocircuito; negli altri due rami che confluiscono nel nodo A, sono inseriti due generatori di ugual tensione e con polarità, rispetto al nodo, opposta a quella del generatore eliminato.
Lo spostamento non altera la tensione ai terminali delle due reti e l'analisi della rete complessiva è riportata all'analisi di due reti più semplici connesse in un solo punto.
Lo spostamento vale per qualsiasi insieme di taglio, cioè qualunque sia il numero dei rami intersecati dalla superficie chiusa che taglia il ramo del generatore.
Le equazioni di nodo non sono alterate e nell'equazione di maglia che contiene il ramo del generatore eliminato ed un altro ramo dell'insieme di taglio considerato, compare sempre un generatore uguale e con lo stesso segno; nelle maglie che comprendono due qualsiasi rami dell'insieme di taglio compaiono due generatori uguali ma con segno opposto, che quindi si elidono e non alterano l'equazione.
Spostamento di un generatore di corrente
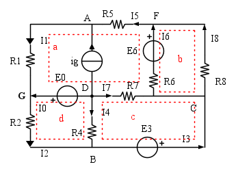
La figura seguente illustra lo spostamento di un generatore ideale di corrente. Il generatore che collega i punti A e B viene eliminato lasciando scollegati i punti stessi. Si realizza poi un nuovo percorso tra A e B con due generatori di corrente di valore uguale al precedente che hanno un terminale comune collegato al punto C ed il cui verso rispetta, in A e B quello del generatore eliminato.
Quanto mostrato per tre punti, vale per un qualsiasi numero di punti e nodi della rete. Il generatore che collega due punti viene eliminato e viene realizzato un nuovo percorso con generatori di corrente uguali a quello eliminato, i cui terminali sono connessi ai punti cui era collegato il generatore eliminato ed ai nodi scelti per il percorso. I generatoti terminali devono rispettare il verso della corrente del generatore eliminato rispetto ai punti in cui era connesso. Nei nodi intermedi un generatore di corrente del percorso entra, il successivo esce, quindi non è alterato il primo principio di Kirchhoff.
Osservazione
Quanto mostrato nella figura precedente, può anche essere detto duplicazione dei generatori
Esercizio 1
Questo è l'esercizio all'origine dell'articolo, diciamo così
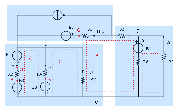
Nel circuito di figura si chiede la tensione tra A e B

Scrivendo le due leggi di Kirchhoff per il circuito abbiamo le 5 equazioni ai nodi (nell'ordine: A,F,C,D,B) e 4 equazioni alle maglie (nell'ordine:a,b,c,d) per calcolare le 9 correnti incognite:I0,I1,I2,I3,I4,I5,I6,I7,I8
Note
Sono stati considerati i 6 nodi (A,B,C,D,F,G) e le quattro maglie indicate da rettangoli tratteggiati in rosso.
Le maglie si sono scelte in modo che il generatore di corrente non faccia parte di alcuna di esse. In caso contrario occorre considerare come nuova incognita la tensione ai capi del generatore di corrente.
Possiamo "eliminare" dal calcolo la corrente I3 sommando le equazioni relative ai nodi C e B e considerare l'equazione risultante come l'equazione di un supernodo, che indicheremo ancora con C, ma che comprende i nodi C e B dello schema. Parimenti è possibile rinunciare al calcolo di I0, considerando D e G un unico "supernodo" che indicheremo con D. Naturalmente tali correnti, se interessano, possono essere poi immediatamente determinate, note le altre.
E' sufficiente allora scrivere le equazioni per i nodi A,F,C
Tanto per controllare i risultati che successivamente otterremo risolviamo il sistema, le incognite sono le sette correnti (I1,I2,I4,I5,I6,I7,I8). Sostituendo i valori e mettendo in evidenza solo i coefficienti delle incognite ed i termini noti abbiamo

Usando Scilab (come mostrato nel paragrafo "Soluzione dei sistemi lineari" di questo articolo) indicando con B la matrice dei coefficienti e con M quella dei termini noti con i segni mostrati in precedenza
--> B=[-1 0 0 1 0 0 0;0 0 0 -1 1 0 1;0 1 1 0 -1 1 -1;2 0 0 2 10 12 0;0 0 0 0 -10 0 10;0 0 12 0 0 -12 0;0 12 -12 0 0 0 0]
M=[2;0;0;-7;10;-12;-3]
risolviamo con
X=linsolve(B,M)
ottenendo il vettore con le sette correnti nell'ordine mostrato sopra
X = 2.5384615 0.6794872 0.4294872 0.5384615 0.7692308 -0.5705128 -0.2307692
La tensione richiesta è pertanto
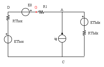
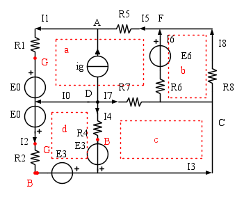
Spostamento di generatori di tensione
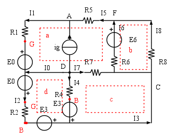
Se ora spostiamo i generatori E0 ed E3 nei due rami che confluiscono nei nodi rispettivamente G e B
otteniamo il circuito
I rami in cui erano presenti i generatori di tensione sono stati cortocircuitati. Il ramo in cui era E0 ha il potenziale D, mentre quello in cui era E3 ha il potenziale di C.
In pratica sono stati eliminati due nodi e le equazioni ai nodi diventano 3: A,F,C
Le equazioni ai nodi A,F,C ( C inteso come il supernodo ) non sono interessate dallo spostamento.
Le equazioni alle maglie a,b,c sono pure immutate.
L'unica maglia che subisce una modifica è la d in quanto compaiono due generatore E3. La modifica è però solo apparente in quanto nella scrittura dell'equazione le tensioni dei generatori si elidono.

Il nodo B si sdoppia in due punti, estremi delle resistenze R2 ed R4 e pure il punto G, negli estremi delle resistenze R1 ed R2
In pratica il sistema di equazioni è identico al precedente per cui i due circuiti sono, da questo punto di vista, equivalenti
Possiamo ora ridisegnare la rete in questo modo
Di ogni parte compresa nei rettangoli colorati in azzurro, possiamo ricavare il generatore equivalente ed ottenere il circuito
dove

quindi calcolare la tensione tra
A e C

Si ha infine
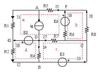
Spostamento del generatore di corrente
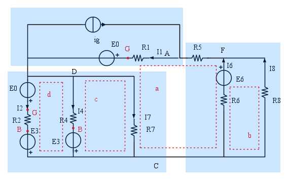
Si può anche sostituire il generatore di corrente ig con due generatori di corrente, sempre di valore ig, il primo che inietta la corrente in A, l'altro che la preleva da D, come l'esistente mentre il secondo terminale di entrambi i generatori è collegato al nodo C.
Otteniamo il seguente circuito
Le equazioni di maglia sono identiche a quelle del sistema [2]. Identiche anche le equazioni ai nodi A ed F. Anche quella del nodo C non cambia in quanto la corrente ig entra ed esce

possiamo ridisegnare il circuito in un modo più ordinato
quindi sostituire alle sezioni circuitali interne ai rettangoli colorati in azzurro, i rispettivi generatori equivalenti ottenendo
con



Ora possiamo determinare con Millman la tensione tra A e C

quindi quella richiesta tra A e B

Esercizio 2
Nell'esercizio precedente, lo spostamento del generatore di corrente non ha, in realtà, comportato una scomposizione che semplifica molto la rete.
Nel seguente invece (che è quello con la soluzione proposta da carloc, come detto) invece la rete viene proprio suddivisa in due reti molto più semplici.
Si vuole determinare la potenza generata dai generatori indipendenti.
Naturalmente basta calcolare la corrente erogata dal generatore di tensione e la tensione ai capi del generatore di corrente.
Spostamento (o duplicazione) del generatore di tensione
Spostamento (o duplicazione) del generatore di corrente
Ora è possibile calcolare immediatamente vx con Millman applicato alla rete di sinistra





Conclusione
Come conclusione voglio riportare sostanzialmente quanto suggeriva carloc nel post in cui proponeva la soluzione dell'esercizio.
Quando "un umano" analizza una rete non deve partire a testa bassa con metodi "meccanici" che danno sistemi "grandi". Questo è quello che fa un simulatore, noi umani possiamo fare meglio!'"
Riferimenti
- Elementi di analisi delle reti
- topic del forum con il suggerimento di PietroBaima
- l'esercizio svolto da carloc nel forum
- Matrici in Scilab

Elettrotecnica e non solo (admin)
Un gatto tra gli elettroni (IsidoroKZ)
Esperienza e simulazioni (g.schgor)
Moleskine di un idraulico (RenzoDF)
Il Blog di ElectroYou (webmaster)
Idee microcontrollate (TardoFreak)
PICcoli grandi PICMicro (Paolino)
Il blog elettrico di carloc (carloc)
DirtEYblooog (dirtydeeds)
Di tutto... un po' (jordan20)
AK47 (lillo)
Esperienze elettroniche (marco438)
Telecomunicazioni musicali (clavicordo)
Automazione ed Elettronica (gustavo)
Direttive per la sicurezza (ErnestoCappelletti)
EYnfo dall'Alaska (mir)
Apriamo il quadro! (attilio)
H7-25 (asdf)
Passione Elettrica (massimob)
Elettroni a spasso (guidob)
Bloguerra (guerra)
















