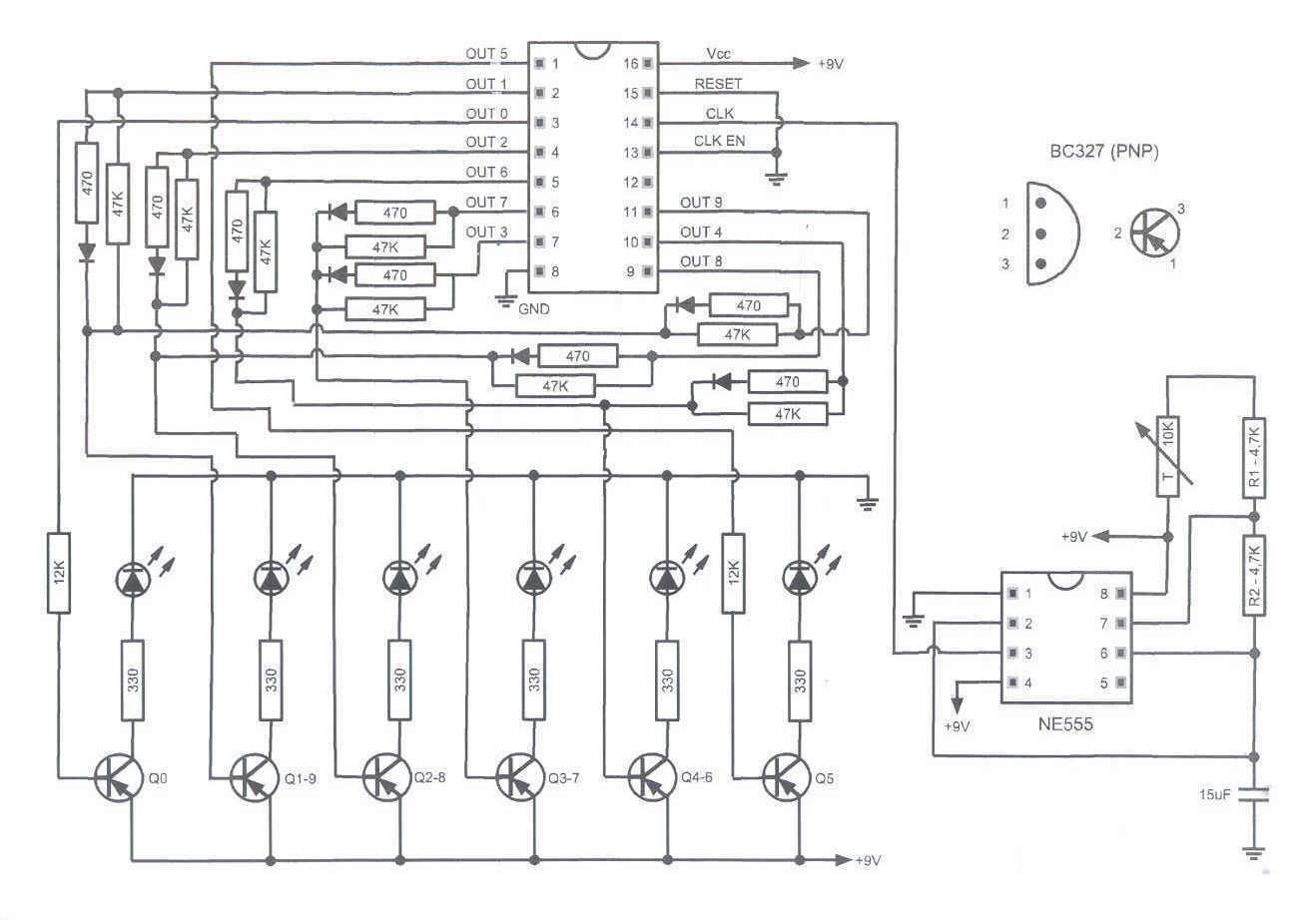
Basato su CD4017 questo semplice circuito è simile al famoso "effetto supercar", con la differenza che le uscite dell' integrato vengono utilizzate al contrario. Il risultato è una serie di led accesi con un led spento che scorre avanti e indietro.
Due parole sull' integrato
Alimentato con una tensione da 4,5 a 18 Volt, il CD4017 è un contatore in grado di pilotare una sequenza di 10 uscite attivandole una per volta.
I pin da 1 a 7 e da 9 a 11 sono i terminali di uscita (da notare che la numerazione non corrisponde alla sequenza). Quando una uscita è a livello basso fornisce alimentazione negativa, mentre a livello alto fornisce alimentazione positiva.
Il pin 14 è il terminale di clock. Ogni volta che l'alimentazione al suo ingresso si inverte da negativa a positiva lo stato delle uscite cambia. Spesso viene pilotato tramite l' uscita di un altro integrato, ad esempio il 555.
Non appena alimentato il CD4017 porta a livello alto la prima uscita. Se i pin 15 e 13 sono alimentati negativamente , ad ogni impulso di clock il livello alto passa all' uscita successiva; attivata l'ultima uscita il ciclo si ripete.
Se l' alimentazione all' ingresso del pin 15 si inverte da negativa a positiva l'integrato si resetta attivando la prima uscita. L' impulso di clock viene ignorato fino a quando l' alimentazione al pin 15 non torna negativa.
Invertendo l'alimentazione all'ingresso del pin 13 l'integrato ignora l'impulso di clock senza però resettare le uscite.
Il circuito
Dato che la sequenza è formata da soli 6 led è sufficiente un integrato per pilotarli in maniera bidirezionale. Le uscite 0, 1, 2, 3, 4, 5 spengono i led da 1 a 6, mentre le rimanenti uscite spengono i led da 5 a 2. Ciascuno dei due led estremi viene quindi pilotato da una sola uscita (0 e 5); di conseguenza, per utilizzarla al contrario, basta semplicemente collegarla ad un transistor PNP.
Per i led intermedi il discorso è un po' diverso, in quanto ciascun led è controllato tramite due uscite e deve spegnersi quando una sola uscita va a livello alto; per questo ho dovuto usare qualche componente in più. Quando le uscite sono entrambe a livello basso la base del transistor è praticamente polarizzata con una resistenza di 23,5K, in quanto i diodi impediscono il passaggio di corrente attraverso le resistenze da 470. Con una sola uscita a livello alto la base del transistor viene bypassata dalla resistenza di basso valore e di conseguenza va in interdizione.
Nello schemino gli interruttori a scambio rappresentano lo stato delle due uscite, anche se in realtà non è esattamente così (parliamo di un componente discreto).
Se non usati, i pin 15 e 13 vanno collegati direttamente al negativo dell' alimentazione.
Per il segnale di clock ho utilizzato la classica configurazione astabile dell' integrato NE555. Anche se nel video non si vede, la velocità di scorrimento può essere regolata mediante un trimmer.

Elettrotecnica e non solo (admin)
Un gatto tra gli elettroni (IsidoroKZ)
Esperienza e simulazioni (g.schgor)
Moleskine di un idraulico (RenzoDF)
Il Blog di ElectroYou (webmaster)
Idee microcontrollate (TardoFreak)
PICcoli grandi PICMicro (Paolino)
Il blog elettrico di carloc (carloc)
DirtEYblooog (dirtydeeds)
Di tutto... un po' (jordan20)
AK47 (lillo)
Esperienze elettroniche (marco438)
Telecomunicazioni musicali (clavicordo)
Automazione ed Elettronica (gustavo)
Direttive per la sicurezza (ErnestoCappelletti)
EYnfo dall'Alaska (mir)
Apriamo il quadro! (attilio)
H7-25 (asdf)
Passione Elettrica (massimob)
Elettroni a spasso (guidob)
Bloguerra (guerra)