Indice |
Prologo
Ogni tanto ci capita di rimettere mano a qualche progetto del passato, nel tentativo di migliorarlo, magari perché qualche componente è andato fuori produzione o semplicemente perché si è trovata una diversa soluzione a un problema. Stavolta è capitato con il progetto di “Filodiffusione Multiroom”, progetto che ha suscitato interesse da parte di chi ha voluto costruirselo, e da chi invece l’ha trovato valido dal punto di vista “didattico”. Preso atto di ciò, ho pensato di apportare qualche modifica relativa ai componenti utilizzati, aggiornando quindi il progetto con componenti più moderni; in passato ho limitato molto l’utilizzo di componenti in tecnologia SMT, ma restare ancorati alla vecchia tecnologia precludeva molte soluzioni circuitali.
Basti pensare che molti circuiti integrati, adesso, vengono prodotti soltanto per il montaggio superficiale. Per questo ho pensato di aggiornare il progetto, riprogettando uno stadio finale basato sull’integrato SSM2211, un integrato davvero “piccolo” (nel senso “fisico” del termine), ma gestibile direttamente da microcontroller e che funziona con pochissimi componenti esterni. Tutto il progetto, in questo caso viene diventa anche sensibilmente più economico. E non è poco!
Uno sguardo allo schema
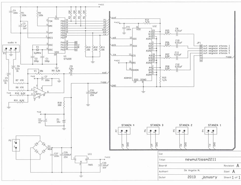
L’adozione del nuovo finale ha richiesto piccole modifiche alla scheda principale, quella che ospita il microcontroller (ST62) e il quadruplo potenziometro digitale (AD8403- arz100). Di seguito lo schema elettrico di questa scheda:
Lo schema è davvero semplice. In alto a sinistra, il classico ST62 che sovrintende tutte le operazioni, quindi : accende / spegne la sorgente audio; regola i volumi audio delle 4 stanze.- Più in basso, un operazionale che disaccoppia la sorgente audio (che deve essere preamplificata), e ci pemette –tramite il trimmer V1 sulla sua rete di reazione-, di dosare l’ampiezza del segnale audio che arriverà all’integrato AD8403.- Questo integrato contiene al suo interno i 4 potenziometri digitali che “regolano” il volume delle 4 stanze….in pratica agiscono sul segnale che arriverà ai 4 finali. Ancora più in basso, lo stadio di alimentazione, molto semplice: dopo il raddrizzatore D1 la tensione viene livellata (+vpp), e stabilizzata in 3 diverse tensioni: l’integrato stabilizzatore U11 fornirà i 5 volt per alimentare il micro controller e il quadruplo potenziometro digitale; la rete formata da R18 – Z1 – C42 fornirà i 10 volt per l’alimentazione dell’operazionale. Inoltre, la tensione +vpp è presente anche sul connettore a destra (JP1), in quanto verrà stabilizzata da un altro integrato(esterno alla scheda) per fornire la tensione di alimentazione ai finali SSM2211. Sotto al connettore JP1, altri 4 connettori: questi permettono il controllo del volume nelle 4 stanze, e l’accensione e lo spegnimento della sorgente. Il connettore JP1 e il connettore R41 (posto vicinoal micro controller) permettono il collegamento con una scheda di interfaccia, il cui schema è il seguente:
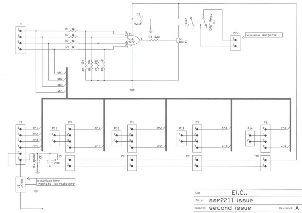
Procediamo con ordine: il connettore R41 (della scheda principale) viene collegato al connettore P2 della scheda interfaccia; il connettore JP1 della scheda principale viene collegato al connettore P1 della scheda interfaccia….escluso il pin dell’alimentazione, che deve passare attraverso lo stabilizzatore esterno 7805, come indicato nello schema elettrico, e come verrà poi illustrato nello schema pratico. Questo stabilizzatore deve essere montato su radiatore.
Cosa c’è sulla scheda di interfaccia? Giusto una manciata di componenti che – come abbiamo visto - ci permettono il collegamento con la scheda principale e con le 4 schede dei finali. Pochi componenti, quindi, reperibilissimi anche in questo caso. I segnali logici provenienti dal micro controller , attraverso il connettore P2 arrivano all’integrato 4072, una semplice porta or a 4 ingressi: basta che uno degli ingressi si porta a “1”, viene portato in “on” il relè, e quindi si accende la sorgente audio. Non solo: gli stessi segnali logici presenti sul connettore P2 ci permettono di accendere i finali audio SSM2211, portandoli quindi dalla condizione di “stand-by” a “on”.
I 4 finali, uno per ogni stanza, verranno collegati ai connettori presenti nello schema, ed indicati con le sigle da P3 a P10; i connettori siglati da P11 a P14 sono invece le uscite audio dei 4 finali.
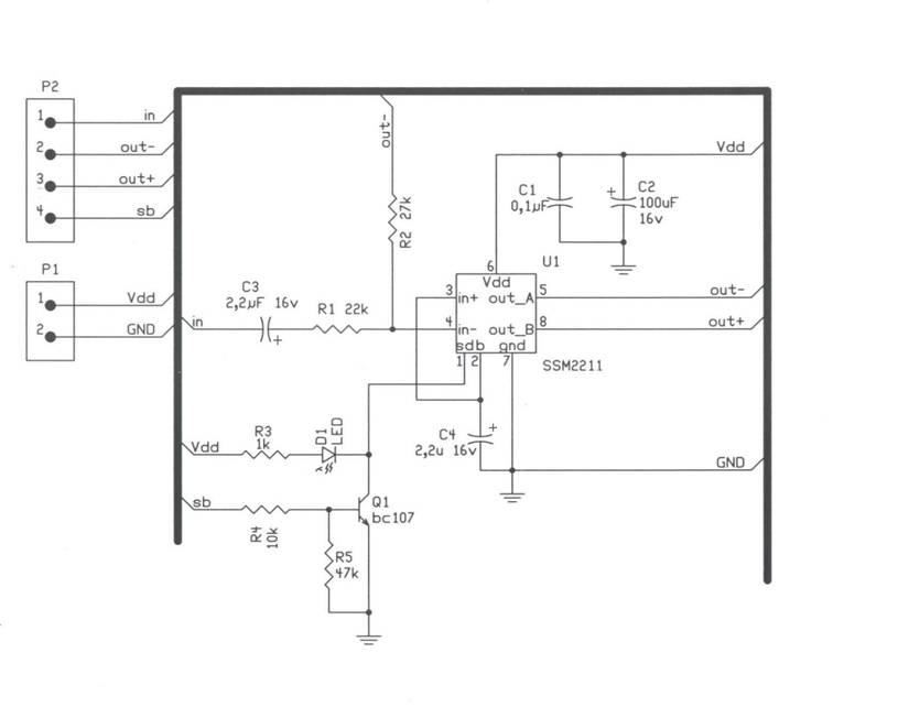
I finali, appunto, sono la novità principale; ecco lo schema di uno dei 4 finali:
Come si vede, i componenti sono davvero pochi; anche in questo caso descrivo brevemente lo schema.
Vediamo che la scheda dei finali si collega con la scheda interfaccia vista precedentemente con 2 connettori; il connettore P2 ha 4 pin, dei quali i pin 2 e 3 sono l’uscita audio. Attenzione: vediamo che tale uscita è polarizzata, quindi NON un’uscita formata da “segnale e massa”, ma un pin “positivo e uno negativo”. Il pin 1 è l’ingresso del segnale audio, e il pin 4 è il pin che permette la commutazione Stand-by <----> On. Come viene effettuata questa commutazione? Semplice: il segnale logico proveniente dal micro controller porterà in saturazione il transistor Q1, e quindi porterà a massa il pin1 del SSM2211, condizione questa necessaria per accenderlo. Infatti questo integrato passa in “on” quando al suo pin 1 si ha un livello logico basso. Non solo: possiamo sfruttare questa commutazione per far accendere un diodo led, che ci segnalerà appunto l’accensione del finale.
Il connettore P1 ha 2 pin, e permette l’alimentazione del finale.
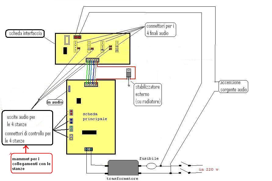
Lo schema pratico e le foto seguenti aiuteranno a chiarire eventuali dubbi :
Di seguito le
foto
in questa foto vediamo la scheda principale con il micro controller (la scheda a destra), la scheda interfaccia e la scheda di uno dei finali accesa (il led rosso è acceso)
In questa foto, si vede il montaggio delle schede quasi ultimato; sono montate 3 schede finali, mentre la quarta in primo piano rende visibile l’integrato SSM2211.
Si vedono anche 2 piccoli dadi, eventualmente necessari a montare un piccolo dissipatore sul finale. Nelle numerose prove da me effettuate il dissipatore non si è mai reso necessario, ma è stato comunque previsto.
In questa foto si vede il progetto quasi completo, con le 4 schede dei finali montate sulla scheda di interfaccia. Si vedono bene anche i collegamenti tra la scheda principale e quella di interfaccia.
In questa foto il progetto è terminato, completo con il mammut di collegamento (sono collegati i cavetti degli altoparlanti), le 2 schede (quella principale e l’interfaccia) sono montate su un piccolo telaio di alluminio. Notare anche lo stabilizzatore montato su una aletta di raffreddamento esterna.
TARATURA
Questo circuito non necessita di una vera e propria taratura per poter funzionare, e, d’altra parte, non conoscendo l’ampiezza del segnale che verrà applicato in ingresso, posso soltanto fornire informazioni di massima, e non valori assoluti.
Diciamo che con un segnale audio in ingresso e i 4 canali al massimo, un amperometro inserito tra lo stabilizzatore esterno 7805 e la scheda interfaccia deve misurare correnti di picco al massimo di 0,4A. Ovviamente, la taratura si opera attraverso il trimmer presente sulla scheda principale, vicino all’integrato operazionale. Da qui si regola l’ampiezza del segnale che entrerà nell’integrato AD8403 (ArZ100) e successivamente amplificato. Si può iniziare tenendo questo trimmer circa a metà corsa, e poi ruotarlo in un senso o nell’altro fino al valore indicato.Chiaramente, maggiore sarà l’ ampiezza del segnale in ingresso, maggiore sarà l’assorbimento dei finali. Con sorgenti audio che forniscono un segnale già significativamente alto (sull’ordine dei 2 Vpp) si potrà vedere che il valore di assorbimento di 0,4 A sarà superato spesso...soprattutto se glialtoparlanti/casse sono da 4 ohm. In questo caso si dovrà tarare il trimmer per abbassare l’assorbimento. I valori non sono troppo critici....ma meglio non superarli, pena il surriscaldamento dello stabilizzatore e dei finali. Come già accennato, le schede dei finali sono equipaggiate con dei piccoli dadi (saldati sulla scheda) per poter sistemare eventualmente dei radiatori sugli integrati SSM2211. Nelle numerose prove da me eseguite questi radiatori non sono serviti, quindi ho preferito non montarli nelle schede costruite.
A ogni modo, chi dispone di generatore di segnale e oscilloscopio può operare cosi: con segnale sinusoidale di 1 kHz in ingresso di ampiezza 1 Vpp, e con i 4 canali al massimo, l’assorbimento misurato tra lo stabilizzatore e la scheda di interfaccia deve essere all’incirca di 430 mA. In questo modo si riesce ad avere una visualizzazione “stabile” dell’assorbimento, cosa che con un segnale audio (prelevato da una radio, nel mio caso...) non è chiaramente possibile.
A proposito delle casse, io ho utilizzato nelle prove casse di vari tipi, da scarsi altoparlanti per pc a casse Hi Fi, e devo dire che, soprattutto con queste ultime, i risultati sono davvero buoni.
Una breve nota relativa al trasformatore, al quale fino ad ora non ho accennato. Le schede da me costruite sono dotate di trasformatore che fornisce al secondario tensioni tra 6 e 9 volt. Queste tensioni, una volta raddrizzate e livellate, saranno dell’ordine di 10 – 14 volt circa. Più che sufficienti per il nostro utilizzo. Meglio non utilizzare trasformatori con tensioni di uscita maggiori, per non surriscaldare troppo lo stabilizzatore esterno. La potenza che deve dissipare questo stabilizzatore si calcola facilmente:
, quindi è il prodotto fra la differenza delle tensioni (ingresso e uscita) e la corrente assorbita dal circuito. E’ bene quindi non avere in ingresso tensioni superiori a quelle indicate, per non surriscaldare troppo – ed inutilmente - lo stabilizzatore.
Come sempre, sono disponibile ad aiutare chiunque voglia cimentarsi nella costruzione di questo circuito. E’ altresì evidente che non posso ritenermi responsabile per insuccessi e/o danni che un utilizzo non appropriato potrebbero causare. Del progetto posso fornire il micro controller programmato, oppure l’intera scheda per coloro che non sono in grado di costruirla in proprio. Nel caso, costoro dovranno soltanto installarla, eseguendo i collegamenti riportati nell’articolo.
Buon lavoro.
ducamax@yahoo.it

Elettrotecnica e non solo (admin)
Un gatto tra gli elettroni (IsidoroKZ)
Esperienza e simulazioni (g.schgor)
Moleskine di un idraulico (RenzoDF)
Il Blog di ElectroYou (webmaster)
Idee microcontrollate (TardoFreak)
PICcoli grandi PICMicro (Paolino)
Il blog elettrico di carloc (carloc)
DirtEYblooog (dirtydeeds)
Di tutto... un po' (jordan20)
AK47 (lillo)
Esperienze elettroniche (marco438)
Telecomunicazioni musicali (clavicordo)
Automazione ed Elettronica (gustavo)
Direttive per la sicurezza (ErnestoCappelletti)
EYnfo dall'Alaska (mir)
Apriamo il quadro! (attilio)
H7-25 (asdf)
Passione Elettrica (massimob)
Elettroni a spasso (guidob)
Bloguerra (guerra)