Indice |
Abstract
In questo articolo presento un nuovo progetto di diffusione sonora multiroom.
Le peculiarità del progetto sono le seguenti:
-controllo del volume da 4 stanze indipendenti
-accensione e spegnimento della sorgente automatico
-può funzionare con qualsiasi sorgente audio, purchè preamplificata
-cablaggio semplicissimo, si esegue con 3 fili!
In pratica il circuito è diviso in 2 sezioni, completamente indipendenti tra loro: la prima comprende la parte logica e il controllo del volume; la seconda è soltanto rappresentata dal finale audio (quadruplo).
ANALISI DEL CIRCUITO
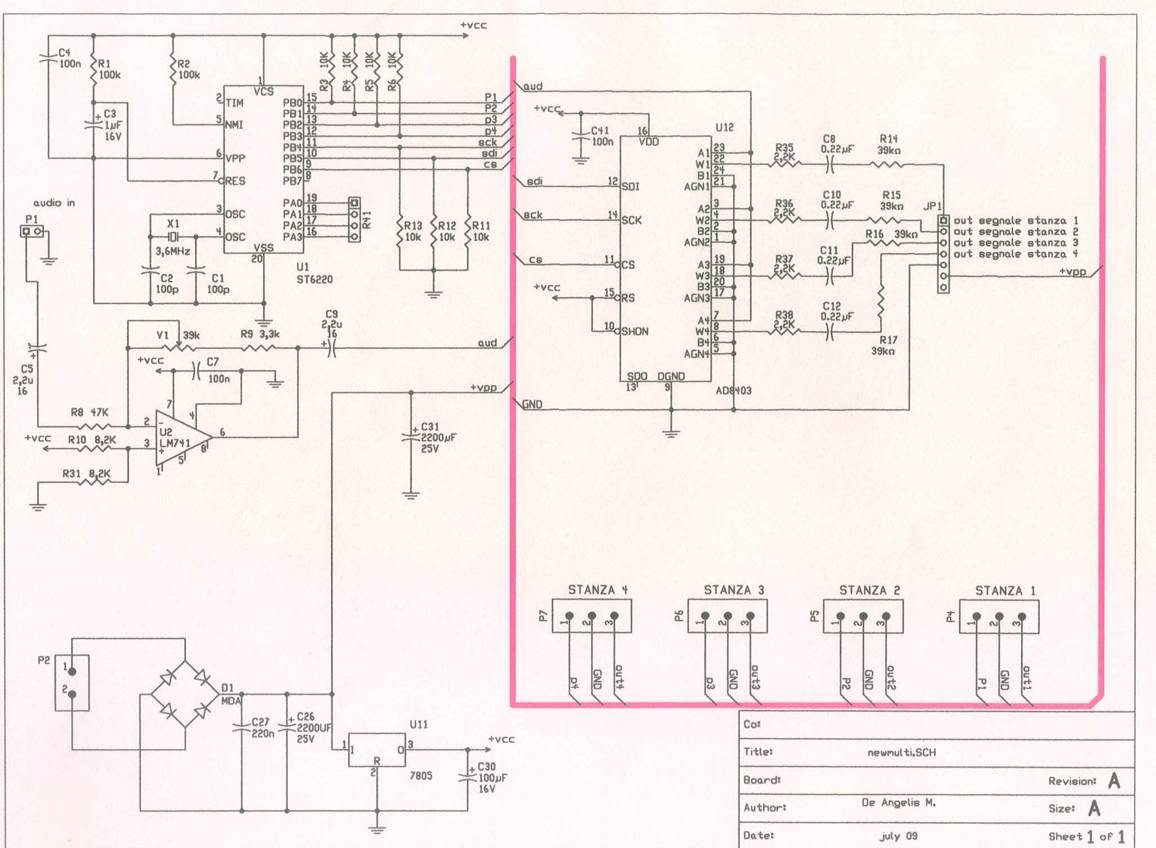
Partiamo dalle spiegazioni relative alla prima sezione, e riportata in figura.
Vediamo che, a sinistra , c’è il solito micro ST6210/20, onnipresente nei miei progetti, che si incarica di gestire il funzionamento logico del circuito; quindi, alza/abbassa il volume delle 4 stanze, ed accende i finali tramite il segnale presente sul connettore indicato con R41.
Intorno al micro ci sono vari componenti passivi, tutti necessari al suo corretto funzionamento. Quindi, circuito R-C per il reset, e condensatori e quarzo per lo stadio di temporizzazione.
Poco più in basso c’è un operazionale (il glorioso LM741), che si occupa di disaccoppiare la sorgente audio dal nostro circuito; sulla linea di reazione c’è un trimmer (indicato con V1) che ci permette di regolare il volume di questo stadio. Quindi, se il segnale che proviene dalla sorgente è troppo basso o troppo alto, con questo trimmer possiamo regolarlo in maniera ottimale. La sorgente dovrebbe essere mono, e, nel caso fosse stereo, bisogna impostarla come “mono” e collegare un solo canale. Con i valori delle resistenze indicati il segnale in ingresso non viene amplificato dall’operazionale, ma attenuato (quindi amplificazione G<1), o, al massimo, viene riportato circa pari a 1, agendo sul trimmer V1. Sostituendo tale trimmer con un altro di diverso valore (per esempio 100k), si può ottenere un’amplificazione maggiore, ed utilizzare come sorgente anche i piccoli Mp3 player, che in genere hanno un’uscita molto bassa.
A destra troviamo il “controllo di volume” vero e proprio, cioè l’integrato AD8403, che contiene al suo interno 4 potenziometri digitali. Di fatto, sono questi che regolano il volume delle 4 stanze. Questo integrato viene controllato tramite 3 segnali, provenienti dal micro: SDI, SCK e CS .- Rispettivamente: SDI= dati ; SCK= clock ; CS = circuit select .-
I potenziometri digitali hanno 256 posizioni,…. davvero tante per ciò che ci serve! Quindi, tramite software, tutta l’escursione dei potenziometri sarà ottenuta in 31 posizioni .-
Questo integrato è disponibile nella versione a montaggio superficiale (SMT), quindi occhio alle saldature, dato che i pin sono a distanza ravvicinata (1,27 mm). Ciò, ovviamente, richiede che tale integrato venga saldato dal “lato piste” del circuito. Come anticipato in precedenza, l’operazionale non amplifica il segnale, ma al contrario, lo attenua (in pratica l’amplificazione è minore di 1) ; in questo modo l’AD8403 si trova a lavorare con un segnale molto basso, lasciando al solo finale il compito di amplificare in ampiezza (e in potenza) il segnale stesso.-
Il segnale audio sarà disponibile sul connettore JP1, a destra nello schema; questo connettore ha 7 pin, di cui : 4 sono relativi al segnale audio delle 4 stanze; 1 pin è la massa; 1 pin è l’alimentazione positiva per il finale audio. Un ultimo pin non è utilizzato.-
A proposito del segnale audio, una volta “regolato” dall’AD8403, questo passa attraverso delle resistenze (es. R35, se ci riferiamo al canale 1); poi lo stesso segnale transita attraverso il condensatore C8, ed infine ancora in R14: questa potrebbe essere una incongruenza, perché le 2 resistenze sono in pratica in serie, e quindi avrei potuto mettere una resistenza “singola”. Ho lasciato la possibilità di poter cambiare la resistenza R14, in quanto , cambiando stadio finale, (cioè mettendone uno con diversa resistenza di ingresso), abbiamo la possibilità di adattare meglio il segnale allo stadio successivo variando il valore di questa resistenza, ma, nel caso dovesse venir cortocircuitata, resta comunque la resistenza precedente per accoppiare l’AD8403 allo stadio successivo.
Una scelta progettuale indubbiamente “criticabile”, ma senz’altro pratica, alla luce delle prove che ho fatto.
Infine due parole sui connettori P4 – P5 – P6 – P7 : questi permettono il collegamento con gli altoparlanti e con i pulsanti delle 4 stanze. Vediamo che ognuno di questi connettori ha 3 contatti:
- il pin 1 fa capo al processore
- il pin 2 è la massa
- il pin 3 è l’uscita dell’altoparlante
Ognuno di questi connettori deve essere cablato con il circuito “locale” , per ogni stanza da sonorizzare.
Sulla scheda principale è presente una morsettiera apposita, con 12 contatti (3 per ogni stanza) .-
Come fa il processore a “capire” che un tasto è premuto, ed eventualmente ad agire di conseguenza? In condizioni “normali”, cioè senza nessun tasto premuto, sulle linee dei pin 12-13-14-15 del micro devo misurare 5 volt: questa è la condizione di riposo. Prendiamo ad esempio la linea che fa capo al pin 15 : questa linea è collegata tramite la R3 (da 10k) ai 5 volt dell’alimentazione. Non solo: tramite il bus (p1) – e quindi attraverso il connettore P4-, tale linea è collegata ai pulsanti della stanza “1”. - Anche qui, il connettore ha 3 pin, dei quali il primo è collegato con una resistenza, anch’essa da 10 k. Ora, premendo P1, la resistenza da 10 k forma un partitore resistivo con la resistenza vista precedentemente (R3, sullo schema elettrico principale), e dato che le 2 resistenze hanno lo stesso valore, la tensione al pin 15 del micro sarà di circa 2,5 v. Se invece premo P2, collego di fatto il pin 15 del micro a massa (cioè a 0 v).
Le 2 tensioni appena viste, cioè 2,5v e 0 v sono quelle che permettono al micro di capire se un tasto è premuto, e quale. - E agisce di conseguenza. Quanto appena detto, ovviamente, vale per tutte le 4 stanze.
Di seguito, un piccolo schema “pratico” della scheda principale, così come l’ho costruita , e di come viene collegata per il controllo del volume e il collegamento dell’altoparlante (per ogni stanza):
Si può vedere che il collegamento si effettua con 3 fili soltanto. E' riportato anche il collegamento per l'accensione automatica della sorgente (alimentata a 220 v).
Ricordo che i pulsanti P1, P2 e la resistenza R possono trovare posto tranquillamente in un solo “frutto” della scatola 503 relativa alla stanza da sonorizzare!
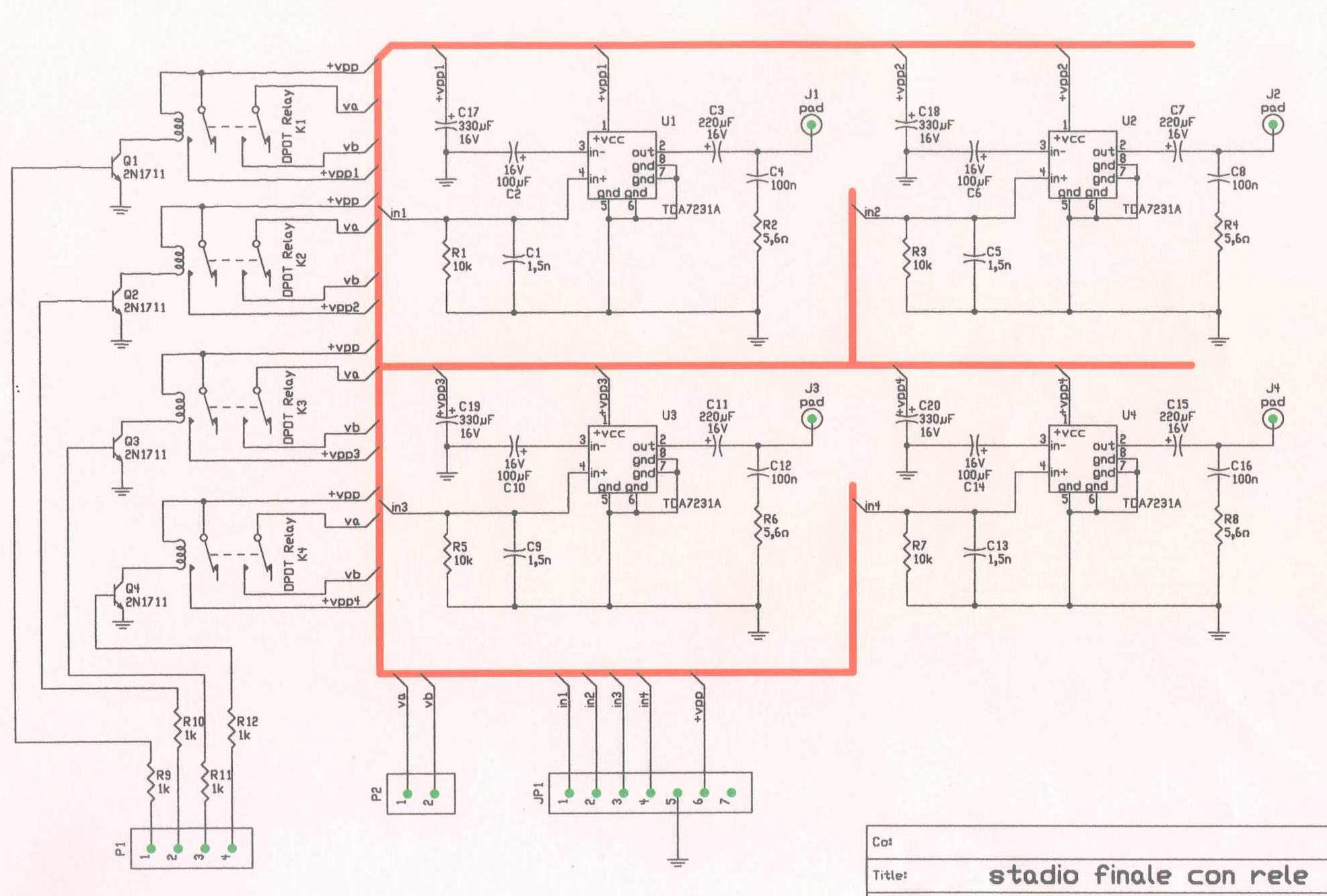
La seconda sezione, riportata nello schema seguente, è anch’essa molto semplice, e riguarda lo stadio finale del circuito.
E’ un piccolo finale quadrifonico, con circa 1,5 w di potenza per ogni canale. Nelle intenzioni iniziali avrei voluto semplificare ulteriormente il circuito, utilizzando un singolo integrato con 4 canali, tipo quelli utilizzati nelle normali autoradio, ma alla fine ho verificato che erano più i problemi che i vantaggi. Soprattutto la diafonia aveva livelli altissimi, dato che tutto il finale quadruplo era costituito da un unico integrato. Ho optato quindi per la soluzione che qui propongo, e il circuito è costituito da 4 finali TDA7231A, che conosco per aver già utilizzato in un altro circuito simile. Per funzionare, questo integrato ha bisogno di pochissimi componenti. Vediamo infatti che lo schema è davvero semplice. Il segnale audio proviene dal connettore JP1, e dopo essere stato amplificato dai 4 finali, è disponibile alle uscite J1 – J2 – J3 – J4.
Da qui dovrà essere riportato, tramite 4 corti spezzoni di filo, sulla scheda principale, e da questa, tramite i connettori P4 ……. P7, potrà essere disponibile nella stanza interessata. Al di là della apparente complessità, il circuito è davvero semplice, non necessita in pratica di nessuna taratura, e una volta collegato funziona all’istante. Ogni finale viene alimentato soltanto quando il processore “sente” la richiesta dai pulsanti di ogni stanza, ed abilita soltanto il relè /finale di quella stanza. Automaticamente accende anche la sorgente, nel caso non sia già accesa.
…E TRA LE 2 SCHEDE APPENA ILLUSTRATE
… si può interporre uno stabilizzatore del tipo LM7812 , così da stabilizzare la tensione che alimenta la scheda dei finali. In questo modo abbassiamo/eliminiamo il ripple residuo sulla linea di alimentazione, evitando che influenzi gli stadi finali. Tale stabilizzatore non è riportato sugli schemi elettrici, dato che “di fatto” è esterno alle 2 schede, e viene collegato come riportato in figura :
- il pin di ingresso è collegato al pin 6 del connettore JP1 della scheda principale (+vpp)
- il pin centrale è collegato a massa
- il pin di uscita è collegato al pin 6 del connettore JP1 della scheda dei finali (+vpp)
Con il circuito in stand-by, (quindi con l’audio spento in tutte le stanze), tale circuito integrato resta giustamente “freddo”. Durante il funzionamento , ovviamente tende a scaldare, e quindi va montato su una piccola aletta di raffreddamento.
PER GLI AUTOCOSTRUTTORI
NOTE COSTRUTTIVE
Come anticipato, il montaggio del circuito non comporta grandi difficoltà; ovviamente nel montaggio dell’ AD8403 bisognerà porre l’attenzione necessaria, visto che i pin sono davvero vicini, ed inoltre il componente è sensibile alle scariche elettrostatiche; è necessario quindi toccarlo il meno possibile, e comunque con prudenza. Lo stesso dicasi per il micro ST6210/20 . Se si opta per lo stadio finale come quello da me proposto – cioè con gli integrati TDA7231 – bisogna saldare questi integrati senza lo zoccoletto, ma direttamente sul circuito stampato. Il piano di massa disegnato sulla scheda avrà la funzione di radiatore, dissipando il calore degli integrati. Bisogna ricordare altresì che la scheda può essere inserita – volendo – anche in una scatola per derivazioni elettriche, rendendo quindi l’impianto praticamente “invisibile”. In questo caso è evidente che la scatola dovrà essere abbastanza grande da contenere anche il trasformatore, e per permetterci di effettuare agevolmente i collegamenti . Inoltre dovrà favorire un regolare ricambio di aria (possono essere previste delle feritoie o dei fori sul coperchio).
TARATURA
Il circuito non necessita di tarature. L’unica cosa da fare è regolare il trimmer per un ascolto ottimale, e ciò varia anche in funzione della sorgente. Ricordo che la sorgente deve essere preamplificata.- I circuiti montati da me vengono regolati per ottenere una amplificazione totale (Vu/Vi) circa pari a 1, ma utilizzo come sorgente un sintonizzatore HiFi che fornisce in uscita un segnale molto alto.
Come detto in precedenza, sostituendo tale trimmer si può variare - e di molto – l’amplificazione totale, adattando così il circuito a sorgenti molto diverse.
Ricordo che l’elettronica “scalda” , soprattutto gli amplificatori, quindi non è necessario “spremere” dai finali troppa potenza, perché in questo modo si rischia di “cuocerli”, e di surriscaldare la scheda! Tale aspetto è molto importante nel caso il circuito venga inserito in una scatola per derivazioni elettriche.
VERIFICA DELLE ALIMENTAZIONI
Il trasformatore non è riportato nello schema elettrico, ma deve essere comunque in grado di erogare 8 - 10 V al secondario, con potenza di 13- 15 W.
Prima di inserire il micro ST6210/20 e prima di saldare il AD8403 conviene verificare che le alimentazioni siano corrette, quindi all’ingresso dello stabilizzatore U11 devono esserci circa 13-15 v, mentre all’uscita 5 v .- Gli stessi 5 volt devono essere presenti ai pin 12 – 13 – 14 – 15 del micro ST62, in condizioni “normali”, cioè senza che nessun tasto sia premuto.
A PROPOSITO DEL FINALE…..
Essendo il circuito composto da 2 sezioni completamente indipendenti, lo stadio finale potrebbe essere sostituito con uno più potente, o comunque diverso da quello da me proposto.
E’ evidente che, nel caso si utilizzi un finale più potente, l’alimentatore presente sulla scheda non sarà sufficiente, e quindi dovrà essere costruito un nuovo alimentatore. Ciò perché l’alimentatore presente sulla scheda è progettato per i finali da ma utilizzati , o comunque di pari potenza, e non sarebbe in grado di supportare finali più potenti. A parte l’alimentazione, sul nuovo finale dovrebbero arrivare i 4 collegamenti dei segnali provenienti dalla scheda principale (connettore JP1, sulla destra nello schema elettrico). Per il resto, il circuito non cambia.
QUALCHE FOTO DEI PROTOTIPI
Di seguito qualche foto dei primi prototipi in laboratorio, durante le varie misure; l’AD8403 non è visibile….
dato che è montato sul “lato piste” della scheda…
Un paio di schede sul banco di lavoro, durante le misure…
UN ESEMPIO DI INSTALLAZIONE
Un esempio di scheda installata durante le prove…
ULTIME ANNOTAZIONI
Come sempre, sono disponibile ad aiutare chiunque voglia cimentarsi nella costruzione di questa apparecchiatura. E’ evidente che non posso ritenermi responsabile per eventuali insuccessi, e/o per danni che un utilizzo non appropriato del circuito potrebbe causare. Del circuito posso fornire il micro ST6210/20 programmato e testato (per chi vuole realizzarlo in proprio), o la scheda già costruita e funzionante per coloro che non sono in grado di farlo; costoro dovranno limitarsi soltanto ad installarla in casa – un’operazione semplicissima-!
Contattatemi al mio indirizzo: ducamax@yahoo.it

Elettrotecnica e non solo (admin)
Un gatto tra gli elettroni (IsidoroKZ)
Esperienza e simulazioni (g.schgor)
Moleskine di un idraulico (RenzoDF)
Il Blog di ElectroYou (webmaster)
Idee microcontrollate (TardoFreak)
PICcoli grandi PICMicro (Paolino)
Il blog elettrico di carloc (carloc)
DirtEYblooog (dirtydeeds)
Di tutto... un po' (jordan20)
AK47 (lillo)
Esperienze elettroniche (marco438)
Telecomunicazioni musicali (clavicordo)
Automazione ed Elettronica (gustavo)
Direttive per la sicurezza (ErnestoCappelletti)
EYnfo dall'Alaska (mir)
Apriamo il quadro! (attilio)
H7-25 (asdf)
Passione Elettrica (massimob)
Elettroni a spasso (guidob)
Bloguerra (guerra)