Cos'è ElectroYou | Login Iscriviti

ElectroYou - la comunità dei professionisti del mondo elettrico

Filtro Passa Basso Attivo con componente Continua

Elettronica lineare e digitale: didattica ed applicazioni

Moderatori: Foto Utentecarloc, Foto Utenteg.schgor, Foto UtenteBrunoValente, Foto UtenteIsidoroKZ

0
voti

[31] Re: Filtro Passa Basso Attivo con componente Continua

Messaggioda Foto UtenteTekonoris » 15 mag 2020, 12:48

Sono Immerso nei libri... Mi sono accorto (come sempre) che le cose sono molto più complicate di quello che sembrano. :( Ho ancora TANTISSIMO da studiare e da cercare di consolidare.

I dati del 2° circuito non li ho postati (anche se avevo detto che lo facevo) perché a questo punto mi sembrano inutili...
Molte cose mi si sono chiarite (o quasi), ma non sono ancora in grado di dimensionare correttamente un filtro.
Fissando la Frequenza di Taglio e la Frequenza della Banda Oscura, sono in grado di definire, in base al tipo di risposta voluta (Butterworth, Chebyshev e Bessel), l'ordine del filtro.
Ho visto anche la tipologia di realizzazione del filtro tipo VCVS e MFB.
Ho capito il discorso dei poli e degli zeri.
Ora devo passare dalla Funzione di Trasferimento ai valori delle R e C... (Compito di stanotte).

Obbiettivo:
Visto che il filtro di 2° ordine è un po una linea di confine, ho deciso che il prossimo circuito sarà un filtro del 4° ordine (spero dimensionato correttamente).
Mi ci vorrà ancora un po di tempo, ma ho intenzione di postare il circuito e i dati relativi, anche perché mi piacerebbe avere un vostro parete sul risultato e su alcune delle domande che ho postato e che per ora non ho risolto.

Una delle cose che ho parzialmente capito (spero - che risponde a una delle mie domande), è che il rimbalzo è corretto e che tutti i filtri lo hanno. Se ho capito bene è causato dalle caratteristiche dell'op che ad "Alte frequenze" comincia a "amplificare" il segnale attenuato... Comunque ci sono delle strade per attenuarlo (vedi foto Allegata).

Insomma di argomenti da capire e da approfondire ce ne sono 1 milione, ma l'argomento mi interessa molto e conto di arrivare a un risultato positivo. Il mio intento è più pratico che teorico, quindi su alcune cose sorvolerò :D

Spero a presto O_/
Allegati
Fg0.PNG
Avatar utente
Foto UtenteTekonoris
313 3 8
Stabilizzato
Stabilizzato
 
Messaggi: 392
Iscritto il: 19 ott 2018, 10:31

0
voti

[32] Re: Filtro Passa Basso Attivo con componente Continua

Messaggioda Foto UtenteTekonoris » 18 mag 2020, 8:22

Dopo aver studiato un po (non ho finito), vi posto il progetto che ho calcolato e che ho intenzione di realizzare.

Vin: Sinusoidale Vpk,pk = 2 V Componente continua = 4,0 V
Tipo di Filtro: Passa Basso
Frequenza fine Oscillazione (Ripple) [fp]: 200 Hz
Frequenza Banda Oscura [fs]: 1000 Hz
Ripple [Gp]: 1 dB
Attenuazione Banda Oscura [Gs]: -50 dB

Tipologia di Attenuazione: Chebyshev
Tipo di configurazione Filtro 2° Ordine: VCVS

Calcolo Grado del Filtro:
n = \frac{1}{cosh^{-1}(\frac{f_{s}}{f_{c}})} \cdot cosh^{-1} \cdot \sqrt{\frac{10^{-(\frac{G_{s}}{10})}-1}{10^{-(\frac{G_{p}}{10})}-1}} = 3,108

Segue Filtro di 4° Ordine.
Dalle Tabelle Normalizzate ottengo:
Primo Blocco: -a = 0,3199 & +/-jb = 0,3868
Secondo Blocco: -a = 0,1325 & +/-jb = 0,9339

H = s^{2} + (2 \cdot a) \cdot s + (a^{2} + b^{2})

Moltiplico tutto per ottenere il termine senza "s" a 1 e ottengo:

H_{1} = 3.969 \cdot s^{2} + 2.539 \cdot s + 1
H_{2} = 1.124 \cdot s^{2} + 0.298 \cdot s + 1

Considerando:
R = 1 Ohm (tutte uguali)
wc = 1 rad/s

H = a \cdot s^{2} + b \cdot s + 1

C2 = b / 2
C1 = a / C2

Ricavo i valori che devono essere riportati a Gp, quindi:
Fisso una R e calcolo i C:

C_{teorico} = \frac{C_{calc}}{R \cdot 2 \cdot \pi \cdot f_{p}}

Considerando che: R * C = Costante, scelgo una C da commercio (misuro il valore reale) e ricavo la R finale.

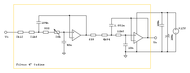
A questo punto il circuito finale è il seguente (con la Rvar = 20k):



L'operazionale è un Rail-to-Rail, ma non ho sottomano la sigla.
Il potenziometro inserito mi serve per modificare il fattore di merito e arrivare a un valore di circa 7 dB di picco alla Fp.
Come associare questa modifica alla curva in modo teorico non mi è ancora chiarissimo (ho qualche cosa ancora da studiare), ma se ho capito bene, devo ricalcolare la R2 partendo dal Fattore di merito voluto applicandola al solo primo OP, ottenendo lo stesso effetto a cascata. (Anche se la curiosità rimane).
Quindi ho inserito una resistenza variabile che mi permette di modificare questa caratteristica.
Calcolo il Fattore di Merito con:

\xi = \frac{1}{2} \cdot \left [ \sqrt{\frac{R_{2} \cdot C_{2}}{R_{1} \cdot C_{1}}} + \sqrt{\frac{R_{1} \cdot C_{2}}{R_{2} \cdot C_{1}}}\right ] + (1-A) \cdot \sqrt{\frac{R_{1} \cdot C_{1}}{R_{2} \cdot C_{2}}}

considerando che il guadagno A è unitario:

\xi_{1k} = 7,578
\xi_{21k} = 0,681

Il picco è "nullo" con \xi = \frac{\sqrt{2}}{2} = 0,707. Con valori minori, ho un'attenuazione maggiore, con valori maggiori ho la presenza del picco (valori maggiori, picco maggiore).

Conclusioni:
Probabilmente le domande che ho fatto in precedenza (dopo aver studito), diventano stupide...
L'attenuazione che "chiedo" a fs è -50 dB, che corrisponde a una Vpkpk di 0,003162 V. E' talmenete bassa che non mi serve un'attenuazione migliore anche dopo il rimbalzo.
Probabilmente per questo e per altri motivi non è necessario o prudente prendere il segnale in uscita sul piedino non invertente dell'ultimo OP.
Anche l'attenuazione del rimbalzo non è normalmente necessario inserire (quantomeno finché si lavora con frequenze relativamente basse).

Voglio riguardare ancora un po i conti e rimane da verificare se il calcolo teorico e di Simulazione corrisponde nel circuito reale.
Voglio verificare le due curve (quella base del 4° ordine e quella con fattore di merito modificato a circa 7).
Appena riesco assemblo e testo. Posterò i risultati.

Allego i due grafici del simulatore.

Domande:
Quello che ho postato ha senso o ho nuovamente capito male ?
C'è qualche cosa che ho scordato ? Qualche verifica o controllo aggiuntivo ?
Qualche consiglio dell'ultimo momento prima che saldi il tutto ? :D

Ciao e grazie della pazienza...
I miei tempi sono un po lunghi... Abbiate pazienza O_/
Allegati
CH2.PNG
CH1.PNG
Avatar utente
Foto UtenteTekonoris
313 3 8
Stabilizzato
Stabilizzato
 
Messaggi: 392
Iscritto il: 19 ott 2018, 10:31

0
voti

[33] Re: Filtro Passa Basso Attivo con componente Continua

Messaggioda Foto Utentegvee » 19 mag 2020, 9:53

Ci sono alcuni punti in cui non ho capito come svogli i calcoli, ma non ho tempo di verificare.

Non ho capito perché cambi in continuazione il valore di componente continua..

Comunque appena posso posto un esempio con i dati che hai postato.
Avatar utente
Foto Utentegvee
1.475 5 7
Sostenitore
Sostenitore
 
Messaggi: 526
Iscritto il: 11 feb 2018, 20:34

0
voti

[34] Re: Filtro Passa Basso Attivo con componente Continua

Messaggioda Foto UtenteTekonoris » 19 mag 2020, 10:04

Ho cambiato la componente continua perché voglio verificare l'effetto del fattore di merito.
Se la simulazione (i conti li stò ancora studiando) è corretta con un Fattore di merito di 7,6 trovo un attenuazione di +6,8 db circa a Vpk-pk di 4,4 V.
Ho solo cercato di ricentrare il segnale... In effetti potrei tenere anche quella originale.
Visto che non ho un prb reale, ma stò cercando di capire, il segnale di ingresso lo adeguo alle mie esigenze.

Grazie, qualunque suggerimento è ben accetto.
Avatar utente
Foto UtenteTekonoris
313 3 8
Stabilizzato
Stabilizzato
 
Messaggi: 392
Iscritto il: 19 ott 2018, 10:31

0
voti

[35] Re: Filtro Passa Basso Attivo con componente Continua

Messaggioda Foto Utentegvee » 19 mag 2020, 10:12

Per un filtro di Chebyshev il quality factor Q è definito come nel PDF che ti ho linkato.
Avatar utente
Foto Utentegvee
1.475 5 7
Sostenitore
Sostenitore
 
Messaggi: 526
Iscritto il: 11 feb 2018, 20:34

0
voti

[36] Re: Filtro Passa Basso Attivo con componente Continua

Messaggioda Foto UtenteTekonoris » 19 mag 2020, 23:15

Devo ricominciare a Studiare. Proverò a ripartire da Zero.
Come ha detto Foto Utentegvee dovrei trovare la soluzione nel pdf che aveva allegato... Vediamo se il mio cervelletto collabora. #-o

Il grafico con fattore di merito > 0,7 sembra corrispondere alla Simulazione.

Simulatore:
F = 183 Hz -> Mag = 6.81 dB
F = 700 Hz -> Mag = -36.7 dB

Circuito:
F = 189 Hz -> Mag = 6.75 dB
F = 712 Hz -> Mag = -31.1 dB

Mentre la seconda simulazione NON corrisponde minimamente...

Simulatore:
F = 183 Hz -> Mag = 0.33 dB
F = 700 Hz -> Mag = -55.7 dB

Circuito:
F = 189 Hz -> Mag = 6.19 dB
F = 712 Hz -> Mag = -31.7 dB

Allego i due grafici della simulazione e il grafico (doppio) dei risultati.

Ciao.
Allegati
001.PNG
Picco Massimo
002.PNG
Picco Minimo
003.PNG
Circuito
Avatar utente
Foto UtenteTekonoris
313 3 8
Stabilizzato
Stabilizzato
 
Messaggi: 392
Iscritto il: 19 ott 2018, 10:31

5
voti

[37] Re: Filtro Passa Basso Attivo con componente Continua

Messaggioda Foto Utentegvee » 20 mag 2020, 2:08

Dunque, ora un po' di tempo.

Tekonoris ha scritto:Ho cambiato la componente continua perché voglio verificare l'effetto del fattore di merito.

Il fattore di merito Q non ha relazione con la componente continua.
L'unico effetto dovuto alla componente continua che vedi nella risposta in frequenza è che il riferimento della attenuazione di banda non è 0 dB.

Detto questo, ti riporto il disegno del filtro con i requisiti che hai postato in precedenza, secondo il metodo che ho imparato io studiando sul libro che ti ho consigliato, che si basa sul calcolo di Q in base alla risposta in frequenza che si vuole ottenere (in questo caso Chebyshev).


\begin{aligned}
f_\text{pass} &= 200\,\text{Hz}\\
f_\text{stop} &= 1000\,\text{Hz}\\
\alpha_\text{pass} &= 0.5\,\text{dB}\\
\alpha_\text{stop} &= 50\,\text{dB}
\end{aligned}

Per disegnare il filtro si ricava l'ordine richiesto:

n = \left \lceil \frac{\cosh^{-1}\left(\sqrt{(10^{\alpha_\text{pass}/10}-1)/(10^{\alpha_\text{stop}/10}-1)}\right)}{\cosh^{-1}(f_\text{stop}/f_\text{pass})} \right \rceil

da cui n = 4. Dovuto all'arrotondamento in eccesso, l'attenuazione sarà maggiore rispetto a quella ideale da requisito.

\alpha_\text{stop(real)} = 10\log_{10}(1 + \varepsilon^2 (\cosh(n \cosh^{-1}(f_\text{stop}/f_\text{pass})))^2)

per questo filtro viene circa 64.491 dB.
Poi si calcola il coefficiente di ripple:

\varepsilon = \sqrt{10^{\alpha_\text{pass}}-1}

ed i poli della funzione di trasferimento (dei cuali solo interessano quelli con parte reale negativa, ovviamente):

p_k = \text{i}\,\cos\left(\frac{\pi(2k + 1)}{2n} + \text{i}\,\left( \frac{\sinh^{-1}(1/\varepsilon)}{n} \right) \right) = \sigma_k + \text{i}\,\omega_k \quad k \in \{0,1,\dots\,2n-1\}

cosi non si deve dipendere dalle tabelle, che in generale sono fatte con requisiti specifici, e se le trovi ti devi fidare. Comunque, per il filtro in questione i poli di sinistra sono:

Codice: Seleziona tutto
  -0.17535 - 1.01625i
  -0.42334 - 0.42095i
  -0.42334 + 0.42095i
  -0.17535 + 1.01625i


chebyshev_ey_poles.png


quindi abbiamo due coppie di poli coniugati.

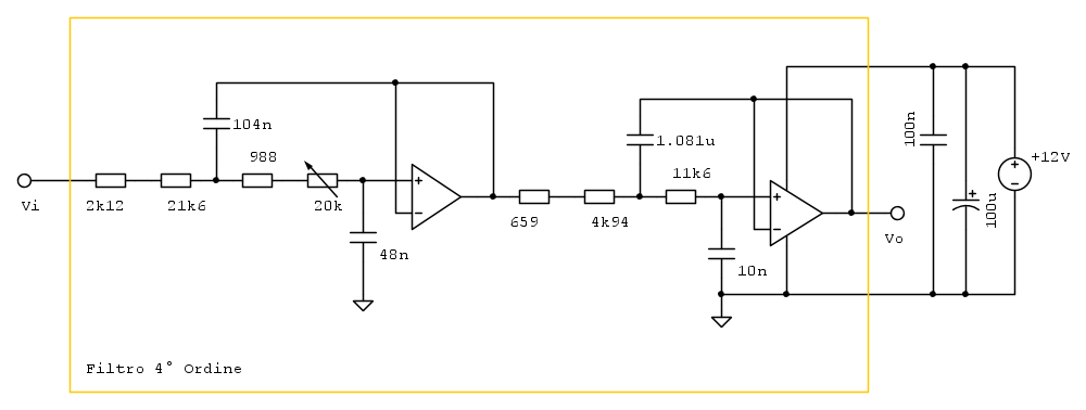
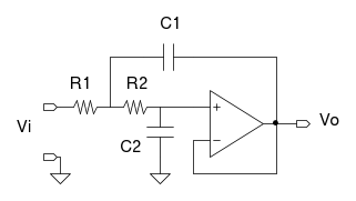
Ora, il circuito del filtro è questo:



la cui funzione di trasferimento è (mi permetto di ricopiare direttamente il \LaTeX da questo splendido articolo):

\frac{V_\text{o}(s)}{V_\text{i}(s)}=\frac{1}{C_1C_2R_1R_2s^2+C_2(R_1+R_2)s+1}

portando il monomio s^2 = 1 si ha che il denominatore e ponendo R_1 = R_2 = 1 è:

\frac{V_\text{o}(s)}{V_\text{i}(s)} = \frac{\frac{1}{C_1C_2}}{s^2 + \frac{2}{C_1} + \frac{1}{C_1C_2}}

comparando il denominatore con quello dell'espressione generale di una funzione passa basso del secondo ordine:

\frac{\omega_0^2}{s^2 +\frac{\omega_0 s}{Q}+\omega_0^2}

si può semplificare ottenendo i valori normalizzati dei condensatori

\begin{aligned}
C_1 &= 2Q\\
C_2 &= \frac{1}{2Q}
\end{aligned}

Come puoi leggere dal PDF che ti avevo linkato, il fattore di merito del filtro di Chebyshev, per ciascun polo p_k è dato dall' eq. 8.91.
Io la riscrivo cosi:

Q_k = \frac{|p_k|}{2|\sigma_k|}

e la frequenza del polo è:

\omega_{0k} = |p_k|

Per i condensatori la denormalizzazione è:

C_\text{new} = \frac{C_\text{old}}{R_\text{new} \omega_\text{pass} \omega_{0k}}

Dando in pasto tutti questi numeri ad un calcolatore, si ottiene, con tutte le resistenze uguali R_\text{new} = 1\,\text{k}\Omega, per il filtro in questione si ha che per le due celle S&K i valori sono:

Codice: Seleziona tutto
w0 = 1.0313 , Q = 2.9406 , C1 = 4.5381u , C2 = 0.1312u
w0 = 0.5970 , Q = 0.7051 , C1 = 1.8798u , C2 = 0.9452u


Screenshot_2020-05-20_01-51-33.png


Ho cercato di essere più breve possibile.
Nelle realizzazioni pratiche si cerca di mantenere le tolleranze al minimo, quindi p.e. resistenze da 1%.

O_/
Avatar utente
Foto Utentegvee
1.475 5 7
Sostenitore
Sostenitore
 
Messaggi: 526
Iscritto il: 11 feb 2018, 20:34

0
voti

[38] Re: Filtro Passa Basso Attivo con componente Continua

Messaggioda Foto Utentegvee » 20 mag 2020, 4:01

gvee ha scritto:(...)portando il monomio s^2 = 1 ( ...)

Scritto cosi e' sbagliato. Dovevo scrivere:

"dividendo numeratore e denominatore per {C_1C_2R_1R_2}."

Pensavo allo script di simulazione..

O_/
Avatar utente
Foto Utentegvee
1.475 5 7
Sostenitore
Sostenitore
 
Messaggi: 526
Iscritto il: 11 feb 2018, 20:34

0
voti

[39] Re: Filtro Passa Basso Attivo con componente Continua

Messaggioda Foto UtenteTekonoris » 20 mag 2020, 8:11

Fantastico !!!
Come detto, devo studiare ripartendo da 0. Ieri sera ho ricominciato, vediamo se questa volta riesco a farmelo entrare in testa.
Grazie 1000 Foto Utentegvee anche se adesso temo di dover studiare anche l'articolo di Foto UtenteIsidoroKZ
:D
Avatar utente
Foto UtenteTekonoris
313 3 8
Stabilizzato
Stabilizzato
 
Messaggi: 392
Iscritto il: 19 ott 2018, 10:31

0
voti

[40] Re: Filtro Passa Basso Attivo con componente Continua

Messaggioda Foto UtenteTekonoris » 20 mag 2020, 17:55

Ho ristudiato il PDF e i tuoi conti...

Vorrei farti qualche domanda:
1) Premessa:
Il procedimento prevede R1=R2=R= 1k. Per il primo blocco calcolo C1 = 4,538 uF e C2 = 0,131 uF
Potrei normalizzare C1 a 4,7 uF (per esempio) metterndo R = 965 Ohm, ma C2 diventa 0,136 uF

(Quello dopo è probabilmente uno degli errori dell'ultimo circuito).
Se uso R1 e R2 diversi: R2 = 1312 Ohm -> C2 = 100 nF (Avevo letto che bastava mantenere costante il prodotto C * R).
Ottengo una G = 3,389 al posto della calcolata G = 2,941 ...

Domanda: E' corretto ? o devo per forza mettere C in parallelo fino a ottenere il valore calcolato?
Domanda: Se come immagino non posso modificare le G, come posso normalizzare i Condensatori ai valori standard?

2) Premessa :
Ho letto che se il fattore di merito dell'intero filtro è 0,707 , la risposta fino alla Fc è piatta (tranne il ripple) e poi inizia ad attenuare.
Se i valori sono superiori, ho la Gobba in prossimità della Fc. (questo è quello che volevo ottenere ed è la causa della componente continua più alta).
In sostanza il Guadagno intorno alla Fc è in relazione al Fattore di merito.

Provando con il simulatore a modificare il Q del primo blocco, ottengo una modifica del Picco. (mantengo il prodotto RC costante)
La stessa simulazione avevo fatto per l'ultimo circuito, ma purtroppo non ho ottenuto il risultato voluto.
In quel caso modificavo solo la R perché il C è difficile da modificare.
La differenza è che nel mio la Q1 è minore della Q2, nel tuo, sono invertiti.

Domanda: Che calcoli devo fare per ottenere questo effetto ?
Domanda: c'è una formula che mi mette in relazione i due Q calcolati per verificare il "famoso" 0,707 ?

Ovviamente non ho finito neanche lontanamente di studiare. Stò cercando qualche documento/libro che mi spieghi come fare. Non vorrei abusare del tuo aiuto, se hai qualche consiglio / suggerimento / link è sempre ben accetto.
Grazie
Avatar utente
Foto UtenteTekonoris
313 3 8
Stabilizzato
Stabilizzato
 
Messaggi: 392
Iscritto il: 19 ott 2018, 10:31

PrecedenteProssimo

Torna a Elettronica generale

Chi c’è in linea

Visitano il forum: Google Adsense [Bot] e 99 ospiti