Oggi volevo misurare (misurare è una parola grossa... valutare) la banda passante di un premaplificatore per fotodiodo (amplificatore a transimpedenza).
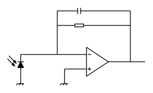
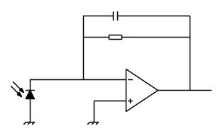
Ho messo in piedi questo setup:
Il driver pilota il LED in corrente, in modo da avere un output luminoso proporzionale alla tensione sinusoidale.
Il generatore di sweep triggera l'oscilloscopio. La base dei tempi di quest'ultimo è impostata in modo che una scansione equivalga alla durata di uno sweep.
L'amplificatore a transimpedenza (TIA) è un classico:
Il motivo del tutto è che sto debuggando un circuito fatto da un'altra persona. In teoria il circuito non dovrebbe funzionare, ma funziona
Il fotodiodo è un SFH213, quindi con 11 pF di capacità parassita.
La transimpedenza è (udite udite!) 100M.
La capacità di compensazione è semplicemente omessa.
L'opamp è un LTC6240. Come bias fenomenale, ma ha un GBP di 18 MHz. Il segnale che misuriamo ha 6 kHz. Con un gain di 100000000 non dovrebbe passare piú nulla, invece il segnale c'è.
Facendo uno sweep da 100 Hz a 10 kHz si vede quello che ci si aspetta: l'ampiezza decresce. Non ho informazioni quantitative, di venerdì pomeriggio non ne ho voglia
Secondo round: stessa configurazione ma diminuiamo il gain a 10M, mettiamo 4.7pF di compensazione ma soprattutto sostituisco l'opamp. Con un ADA4817-1 da 1 GHz di GBP mi aspetterei una banda passante ben piú piatta.
Invece, a parte un altro valore dovuto alla diversa amplificazione, l'envelope era identica.
In scala log-log la decrescita di ampiezza era presoché lineare, quindi direi che non abbiamo poli tra 100 Hz e 10 kHz.
Domanda 1: perché un amplificatore con 18 MHz di GBP funziona a 6 kHz con una transimpedenza di 100M?
Domanda 2: cosa potrebbe essere il fattore limitante che si mangia tutta la banda?
Boiler

Elettrotecnica e non solo (admin)
Un gatto tra gli elettroni (IsidoroKZ)
Esperienza e simulazioni (g.schgor)
Moleskine di un idraulico (RenzoDF)
Il Blog di ElectroYou (webmaster)
Idee microcontrollate (TardoFreak)
PICcoli grandi PICMicro (Paolino)
Il blog elettrico di carloc (carloc)
DirtEYblooog (dirtydeeds)
Di tutto... un po' (jordan20)
AK47 (lillo)
Esperienze elettroniche (marco438)
Telecomunicazioni musicali (clavicordo)
Automazione ed Elettronica (gustavo)
Direttive per la sicurezza (ErnestoCappelletti)
EYnfo dall'Alaska (mir)
Apriamo il quadro! (attilio)
H7-25 (asdf)
Passione Elettrica (massimob)
Elettroni a spasso (guidob)
Bloguerra (guerra)





instead of
(Anonimo).
ain't
, right?
in lieu of
.
for
arithm.


D
è la resistenza di retroazione e
la capacità del fotodiodo (in realtà bisogna aggiungere anche la capacità d'ingresso dell'op amp, qualche pF). Quell'espressione sopra può anche essere scritta come


e questo, con un GBP di 18 MHz, porta la banda intorno alla decina di kHz (dipende molto dalla capacità parassita della resistenza da 100 MΩ che influenza il Q del circuito: la frequenza di taglio scritta prima vale per Q = 0.7).
(11 pF di diodo + 9 pF op amp tra capacità differenziale e modo comune)
(Prodotto banda-guadagno dell'op amp. Nota però che quell'op amp non è ben approssimabile come un integratore perché la fase fa un po' casino, è una cosa tipica degli op amp ad alta velocità)
aggiungono un polo e uno zero al guadagno d'anello di frequenza



che ti ho scritto in [6] vale solo se l'amplificatore è compensato per un Q di 0.7. Quanto vale la frequenza di taglio se il Q è più basso? Be', diventa moooolto più bassa. Non è difficile dimostrare (solo una gran palla) che quando
si ha