
Alimentazione di soccorso per IP cam
Moderatori:
carloc,
g.schgor,
BrunoValente,
IsidoroKZ
14 messaggi
• Pagina 1 di 2 • 1, 2
0
voti
ciao a tutti, ho intenzione di installare delle ip cam wi-fi della sricam sono alimentate a 5 V 2 A la cam ha un consumo di 3 Watt volevo un sistema per alimentarle anche in caso di blackout. avete delle idee 

0
voti
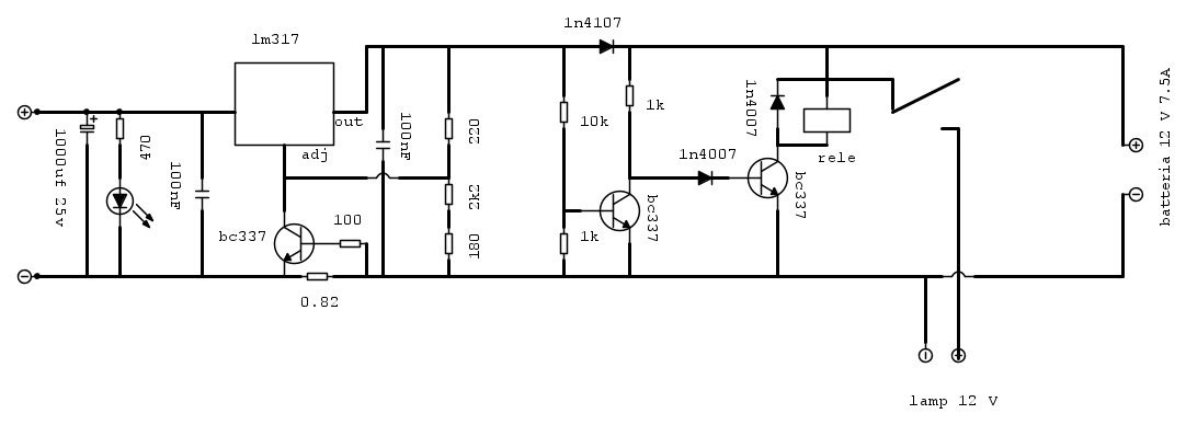
ciao tempo fa ho fatto dei circuiti come lampade di emergenza partendo da un caricabatterie con lm 317 pensavo di fare la stessa cosa
0
voti
lo schema che ho realizzato è questo pero' poi ho messo un trimmer al posto delle resistenze per avere possibilita' ti variare la tensione per la carica
0
voti
si collegano tramite cavo di rete per configurare la cam poi funziona in wi-fi usando modem router per metterla in rete e con lo smatrphone poi guardare
0
voti
il modem router è sotto UPS in quanto ho un impianto di allarme in rete
14 messaggi
• Pagina 1 di 2 • 1, 2
Chi c’è in linea
Visitano il forum: Nessuno e 164 ospiti

Elettrotecnica e non solo (admin)
Un gatto tra gli elettroni (IsidoroKZ)
Esperienza e simulazioni (g.schgor)
Moleskine di un idraulico (RenzoDF)
Il Blog di ElectroYou (webmaster)
Idee microcontrollate (TardoFreak)
PICcoli grandi PICMicro (Paolino)
Il blog elettrico di carloc (carloc)
DirtEYblooog (dirtydeeds)
Di tutto... un po' (jordan20)
AK47 (lillo)
Esperienze elettroniche (marco438)
Telecomunicazioni musicali (clavicordo)
Automazione ed Elettronica (gustavo)
Direttive per la sicurezza (ErnestoCappelletti)
EYnfo dall'Alaska (mir)
Apriamo il quadro! (attilio)
H7-25 (asdf)
Passione Elettrica (massimob)
Elettroni a spasso (guidob)
Bloguerra (guerra)


