buonasera a tutti, ho un piccolo problema con dei transistor
facendo la simulazione funziona pero quando vado a realizzarlo non funziona (i led non si accendono )
mi potete dire dire sto sbagliando
grazie a tutti
funzionamento transistor
Moderatori:
carloc,
g.schgor,
BrunoValente,
IsidoroKZ
19 messaggi
• Pagina 1 di 2 • 1, 2
0
voti
Chiedo scusa per il schifosetto
I due led si dovrebbero accendere insieme (chiudendo il primo interruttore si dovrebbero accendere al 50%) e con il secondo un po' di più
I due led si dovrebbero accendere insieme (chiudendo il primo interruttore si dovrebbero accendere al 50%) e con il secondo un po' di più
0
voti
Un dispositivo ottico
E in base alla tensione che gli arriva dovrebbe accadere i due led
E in base alla tensione che gli arriva dovrebbe accadere i due led
0
voti
Colore dei led? Con solo 3 V di alimentazione e quel circuito, led bianchi o blu non si possono accendere.
Big fan of ⋮ƎlectroYou! Ausili per disabili e anziani su ⋮ƎlectroYou
Caratteri utili: À È É Ì Ò Ó Ù α β γ δ ε η θ λ μ π ρ σ τ φ ω Ω º ª ² ³ √ ∛ ∜ ₀ ₁ ₂ ₃ ₄ ₅ ₆ ∃ ∄ ∆ ∈ ∉ ± ∓ ∾ ≃ ≈ ≠ ≤ ≥
Caratteri utili: À È É Ì Ò Ó Ù α β γ δ ε η θ λ μ π ρ σ τ φ ω Ω º ª ² ³ √ ∛ ∜ ₀ ₁ ₂ ₃ ₄ ₅ ₆ ∃ ∄ ∆ ∈ ∉ ± ∓ ∾ ≃ ≈ ≠ ≤ ≥
0
voti
hai misurato la tensione e la corrente dei led nella tua realizzazione?
-

lacoontfreed
140 1 1 3 - Frequentatore

- Messaggi: 100
- Iscritto il: 3 nov 2019, 8:20
0
voti
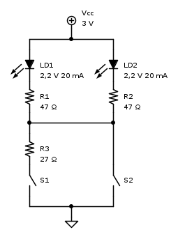
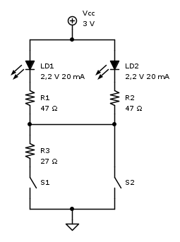
Così dovrebbe funzionare, senza usare transistor:
Chiudendo S1 i LED si accendono a metà luminosità (circa), chiudendo S2 si accendono al massimo (circa).
La corrente che attraversa i LED dipende fortemente dalla stabilità della tensione di alimentazione.
Se i 3 V vengono da una pila, la luminosità diminuirà via via che questa si scarica.
Se vuoi una luminosità più stabile (quanto stabile?) ci vuole un circuito diverso.
Spiega quello che vuoi fare, se no è difficile aiutarti.
Chiudendo S1 i LED si accendono a metà luminosità (circa), chiudendo S2 si accendono al massimo (circa).
La corrente che attraversa i LED dipende fortemente dalla stabilità della tensione di alimentazione.
Se i 3 V vengono da una pila, la luminosità diminuirà via via che questa si scarica.
Se vuoi una luminosità più stabile (quanto stabile?) ci vuole un circuito diverso.
Spiega quello che vuoi fare, se no è difficile aiutarti.
Big fan of ⋮ƎlectroYou! Ausili per disabili e anziani su ⋮ƎlectroYou
Caratteri utili: À È É Ì Ò Ó Ù α β γ δ ε η θ λ μ π ρ σ τ φ ω Ω º ª ² ³ √ ∛ ∜ ₀ ₁ ₂ ₃ ₄ ₅ ₆ ∃ ∄ ∆ ∈ ∉ ± ∓ ∾ ≃ ≈ ≠ ≤ ≥
Caratteri utili: À È É Ì Ò Ó Ù α β γ δ ε η θ λ μ π ρ σ τ φ ω Ω º ª ² ³ √ ∛ ∜ ₀ ₁ ₂ ₃ ₄ ₅ ₆ ∃ ∄ ∆ ∈ ∉ ± ∓ ∾ ≃ ≈ ≠ ≤ ≥
19 messaggi
• Pagina 1 di 2 • 1, 2
Chi c’è in linea
Visitano il forum: Nessuno e 253 ospiti

Elettrotecnica e non solo (admin)
Un gatto tra gli elettroni (IsidoroKZ)
Esperienza e simulazioni (g.schgor)
Moleskine di un idraulico (RenzoDF)
Il Blog di ElectroYou (webmaster)
Idee microcontrollate (TardoFreak)
PICcoli grandi PICMicro (Paolino)
Il blog elettrico di carloc (carloc)
DirtEYblooog (dirtydeeds)
Di tutto... un po' (jordan20)
AK47 (lillo)
Esperienze elettroniche (marco438)
Telecomunicazioni musicali (clavicordo)
Automazione ed Elettronica (gustavo)
Direttive per la sicurezza (ErnestoCappelletti)
EYnfo dall'Alaska (mir)
Apriamo il quadro! (attilio)
H7-25 (asdf)
Passione Elettrica (massimob)
Elettroni a spasso (guidob)
Bloguerra (guerra)








