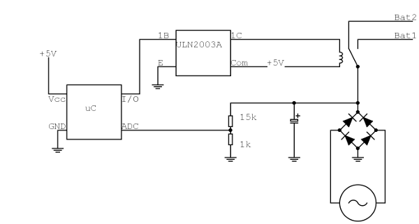
corretto il simbolo della dinamo...
..
Moderatori:
carloc,
g.schgor,
BrunoValente,
IsidoroKZ
..

instead of
(Anonimo).
ain't
, right?
in lieu of
.
for
arithm.

DirtyDeeds ha scritto:RenzoDF ha scritto:ma che e' 'sta dynamo ?
Tsk tsk... da te Renzo non me lo sarei mai aspettato


RenzoDF ha scritto:... ma scusate ... la dynamo e' un generatore in alternata?
oslinux ha scritto:... in realtà è un alternatore collegato ad un ponte raddrizzatore e un condensatore per livellare

RenzoDF ha scritto:oslinux ha scritto:... in realtà è un alternatore collegato ad un ponte raddrizzatore e un condensatore per livellare
con i catodi dei diodi collegati in quel modo ?... stasera devo aver bevvuto un bicchiere di troppo

Visitano il forum: Nessuno e 138 ospiti