Cos'è ElectroYou | Login Iscriviti

ElectroYou - la comunità dei professionisti del mondo elettrico

Oscillatore con LM311

Elettronica lineare e digitale: didattica ed applicazioni

Moderatori: Foto Utentecarloc, Foto Utenteg.schgor, Foto UtenteBrunoValente, Foto UtenteIsidoroKZ

0
voti

[11] Re: Oscillatore con LM311

Messaggioda Foto Utentesimo85 » 6 ott 2011, 0:09

Conosci FidoCad, usalo. Io cancellerei quell'immagine da cui non si capisce niente..
i concetti che hai esposto li conoscevo

Allora non capisco i dubbi se poi riesci a tradurre.
a me servirebbe un oscillatore che generi un segnale con frequenza variabile in relazione ad una induttanza variabile

Si era già aperto un post con questa richiesta, sono andato a cercalo ed eccolo qui, lo avevi aperto tu stesso.
Io continuerei lì.
Avatar utente
Foto Utentesimo85
30,9k 7 12 13
Disattivato su sua richiesta
 
Messaggi: 9927
Iscritto il: 30 ago 2010, 4:59

0
voti

[12] Re: Oscillatore con LM311

Messaggioda Foto Utentedarkweader » 6 ott 2011, 0:18

Praticamente, quello che mi hai spiegato tu, si mi è utile, ma non risponde a nessuna delle domande che ho posto in quel papello di cose che ho scritto sopra,

i dubbi a cui io mi riferisco sono quelli nel post più lungo scritti in grassetto.

Non ho continuato il post in quanto, questo voleva essere finalizzato a capire il funzionamento dell'oscillatore con LM311 una volta capito, e potendo fare scelte adeguate sul dimensionamento dei componenti avrei continuato li.

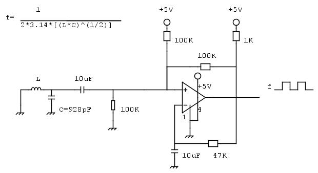
Lo schema che ho postato ora, è quello dell'immagine oscena che avevo messo in precedenza,
è lo stesso circuito dimensionato in modo differente, che ho preso dallo schema di un LCmeter, colui che lo ha realizzato ha aggiunto prima del Condensatore C1( riferito al primo schema, primo post)
una induttanza , che dovrebbe essere quella variabile, ed una capacità C,

si può considerare questo un Oscillatore LC?

LM311.jpg
LM311.jpg (16.8 KiB) Osservato 4436 volte



tuttavia non avendo chiare le domande che ho posto prima mi fermo qui,
spero di essere stato più chiaro, non mi interessa per ora entrare nell'ottica del convertitore, voglio solo realizzare un segnale, preferilmente un onda quadra, che abbia una frequenza variabile in funzione di quella induttanza L che è stata aggiunta in questo ultimo schema.

spero di essere stato chiaro, grazie ancora cm sempre...
Avatar utente
Foto Utentedarkweader
61 2 7
Frequentatore
Frequentatore
 
Messaggi: 271
Iscritto il: 8 mag 2011, 17:32

1
voti

[13] Re: Oscillatore con LM311

Messaggioda Foto Utentesimo85 » 6 ott 2011, 3:27

Per riportare lo schema in FidoCad nel post devi racchiudere il listato tra i tag fcd, li trovi tra Colore del testo e metacafe.
Quando sei nella finestra di FidoCad selezioni il tutto con Ctrl A, copi con Ctrl C e qui lo incollo racchiudendolo nei tag. Alternativamente, da FidoCad vai su Circuit > View Code, copi ed incolli qui il codice. Ma il primo metodo è più sbrigativo.
Per un esempio chiaro di strutturazione del messaggio puoi cliccare su "cita" al messaggio [9].
Proseguiamo.
darkweader ha scritto:LM311 abbia un'alta impedenza d'uscita significa che il transistor d'uscita ha una elevata impedenza, in che modo questo si collega al fatto che il transistor sia spento?

Il transistore essendo spento non può assorbire corrente, il comportamento è analogo ad uno switch aperto quindi è ovvio che l'impedenza è altamente elevata. Come ti ripeto, un open collector lo puoi usare solo per l'assorbimento di corrente in caso che il transistore sia acceso.
Immagino tu conosca già il concetto di Pull-Up o Pull-Down Resistor.
50 \text{mA} in questo caso è il valore massimo della corrente di assorbimento. Meglio non avvicinarsi mai ai valori massimi.
Per i calcoli delle tensioni ai nodi dovresti rivedere le formule dei link per fare i calcoli.
leggevo prima il link sui comparatori in cui l'isteresi è realizzata tramire una retrozione negativa

No.
Schmitt triggers are commonly implemented using an operational amplifier or the more dedicated comparator. An open-loop op-amp and comparator may be considered as an analog-digital device having analog inputs and a digital output that extracts the sign of the voltage difference between its two inputs. The positive feedback is applied by adding a part of the output voltage to the input voltage in series or parallel manner

Pure nell'ultimo link riportato
This relaxation oscillator is a hysteretic oscillator, named this way because of the hysteresis created by the positive feedback loop implemented with the comparator.

Immagino che ti sia confuso, perché fra positive & negative c'è differenza.
1 - se siamo in DC i condensatori non si dovrebbero considerare dei circuiti aperti?
2 - come dimensioniamo i Resistori? in base a quali considerazioni
3 - cosa cambia dimensionando in modo differente?
4 - a cosa serve C1?
5 - perché il pin 4 e il pin 1 devono essere cortocircuitati

1) In quel circuito non hai tensione negativa rispetto a 0V. I pin di alimentazione negativa dell'integrato sono collegati al potenziale di riferimento (\approx 0V).
2 & 3) Ti rimando ai link.
4) C1 immagino serva da filtro per l'alimentazione. È pratica comune mettere un condensatore tra l'alimentazione e 0V. In quel circuito non gli attribuisco nessun'altra funzione.
5) Il Pin 1 è il ground o potenziale di riferimento, mentre il pin 4 è l'alimentazione negativa. Lasciare quest'ultimo pin a vuoto può causare problemi, in più lo consiglia il datasheet negli schemi di esempio.

Riguardo l'ultimo schema, non lo conosco e dirti se è affidabile o che funzioni si o no, non ne sono certo, quindi preferisco non dire niente e mi sembra la cosa più corretta, a parte che l'induttanza a quanto vedo non è variabile.
Capisco la tua incertezza, forse qualche guru del forum ti può dare risposte più sicure.
Dove hai reperito quello schema? Puoi riportare un link dell' LC meter?
Inutile dire che è consigliabile imparare o migliorare l'inglese.

Comunque, hai mai pensato ad un oscillatore sinusoidale con induttanza (e di conseguenza anche la frequenza) variabile? Forse tali caratteristiche non coincidono con i tuoi requisiti..
Magari l'LM2917 ti può essere utile.
Se ti interessa fare qualcosa con i microcontrollori, vedi questa Application Note della Microchip.
Avatar utente
Foto Utentesimo85
30,9k 7 12 13
Disattivato su sua richiesta
 
Messaggi: 9927
Iscritto il: 30 ago 2010, 4:59

0
voti

[14] Re: Oscillatore con LM311

Messaggioda Foto Utentedarkweader » 6 ott 2011, 16:57

Grazie 1000,
ora ho capito come fa a portare l'uscita livello basso, prima pensavo che la corrente fosse fornita (50mA), anche se lo avevi spiegato, ora ho capito che viene assorbita e quindi è tutto l'opposto di quello che avevo ipotizzato.

La risposta "1" che mi hai dato, non l'ho capita...

lo schema completo l'ho reperito su youtube, e poi dal blog del realizzatore, se volete lo posto i link...

L'inglese sto già provvedendo a migliorarlo, era solo tanto tempo che l'avevo abbandonato, ma grazie per il consiglio, poi inglese tecnico, ovvero sopratutto i termini più utilizzati sono tre anni che non li rivedo, anchese non si dovrebbero mai dimenticare...

Avevo abbandonato l'idea dell'oscillatore sinusoidale, perché inizialmente stavo seguendo un'altra strada e poi sono rimasto sull'onda quadra, gli unici requisiti di cui necessito è , come detto in precedenza solamente far funzionare correttamente il circuito per un range di valori di induttanza, che è abbastanza ampio...per il resto non posso utilizzare microcontrollori...anche se più in la il link che mi hai postato potrebbe essermi utile...

LM2917 sembre nell'ottica di oscillazione sinusoidale?
Ineffetti non dovrebbe cambiare molto se usassi un segnale sinusoidale o un'onda quadra, ma perché secondo te utilizzare una soluzione anzichè un'altra?
tralasciando il fatto che il circuito postato funzioni o meno...


Mi chiedevo se era possibile, modificare i vari messeggi e sistemare le cose sbagliate, cosi la pagina rimane pulita, cn gli schemi e informazioni corrette, magari anche per qualcun altro, perkè non riesco a modificare più nulla
Avatar utente
Foto Utentedarkweader
61 2 7
Frequentatore
Frequentatore
 
Messaggi: 271
Iscritto il: 8 mag 2011, 17:32

1
voti

[15] Re: Oscillatore con LM311

Messaggioda Foto Utentesimo85 » 6 ott 2011, 20:15

darkweader ha scritto:La risposta "1" che mi hai dato, non l'ho capita...

Per ottenere una tensione negativa in output inferiore a 0V con quel comparatore, come minimo il pin 4 andrebbe collegato ad una tensione negativa rispetto a 0V (Gnd), così

gli unici requisiti di cui necessito è , come detto in precedenza solamente far funzionare correttamente il circuito per un range di valori di induttanza

Se il tuo requisito è ben differente dall' ottenere un valore di frequenza strettamente relazionato con il valore di una induttanza (esempio se L = 2.2 \mu H \,\, f = 2.2MHz) puoi cercare un oscillatore LC a frequenza variabile (VFO). Se tu catturi la frequenza con un microcontrollore, attraverso ad una tabella di valori da te impostata, puoi ricavare il valore dell'induttanza che avrai anteriormente calcolato e così via... Per fare questo ti potrebbe bastare un frequenzimetro fatto con un microcontrollore, dove ovviamente dovresti scrivere il firmware, il che implica che tu sappia programmare ed abbia maturato una certa esperienza con il dispositivo.
Progetti in rete ce ne sono tanti, io ne ho uno qui con me, dovresti solo tradurre un po' di spagnolo, in più il firmware è scritto in Assembly e non è commentato..
Vedi tu, pensa bene a quello che vuoi fare, e se ti interessa..

Mi chiedevo se era possibile, modificare i vari messeggi.

Se non l'ha fatto nessun moderatore non credo sia necessario.
Avatar utente
Foto Utentesimo85
30,9k 7 12 13
Disattivato su sua richiesta
 
Messaggi: 9927
Iscritto il: 30 ago 2010, 4:59

0
voti

[16] Re: Oscillatore con LM311

Messaggioda Foto Utentedarkweader » 6 ott 2011, 21:04

Non capivo il senso della risposta "1" poiché pensavo fosse riferita alla domanda
"essendo in DC non dovremmo considerare i condensatori come circuiti aperti?"

Per quanto riguarda l'utilizzo di un microcontrollore, non posso utilizzarlo, magari visto che bene o male ho capito il funzionamento dell'oscillatore cn LM311 continuo l'argomento sul thread già aperto

comunque giusto se può interessarti, devo realizzare questo convertitore induttanza/tensione, di cui comunque nn ne capisco il senso pratico, cioè se io ho una induttanza il valore di tensione associabile può dipendera di infinite cose...mentre ad esempio in un convertitore tensione/frequenza la situazione è già differente...

in ogni caso ho pensato che il rapporto tra la tensione in uscita dal mio circuito e il valore di induttanza, deve essere il più lineare possibile...
quindi pensavo di realizzarlo attraverso due "stadi"Oscillatore "LC" e Convertitore f/V,il primo deve generare un segnale in cui la relazione L/f sia lineare, e poi un convertitore f/V però ovviamente poi devo analiticamente in relazioni alle formule del mio circuito determinare il valore di tensione.


Nello schema la frequenza caratteristica dell'onda quadra è questa f=1/[2*3,14*(l*c)^(1/2)] e volevo capirne il perché, tuttavia mettendo un segnale del genere in ingresso ad un convertitore f/V non saprei cosa aspettarmi e come risalire al valore di tensione...


La stessa relazione (di frequenza del segnale generato) l'ho trovata nell'oscillatore di Clapp, ma si mantiene inalterata (nel senso legata a quella formula) solo per fattori di qualità Q maggiori diun certo valore, e non sono riuscito a capire,come, variare l'induttanza all'interno di tale circuito (poiché L deve essere variabile) possa influire su questo fattore.
Avatar utente
Foto Utentedarkweader
61 2 7
Frequentatore
Frequentatore
 
Messaggi: 271
Iscritto il: 8 mag 2011, 17:32

0
voti

[17] Re: Oscillatore con LM311

Messaggioda Foto Utentesimo85 » 6 ott 2011, 21:59

darkweader ha scritto:"essendo in DC non dovremmo considerare i condensatori come circuiti aperti?"

Ma il condensatore si considera un circuito aperto in DC se è collegato in serie, si chiama Coupling Capacitor (condensatore di accoppiamento) ed infatti si usa solo per circuiti che lavorano con segnali di tensione e corrente alterna (in questi casi è vietato usare gli elettrolitici perché scoppiano e possono fare danni agli occhi se ci sei vicino!), dove il condensatore si carica e scarica di continuo etc.
Quell'oscillatore, come tanti altri oscillatori ad onda quadrata sfrutta la carica e scarica del condensatore dovuta semplicemente alla commutazione di un segnale, che avviene proprio in funzione della tensione di soglia, dove il valore di riferimento di questa è appunto la tensione al morsetto del condensatore (entrata invertente). Questo è spiegato nei link.
Se noti un morsetto del condensatore è collegato a GND. Se poi tu applichi una tensione prossima a 0V sul morsetto del condensatore, questo si scarica praticamente all'istante..
Secondo me sarebbe bene che ti studiassi un po' di elettricità ed elettrotecnica di base prima di fare cose troppo complesse.
Avatar utente
Foto Utentesimo85
30,9k 7 12 13
Disattivato su sua richiesta
 
Messaggi: 9927
Iscritto il: 30 ago 2010, 4:59

0
voti

[18] Re: Oscillatore con LM311

Messaggioda Foto Utentedarkweader » 7 ott 2011, 0:55

"Se noti un morsetto del condensatore è collegato a GND. Se poi tu applichi una tensione prossima a 0V sul morsetto del condensatore, questo si scarica praticamente all'istante.."

penso di aver capito,
come in un inverter Cmos

L'informazione è mantenuta all'interno di un condensatore, la rete di pull-up, lo carica, quando è attiva la rete di pull douwn,inve, questo si scarica attraverso il MOS

ritornando al circuito, quando il potenziale ad uno dei morsetti del condensatore si abbassa ( si avvicina a 0V) il condensatore C2 si scarica... ma non dovrebbe scaricarsi attraverso un componente? (tipo una resistenza) cioè l'energia che era immagazzinata dove finisce?

dopo questo giuro che non scrivo più nulla e vado a prendermi un libro di elettrotecnica...notte a tutti
Avatar utente
Foto Utentedarkweader
61 2 7
Frequentatore
Frequentatore
 
Messaggi: 271
Iscritto il: 8 mag 2011, 17:32

1
voti

[19] Re: Oscillatore con LM311

Messaggioda Foto Utentesimo85 » 7 ott 2011, 4:02

darkweader ha scritto:il condensatore C2 si scarica... ma non dovrebbe scaricarsi attraverso un componente?

Si, si scarica attraverso la resistenza.
dopo questo giuro che non scrivo più nulla e vado a prendermi un libro di elettrotecnica

Come ti avevo già scritto in PM, mi dispiace se sono stato offensivo. Non era assolutamente una mia intenzione e mi sembra corretto scriverlo anche qui.
Ho cercato di dare un consiglio (ed avrei dovuto specificarlo), senza cattive intenzioni e senza voler sminuire il prossimo. Cerco sempre di essere il più gentile possibile, lì ho fallito. Ti chiedo scusa.
Il punto è che se hai difficoltà a capire il comportamento di un condensatore (perché non te lo ricordi o altri motivi) sarebbe bene a questo punto fare un ripasso sul loro comportamento in DC & AC, e perché no anche degli induttori, (calcolarne le reattanze etc.) visto che il tuo obbiettivo richiede queste conoscenze.
Non escludo che ogni tanto il ripasso me lo devo fare pure io :-)
Nell'occasione ti lascio qualche link utile che ho trovato in rete:
Condensatori
RLC
Adattamento di un carico ad alta frequenza
96 Pagine di esercizi svolti di elettrotecnica
Se il tuo inglese fosse migliore, forse sarei stato molto più generoso.
Come ti ripeto, nel post che avevi aperto ti avevano risposto degli ottimi aiutanti.
Ciao!
Avatar utente
Foto Utentesimo85
30,9k 7 12 13
Disattivato su sua richiesta
 
Messaggi: 9927
Iscritto il: 30 ago 2010, 4:59

0
voti

[20] Re: Oscillatore con LM311

Messaggioda Foto Utentedarkweader » 7 ott 2011, 12:28

grazie ancora...
c'è sempre tempo per recuperare e imparare cose nuove...
una saluto a tutti, continuerò sul thread del convertitore induttanza/tensione, ogni tanto passa!
Avatar utente
Foto Utentedarkweader
61 2 7
Frequentatore
Frequentatore
 
Messaggi: 271
Iscritto il: 8 mag 2011, 17:32

PrecedenteProssimo

Torna a Elettronica generale

Chi c’è in linea

Visitano il forum: Majestic-12 [Bot] e 57 ospiti