Per la soluzione è qui, basta riuscire a vederla ................
K
Moderatori:
carloc,
g.schgor,
BrunoValente,
IsidoroKZ


marco438 ha scritto:mikydrummer ha scritto:chiedevo se c'era qualche modo per renderlo, senza agire sul circuito interno, un voltmetro da 20 volt e un amperometro da 2 ampere.
No.
mikydrummer ha scritto:ok, allora credo si possa chiudere.
instead of
(Anonimo).
ain't
, right?
in lieu of
.
for
arithm.

instead of
(Anonimo).
ain't
, right?
in lieu of
.
for
arithm.

instead of
(Anonimo).
ain't
, right?
in lieu of
.
for
arithm.



mikydrummer ha scritto:dal ponte? che ponte?
mikydrummer ha scritto:gli out sono le boccole di uscita dell'ali? suppongo di si
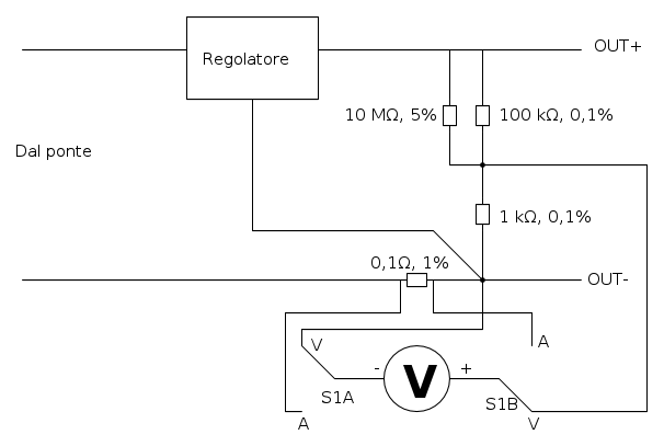
mir ha scritto:a proposito del deviatore doppio credo che sia così....DirtyDeeds permettendo...![]()
instead of
(Anonimo).
ain't
, right?
in lieu of
.
for
arithm.

Visitano il forum: Nessuno e 55 ospiti