(Alimentare un PIC con partorire di tensione
Moderatori:
carloc,
g.schgor,
BrunoValente,
IsidoroKZ
29 messaggi
• Pagina 2 di 3 • 1, 2, 3
0
voti
Dalle porte del PIC usciranno massimo 50mA contemporaneamente. Il mio problema, nel dimensionare il circuito con zener, è calcolare la resistenza Rs che sta fra input e catodo dello zener, poiché non conosco la resistenza equivalente del PIC, ovvero la RL.
0
voti
...se hai uno zener, non è che per caso hai anche un transistor?
uno zener da 5,6V, una R da 1k e un NPN anche scadente ed il problema l'hai risolto...
uno zener da 5,6V, una R da 1k e un NPN anche scadente ed il problema l'hai risolto...
_______________________________________________________
Gli oscillatori non oscillano mai, gli amplificatori invece sempre
Io HO i poteri della supermucca, e ne vado fiero!
Gli oscillatori non oscillano mai, gli amplificatori invece sempre
Io HO i poteri della supermucca, e ne vado fiero!
0
voti
g.schgor ha scritto:Leggi questo
Grazie infinite! Un ottima spiegazione del problema che mi aveva fatto notare Russel!
obiuan ha scritto:...se hai uno zener, non è che per caso hai anche un transistor?
uno zener da 5,6V, una R da 1k e un NPN anche scadente ed il problema l'hai risolto...
Ciao obiuan! Si, di npn ne ho una valanga, soprattutto BC548!
D4
voti
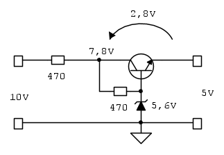
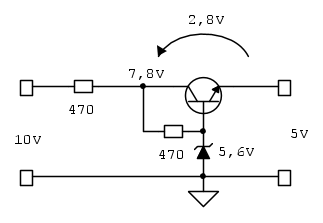
così nello zener vanno circa 4,5mA, la base mal che ti vada per 100mA di carico assorbe 800uA, ma tipicamente molto meno, quindi la tensione la ottieni stabilizzata. Se sei a batteria e ti secca buttar via corrente, le due R le puoi mettere anche da 1k, ma devi stare attento allo zener che hai e a che corrente vuole per polarizzarsi bene.
_______________________________________________________
Gli oscillatori non oscillano mai, gli amplificatori invece sempre
Io HO i poteri della supermucca, e ne vado fiero!
Gli oscillatori non oscillano mai, gli amplificatori invece sempre
Io HO i poteri della supermucca, e ne vado fiero!
0
voti
Grazie infinite obiuan!
adesso me lo studio per bene e parto alla ricerca dello zener!
Che ne dici, un classico BZX andrebbe bene? Ovviamente verifico la massima potenza da esso dissipabile, anche se non penso proprio che in questo caso sarà un problema.
Che ne dici, un classico BZX andrebbe bene? Ovviamente verifico la massima potenza da esso dissipabile, anche se non penso proprio che in questo caso sarà un problema.
1
voti
devi controllare con quale corrente è caratterizzato. Se dal datasheet ti dice "5,6V a 10mA", allora devi dimensionare le due R per far passare (circa) 10mA.
poi...la 10V è stabile e precisa? perché se lo è, lo zener manco ti serve (visto che non credo tu abbia bisogno di una 5V stabile allo 0,1%)
poi...la 10V è stabile e precisa? perché se lo è, lo zener manco ti serve (visto che non credo tu abbia bisogno di una 5V stabile allo 0,1%)
_______________________________________________________
Gli oscillatori non oscillano mai, gli amplificatori invece sempre
Io HO i poteri della supermucca, e ne vado fiero!
Gli oscillatori non oscillano mai, gli amplificatori invece sempre
Io HO i poteri della supermucca, e ne vado fiero!
0
voti
obiuan ha scritto:poi...la 10V è stabile e precisa? perché se lo è, lo zener manco ti serve (visto che non credo tu abbia bisogno di una 5 V stabile allo 0,1%)
Aspetta in che senso lo zener non mi serve? La tensione di input arriverebbe da un alimentatore stabilizzato, in tal caso potrei ridurla a 5V senza zener, usando un semplice BJT?
29 messaggi
• Pagina 2 di 3 • 1, 2, 3
Chi c’è in linea
Visitano il forum: Nessuno e 133 ospiti

Elettrotecnica e non solo (admin)
Un gatto tra gli elettroni (IsidoroKZ)
Esperienza e simulazioni (g.schgor)
Moleskine di un idraulico (RenzoDF)
Il Blog di ElectroYou (webmaster)
Idee microcontrollate (TardoFreak)
PICcoli grandi PICMicro (Paolino)
Il blog elettrico di carloc (carloc)
DirtEYblooog (dirtydeeds)
Di tutto... un po' (jordan20)
AK47 (lillo)
Esperienze elettroniche (marco438)
Telecomunicazioni musicali (clavicordo)
Automazione ed Elettronica (gustavo)
Direttive per la sicurezza (ErnestoCappelletti)
EYnfo dall'Alaska (mir)
Apriamo il quadro! (attilio)
H7-25 (asdf)
Passione Elettrica (massimob)
Elettroni a spasso (guidob)
Bloguerra (guerra)






