Spegnimento graduale di un LED tramite nNE555
Moderatori:
carloc,
g.schgor,
BrunoValente,
IsidoroKZ
43 messaggi
• Pagina 2 di 5 • 1, 2, 3, 4, 5
2
voti
Si`. E con un operazionale doppio si fa anche il monostabile. La parte "buona" di quel circuito era che quando intattiva non consumava molto.
Per usare proficuamente un simulatore, bisogna sapere molta più elettronica di lui
Plug it in - it works better!
Il 555 sta all'elettronica come Arduino all'informatica! (entrambi loro malgrado)
Se volete risposte rispondete a tutte le mie domande
Plug it in - it works better!
Il 555 sta all'elettronica come Arduino all'informatica! (entrambi loro malgrado)
Se volete risposte rispondete a tutte le mie domande
0
voti
IsidoroKZ ha scritto:E con un operazionale doppio si fa anche il monostabile.
Se non ricordo male, e se non mi sbaglio, avevo fatto qualcosa del genere, tempo fa..
0
voti
IsidoroKZ ha scritto:La parte "buona" di quel circuito era che quando intattiva non consumava molto.
Infatti per questo vorrei riuscire a realizzare quello
Appena compro un tester riprenderemo l'argomento
1
voti
Cambialo cosi:
Poi se usi un MOS logic level:
Da una parte è meglio. Non assorbi corrente sul Gate.
Poi se usi un MOS logic level:
Da una parte è meglio. Non assorbi corrente sul Gate.
1
voti
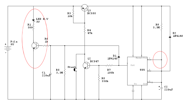
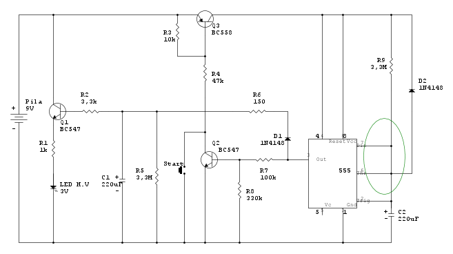
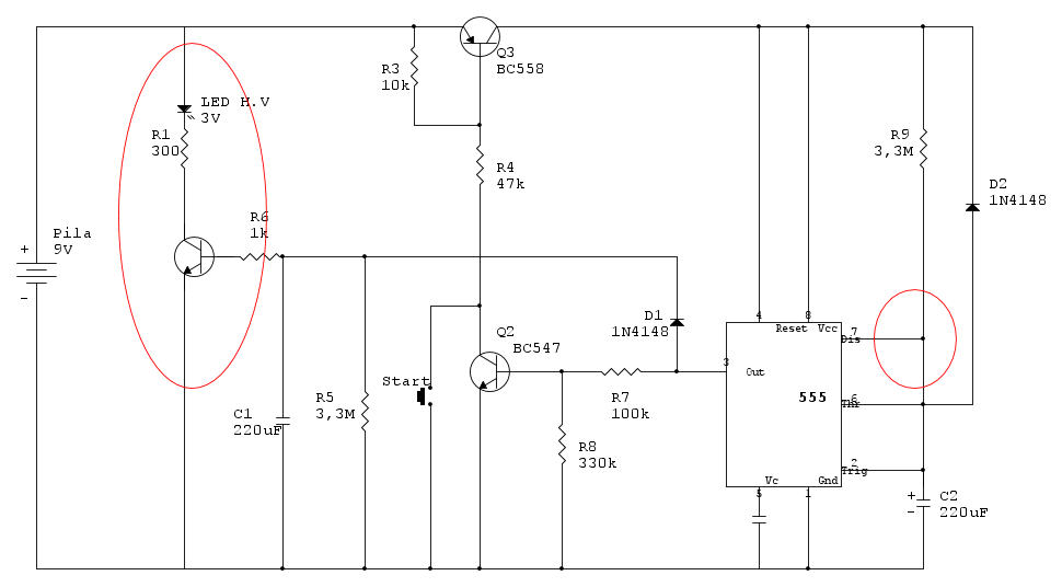
Mi è stato fatto notare molto gentilmente (grazie ancora a
IsidoroKZ) che con il BJT a emettitore comune, ed anche con il MOS a Source Comune, non avviene lo spegnimento graduale.
Effettivamente non so perché non ci ho pensato 3 o 4 volte sopra ..
Riposto quindi lo schema 'originale' di principio, con l'unica modifica sul pin 7.

Effettivamente non so perché non ci ho pensato 3 o 4 volte sopra ..
Riposto quindi lo schema 'originale' di principio, con l'unica modifica sul pin 7.

0
voti

"Non farei mai parte di un club che accettasse la mia iscrizione" (G. Marx)
-

claudiocedrone
21,3k 4 7 9 - Master EY

- Messaggi: 15303
- Iscritto il: 18 gen 2012, 13:36
0
voti
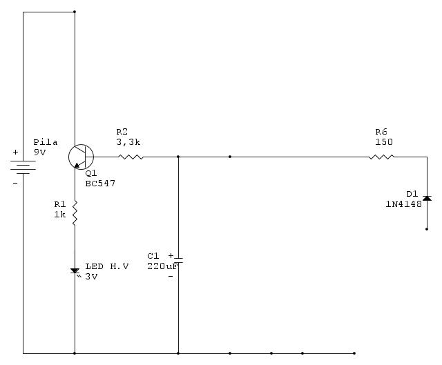
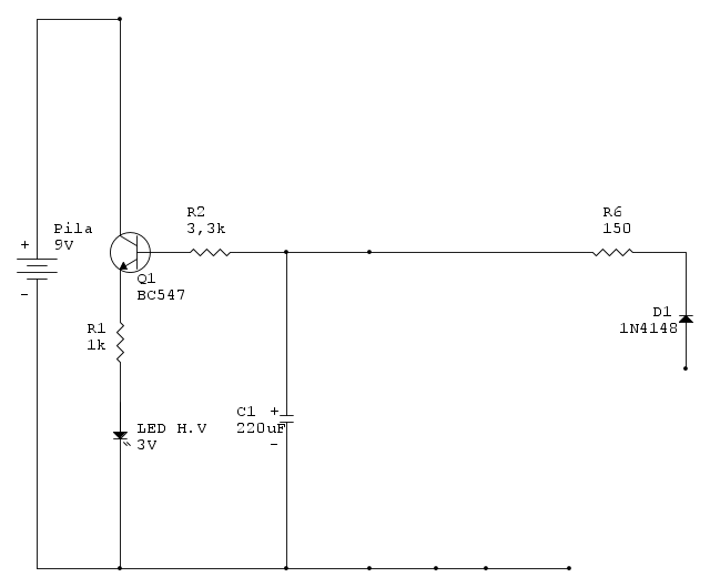
Smonta tutto e monta solo questa parte di circuito.
Poi ti dico che prove fare e vediamo come andare avanti.
Poi ti dico che prove fare e vediamo come andare avanti.
Per usare proficuamente un simulatore, bisogna sapere molta più elettronica di lui
Plug it in - it works better!
Il 555 sta all'elettronica come Arduino all'informatica! (entrambi loro malgrado)
Se volete risposte rispondete a tutte le mie domande
Plug it in - it works better!
Il 555 sta all'elettronica come Arduino all'informatica! (entrambi loro malgrado)
Se volete risposte rispondete a tutte le mie domande
1
voti
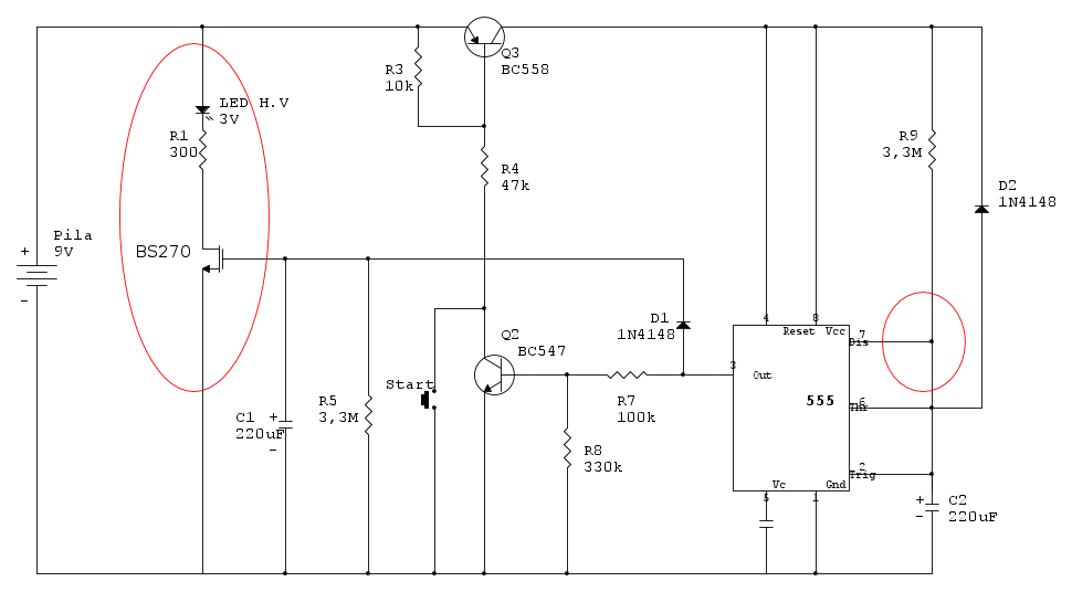
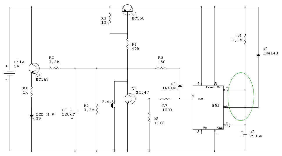
Collega l'anodo del diodo, quello che adesso e` penzoloni, al negativo e accendi il circuito. Il led dovrebbe rimanere spento.
Poi anche senza spegnere, stacca l'anodo dal negativo e collegalo al positivo. Il led dovrebbe accendersi a piena luce. Ti va bene la luce che fa? Troppo forte o troppo debole?
Sempre senza staccare l'alimentazione, ricollega l'anodo del diodo al negativo. Il led dovrebbe spegnersi gradualmente. Va bene il tempo di spegnimento?
Quando sposti il collegamento del diodo, non prendere il terminale del diodo fra le dita. Meglio spostare il collegamento usando un filo isolato e spostando quello.
Poi anche senza spegnere, stacca l'anodo dal negativo e collegalo al positivo. Il led dovrebbe accendersi a piena luce. Ti va bene la luce che fa? Troppo forte o troppo debole?
Sempre senza staccare l'alimentazione, ricollega l'anodo del diodo al negativo. Il led dovrebbe spegnersi gradualmente. Va bene il tempo di spegnimento?
Quando sposti il collegamento del diodo, non prendere il terminale del diodo fra le dita. Meglio spostare il collegamento usando un filo isolato e spostando quello.
Per usare proficuamente un simulatore, bisogna sapere molta più elettronica di lui
Plug it in - it works better!
Il 555 sta all'elettronica come Arduino all'informatica! (entrambi loro malgrado)
Se volete risposte rispondete a tutte le mie domande
Plug it in - it works better!
Il 555 sta all'elettronica come Arduino all'informatica! (entrambi loro malgrado)
Se volete risposte rispondete a tutte le mie domande
43 messaggi
• Pagina 2 di 5 • 1, 2, 3, 4, 5
Chi c’è in linea
Visitano il forum: Nessuno e 42 ospiti

Elettrotecnica e non solo (admin)
Un gatto tra gli elettroni (IsidoroKZ)
Esperienza e simulazioni (g.schgor)
Moleskine di un idraulico (RenzoDF)
Il Blog di ElectroYou (webmaster)
Idee microcontrollate (TardoFreak)
PICcoli grandi PICMicro (Paolino)
Il blog elettrico di carloc (carloc)
DirtEYblooog (dirtydeeds)
Di tutto... un po' (jordan20)
AK47 (lillo)
Esperienze elettroniche (marco438)
Telecomunicazioni musicali (clavicordo)
Automazione ed Elettronica (gustavo)
Direttive per la sicurezza (ErnestoCappelletti)
EYnfo dall'Alaska (mir)
Apriamo il quadro! (attilio)
H7-25 (asdf)
Passione Elettrica (massimob)
Elettroni a spasso (guidob)
Bloguerra (guerra)







