Circuito con led singolo lampeggiante
Moderatori:
carloc,
g.schgor,
BrunoValente,
IsidoroKZ
14 messaggi
• Pagina 2 di 2 • 1, 2
2
voti
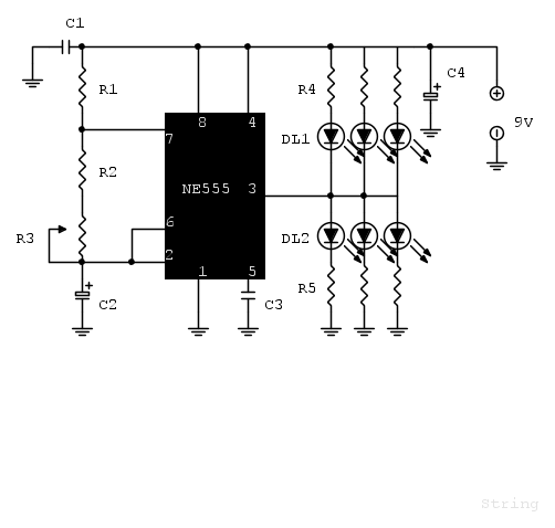
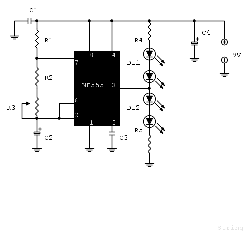
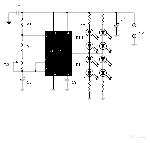
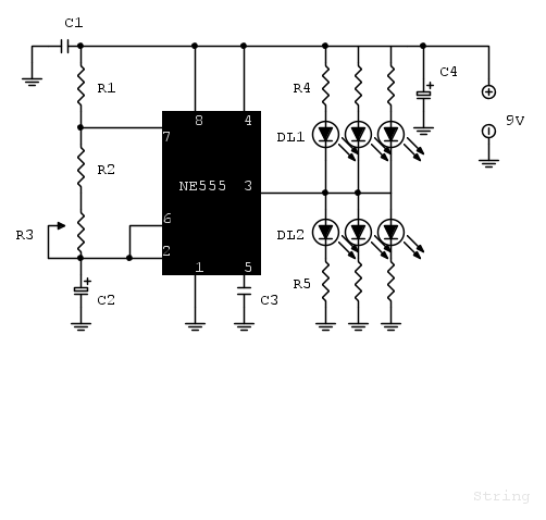
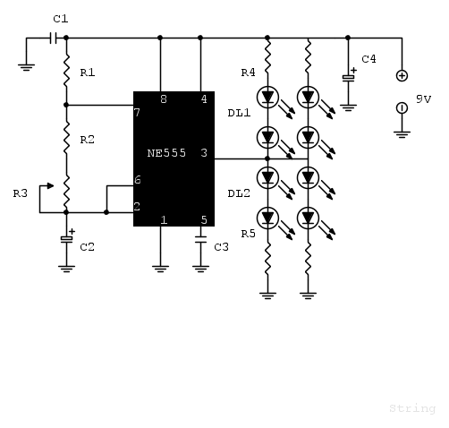
Le resistenze R4 ed R5 per ogni ramo rimangono le stesse. Puoi anche probabilmente mettere due led in serie, in questo modo, ma cambiano i valori di R4 ed R5
e se vuoi piu` led, puoi mettere rami da due led in serie e relativa resistenza, in parallelo fra di loro.
Preferisco le soluzioni con due led in serie, consumano di meno a pari numero di led, ma sono piu` sensibili in termini di luce prodotta alle variazioni di tensione della batteria.
Prova anche a dare un'occhiata qui
Per usare proficuamente un simulatore, bisogna sapere molta più elettronica di lui
Plug it in - it works better!
Il 555 sta all'elettronica come Arduino all'informatica! (entrambi loro malgrado)
Se volete risposte rispondete a tutte le mie domande
Plug it in - it works better!
Il 555 sta all'elettronica come Arduino all'informatica! (entrambi loro malgrado)
Se volete risposte rispondete a tutte le mie domande
1
voti
Ho appena provato a metterne 10 in parallelo e devo dire che il tutto funziona egregiamente!!
Mi ritengo molto soddisfatto, anche perché per come dovrò utilizzare questo circuito devo mettere i led a distanza per cui la soluzione in parallelo mi permette di avere una versatilità e massima, implementandolo ad ogni esigenza.
Ora il mio ultimo dubbio è che ho la necessità di resinare il circuito con una resina colorata al fine di isolare e nascondere tutta la componentistica: ho trovato su un sito una resina specifica a buon mercato http://www.resine-epossidiche.it/catego ... ettronica/ però è disponibile in tre viscosità diverse A 100 WC, A 200 WC e A 400 WC. Quale prendo? La 200?
Grazie

Mi ritengo molto soddisfatto, anche perché per come dovrò utilizzare questo circuito devo mettere i led a distanza per cui la soluzione in parallelo mi permette di avere una versatilità e massima, implementandolo ad ogni esigenza.
Ora il mio ultimo dubbio è che ho la necessità di resinare il circuito con una resina colorata al fine di isolare e nascondere tutta la componentistica: ho trovato su un sito una resina specifica a buon mercato http://www.resine-epossidiche.it/catego ... ettronica/ però è disponibile in tre viscosità diverse A 100 WC, A 200 WC e A 400 WC. Quale prendo? La 200?
Grazie

14 messaggi
• Pagina 2 di 2 • 1, 2
Chi c’è in linea
Visitano il forum: Nessuno e 156 ospiti

Elettrotecnica e non solo (admin)
Un gatto tra gli elettroni (IsidoroKZ)
Esperienza e simulazioni (g.schgor)
Moleskine di un idraulico (RenzoDF)
Il Blog di ElectroYou (webmaster)
Idee microcontrollate (TardoFreak)
PICcoli grandi PICMicro (Paolino)
Il blog elettrico di carloc (carloc)
DirtEYblooog (dirtydeeds)
Di tutto... un po' (jordan20)
AK47 (lillo)
Esperienze elettroniche (marco438)
Telecomunicazioni musicali (clavicordo)
Automazione ed Elettronica (gustavo)
Direttive per la sicurezza (ErnestoCappelletti)
EYnfo dall'Alaska (mir)
Apriamo il quadro! (attilio)
H7-25 (asdf)
Passione Elettrica (massimob)
Elettroni a spasso (guidob)
Bloguerra (guerra)






