gia, mi serve per avere un po' di anodica per due valvole, che insieme assorbono 5 mA,
non volevo mettere degli elevatori per problemi di interferenze
LR8K4 soft start
Moderatori:
carloc,
g.schgor,
BrunoValente,
IsidoroKZ
41 messaggi
• Pagina 2 di 5 • 1, 2, 3, 4, 5
0
voti
[11] Re: LR8K4 soft start
-

danielealfa
243 2 4 7 - Expert

- Messaggi: 1313
- Iscritto il: 27 mag 2009, 22:51
0
voti
[12] Re: LR8K4 soft start
Cosa vuoi che voglia farci se non un soft start per l'anodica di valvole ?...
Per "cosa vuoi fare" intendevo con che circuito (con che schema) volesse fare in modo che l'IC di turno fungesse da soft start, non l'uso a cui sarebbe destinato il soft start
Presumo ci sarà un condensatore che si carica lentamente mandando in "conduzione" progressivamente l'IC (l'LM317 o l'LR8K4) o qualcosa del genere
K
-

Kagliostro
6.396 4 5 7 - Master

- Messaggi: 4832
- Iscritto il: 19 set 2012, 11:32
0
voti
[13] Re: LR8K4 soft start

"Non farei mai parte di un club che accettasse la mia iscrizione" (G. Marx)
-

claudiocedrone
21,3k 4 7 9 - Master EY

- Messaggi: 15303
- Iscritto il: 18 gen 2012, 13:36
0
voti
[14] Re: LR8K4 soft start
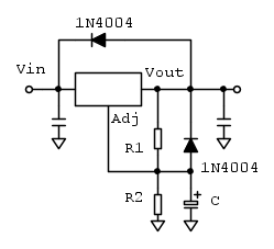
ok, come circuito uso quello semplice del d.s

l unica differenza e quella dei valori diversi.
si tratta di R1 da 1,5h e R2 di un trimmer da 470k

l unica differenza e quella dei valori diversi.
si tratta di R1 da 1,5h e R2 di un trimmer da 470k
-

danielealfa
243 2 4 7 - Expert

- Messaggi: 1313
- Iscritto il: 27 mag 2009, 22:51
0
voti
[15] Re: LR8K4 soft start
Ma dovrai integrarci il transistor, l'elettrolitico, la resistenza da 50k e quanto altro no ?
Se la tensione è tale per cui il transistor la può sopportare, credo che sarebbe fattibile
Ad essere sincero non ho capito da quanto sia R1 (1,5h) ed il perché R2 sia un trimmer (470k)
K
Se la tensione è tale per cui il transistor la può sopportare, credo che sarebbe fattibile
Ad essere sincero non ho capito da quanto sia R1 (1,5h) ed il perché R2 sia un trimmer (470k)
K
-

Kagliostro
6.396 4 5 7 - Master

- Messaggi: 4832
- Iscritto il: 19 set 2012, 11:32
0
voti
[16] Re: LR8K4 soft start
e l unico schema che ho trovato regolabile in rete

pero' io senza transistor ma con solo il diodo
pero' io senza transistor ma con solo il diodo
-

danielealfa
243 2 4 7 - Expert

- Messaggi: 1313
- Iscritto il: 27 mag 2009, 22:51
0
voti
[17] Re: LR8K4 soft start
"Non farei mai parte di un club che accettasse la mia iscrizione" (G. Marx)
-

claudiocedrone
21,3k 4 7 9 - Master EY

- Messaggi: 15303
- Iscritto il: 18 gen 2012, 13:36
0
voti
[18] Re: LR8K4 soft start
e (presumo sia è) l unico schema che ho trovato regolabile in rete
Ma perché regolabile ? Devi farci un soft start o un'alimentazione regolata ??
--
Riguardo lo schema regolabile in tensione, se ne è parlato poco tempo fa qui sul forum, vedi questo thread
http://www.electroyou.it/forum/viewtopic.php?f=1&t=65390&hilit=beppetv
credo che poi l'utente abbia sviluppato la cosa qui
http://www.leradiodisophie.it/Regolatore-AT-Feniello.html
ma credo che a te la cosa non sia assolutamente d'aiuto, essendo la tua un'esigenza del tutto diversa
K
-

Kagliostro
6.396 4 5 7 - Master

- Messaggi: 4832
- Iscritto il: 19 set 2012, 11:32
3
voti
[19] Re: LR8K4 soft start
Immagino si possa fare senza problemi.
Ovviamente, se lo utilizzi per tensioni alte, non puoi mettere lo stesso tipo di transistor utilizzato con l'LM317.
Ti consiglio di realizzarlo senza transistor aggiungendo solo un condensatore in parallelo alla resistenza R2 il cui valore potrai trovarlo sperimentalmente.
Se monti il condensatore devi anche aggiungere il diodo di protezione tra uscita e piedino di controllo (ADJ) altrimenti quando spegni si rompe l'integrato.
Ti consiglio inoltre di aggiungere anche un diodo tra uscita e ingresso per un motivo analogo.
Ovviamente, se lo utilizzi per tensioni alte, non puoi mettere lo stesso tipo di transistor utilizzato con l'LM317.
Ti consiglio di realizzarlo senza transistor aggiungendo solo un condensatore in parallelo alla resistenza R2 il cui valore potrai trovarlo sperimentalmente.
Se monti il condensatore devi anche aggiungere il diodo di protezione tra uscita e piedino di controllo (ADJ) altrimenti quando spegni si rompe l'integrato.
Ti consiglio inoltre di aggiungere anche un diodo tra uscita e ingresso per un motivo analogo.
-

BrunoValente
39,6k 7 11 13 - G.Master EY

- Messaggi: 7796
- Iscritto il: 8 mag 2007, 14:48
0
voti
[20] Re: LR8K4 soft start
grazie del tuo schema, i condensatore ci cuole da almeno 359 volt giusto
-

danielealfa
243 2 4 7 - Expert

- Messaggi: 1313
- Iscritto il: 27 mag 2009, 22:51
41 messaggi
• Pagina 2 di 5 • 1, 2, 3, 4, 5
Chi c’è in linea
Visitano il forum: Nessuno e 103 ospiti

Elettrotecnica e non solo (admin)
Un gatto tra gli elettroni (IsidoroKZ)
Esperienza e simulazioni (g.schgor)
Moleskine di un idraulico (RenzoDF)
Il Blog di ElectroYou (webmaster)
Idee microcontrollate (TardoFreak)
PICcoli grandi PICMicro (Paolino)
Il blog elettrico di carloc (carloc)
DirtEYblooog (dirtydeeds)
Di tutto... un po' (jordan20)
AK47 (lillo)
Esperienze elettroniche (marco438)
Telecomunicazioni musicali (clavicordo)
Automazione ed Elettronica (gustavo)
Direttive per la sicurezza (ErnestoCappelletti)
EYnfo dall'Alaska (mir)
Apriamo il quadro! (attilio)
H7-25 (asdf)
Passione Elettrica (massimob)
Elettroni a spasso (guidob)
Bloguerra (guerra)