Ciao,
Potresti utilizzare un Arduino nano o ancor meglio un Arduino digispark.
Lo programmi come vuoi tu.
Relè che si eccita dopo 3 pressioni del pulsante
Moderatori:
carloc,
g.schgor,
BrunoValente,
IsidoroKZ
44 messaggi
• Pagina 2 di 5 • 1, 2, 3, 4, 5
0
voti
Con arduino ho zero esperienza, anzi se hai qualche doc per iniziare a documentarmi da zero te ne sarei grato. Comunque sono convinto che la cosa è fattibile anche modificando il circuito in foto.
-

mistervolt
252 1 4 6 - Frequentatore

- Messaggi: 279
- Iscritto il: 11 feb 2013, 11:24
- Località: Roma
0
voti
Ho scaricato questo datasheet giusto per ripasso
Quell'integrato per fortuna ha due ingressi di clock, uno attivo alto quando l'altro è basso e viceversa. Il Master Reset invece agisce solo quando lo porti da livello logico basso ad alto. Questi tre ingressi, sempre per fortuna (che culo che c'hai) sono a trigger di Schmitt, e se non ricordo male ma c'è anche specificato nel datasheet, hanno due soglie di commutazione: <1/3 della tensione di alimentazione per il livello logico basso e >2/3 per il livello logico alto.
Secondo me se sfrutti l'ingresso di clock attivo basso, con un giochino di resistenze diodi e condensatori puoi ottenere quello che chiedi.
Quell'integrato per fortuna ha due ingressi di clock, uno attivo alto quando l'altro è basso e viceversa. Il Master Reset invece agisce solo quando lo porti da livello logico basso ad alto. Questi tre ingressi, sempre per fortuna (che culo che c'hai) sono a trigger di Schmitt, e se non ricordo male ma c'è anche specificato nel datasheet, hanno due soglie di commutazione: <1/3 della tensione di alimentazione per il livello logico basso e >2/3 per il livello logico alto.
Secondo me se sfrutti l'ingresso di clock attivo basso, con un giochino di resistenze diodi e condensatori puoi ottenere quello che chiedi.
-

arbifive
65 5 - CRU - Account cancellato su Richiesta utente
- Messaggi: 125
- Iscritto il: 28 giu 2017, 0:29
0
voti
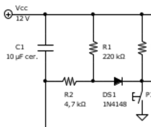
Questo circuito dovrebbe fare quello che chiedi:
Il 4017 è mantenuto in stato di reset da R1-R2, che tengono il piedino di reset a livello alto e il condensatore C1 scarico.
Quando il pulsante P1 viene premuto, C1 viene rapidamente caricato attraverso DS1-R2 e il piedino di reset viene portato a livello basso. Al rilascio di P1, il piedino di reset resta ancora a livello basso per un paio di secondi, mentre C1 si scarica attraverso R2-R1.
Oltre a portare a livello basso il piedino di reset, la pressione e il successivo rilascio di P1 generano un impulso che, filtrato dalla rete antirimbalzo costituita da R4 e C2, viene applicato al piedino di clock, facendo avanzare il contatore a ogni rilascio del pulsante.
Al terzo rilascio viene attivato il relè. Dopo 2 secondi, se non ci sono ulteriori pressioni su P1, il 4017 viene resettato e il relè si diseccita.
Ho un piccolo dubbio sul fatto che il piedino di reset non abbia il trigger di Schmitt. Ma se, come credo, il reset funziona a livello e non a transizione, la variazione lenta in questo caso non dovrebbe dar problemi.
Il 4017 è mantenuto in stato di reset da R1-R2, che tengono il piedino di reset a livello alto e il condensatore C1 scarico.
Quando il pulsante P1 viene premuto, C1 viene rapidamente caricato attraverso DS1-R2 e il piedino di reset viene portato a livello basso. Al rilascio di P1, il piedino di reset resta ancora a livello basso per un paio di secondi, mentre C1 si scarica attraverso R2-R1.
Oltre a portare a livello basso il piedino di reset, la pressione e il successivo rilascio di P1 generano un impulso che, filtrato dalla rete antirimbalzo costituita da R4 e C2, viene applicato al piedino di clock, facendo avanzare il contatore a ogni rilascio del pulsante.
Al terzo rilascio viene attivato il relè. Dopo 2 secondi, se non ci sono ulteriori pressioni su P1, il 4017 viene resettato e il relè si diseccita.
Ho un piccolo dubbio sul fatto che il piedino di reset non abbia il trigger di Schmitt. Ma se, come credo, il reset funziona a livello e non a transizione, la variazione lenta in questo caso non dovrebbe dar problemi.
Big fan of ⋮ƎlectroYou! Ausili per disabili e anziani su ⋮ƎlectroYou
Caratteri utili: À È É Ì Ò Ó Ù α β γ δ ε η θ λ μ π ρ σ τ φ ω Ω º ª ² ³ √ ∛ ∜ ₀ ₁ ₂ ₃ ₄ ₅ ₆ ∃ ∄ ∆ ∈ ∉ ± ∓ ∾ ≃ ≈ ≠ ≤ ≥
Caratteri utili: À È É Ì Ò Ó Ù α β γ δ ε η θ λ μ π ρ σ τ φ ω Ω º ª ² ³ √ ∛ ∜ ₀ ₁ ₂ ₃ ₄ ₅ ₆ ∃ ∄ ∆ ∈ ∉ ± ∓ ∾ ≃ ≈ ≠ ≤ ≥
0
voti
Non penso che funzioni così ma ci stiamo andando vicini
GuidoB nel tuo schema il piedino MR ritorna subito alto quando rilasci il pulsante e il tutto si resetta immediatamente.
Penso che il condensatore da 10µF debba essere messo tra MR e massa anziché tra Vcc e MR.
Penso che il condensatore da 10µF debba essere messo tra MR e massa anziché tra Vcc e MR.
-

arbifive
65 5 - CRU - Account cancellato su Richiesta utente
- Messaggi: 125
- Iscritto il: 28 giu 2017, 0:29
0
voti
arbifive ha scritto:GuidoB nel tuo schema il piedino MR ritorna subito alto quando rilasci il pulsante e il tutto si resetta immediatamente.
Non credo, C1 non si scarica istantaneamente...
Big fan of ⋮ƎlectroYou! Ausili per disabili e anziani su ⋮ƎlectroYou
Caratteri utili: À È É Ì Ò Ó Ù α β γ δ ε η θ λ μ π ρ σ τ φ ω Ω º ª ² ³ √ ∛ ∜ ₀ ₁ ₂ ₃ ₄ ₅ ₆ ∃ ∄ ∆ ∈ ∉ ± ∓ ∾ ≃ ≈ ≠ ≤ ≥
Caratteri utili: À È É Ì Ò Ó Ù α β γ δ ε η θ λ μ π ρ σ τ φ ω Ω º ª ² ³ √ ∛ ∜ ₀ ₁ ₂ ₃ ₄ ₅ ₆ ∃ ∄ ∆ ∈ ∉ ± ∓ ∾ ≃ ≈ ≠ ≤ ≥
0
voti
Che succede quando il pulsante non è più premuto? Semplice: C1 "non esiste più" e la tensione che va al piedino MR è ritornata immediatamente tragicamente a Vcc.
- Allegati
-
- Schermata 2017-09-14 alle 01.14.36.png (41.53 KiB) Osservato 6832 volte
-

arbifive
65 5 - CRU - Account cancellato su Richiesta utente
- Messaggi: 125
- Iscritto il: 28 giu 2017, 0:29
0
voti
ciao
mistervolt datosi che anche a me servirebbe un circuito del genere, volevo sapere se il circuito di
GuidoB lo hai testato e se ti ha funzionato. Se nel frattempo hai trovato una soluzione diversa mi piacerebbe sapere quale, Grazie
-

elektronik
7.800 4 6 7 - Master

- Messaggi: 3836
- Iscritto il: 12 mag 2015, 22:26
44 messaggi
• Pagina 2 di 5 • 1, 2, 3, 4, 5
Chi c’è in linea
Visitano il forum: Nessuno e 85 ospiti

Elettrotecnica e non solo (admin)
Un gatto tra gli elettroni (IsidoroKZ)
Esperienza e simulazioni (g.schgor)
Moleskine di un idraulico (RenzoDF)
Il Blog di ElectroYou (webmaster)
Idee microcontrollate (TardoFreak)
PICcoli grandi PICMicro (Paolino)
Il blog elettrico di carloc (carloc)
DirtEYblooog (dirtydeeds)
Di tutto... un po' (jordan20)
AK47 (lillo)
Esperienze elettroniche (marco438)
Telecomunicazioni musicali (clavicordo)
Automazione ed Elettronica (gustavo)
Direttive per la sicurezza (ErnestoCappelletti)
EYnfo dall'Alaska (mir)
Apriamo il quadro! (attilio)
H7-25 (asdf)
Passione Elettrica (massimob)
Elettroni a spasso (guidob)
Bloguerra (guerra)



