Cos'è ElectroYou | Login Iscriviti

ElectroYou - la comunità dei professionisti del mondo elettrico

Spin Off da Come posso ottenere questo effetto con pochi eur

Elettronica lineare e digitale: didattica ed applicazioni

Moderatori: Foto Utentecarloc, Foto Utenteg.schgor, Foto UtenteBrunoValente, Foto UtenteIsidoroKZ

0
voti

[11] Re: Spin Off da Come posso ottenere questo effetto con pochi

Messaggioda Foto UtenteFedhman » 25 set 2017, 23:51

elfo ha scritto:Lo sforzo di "apprendere" andrebbe diretto ad altri problemi (diversi e piu' interessanti del 5 V 1 A).


Appena ho più tempo rispondo al resto. Però questa non l'ho capita, siccome non mi sembra una cosa banale realizzare un alimentatore da 5V 1A fatto bene. Si può imparare molto anche da "semplici" progetti, volendoli studiare e analizzare con umiltà.
I don't fight weather - Woodrow W. Smith
Avatar utente
Foto UtenteFedhman
5.195 2 9 13
Master
Master
 
Messaggi: 483
Iscritto il: 4 giu 2013, 14:05
Località: Augusta Taurinorum

0
voti

[12] Re: Spin Off da Come posso ottenere questo effetto con pochi

Messaggioda Foto Utentearbifive » 26 set 2017, 0:30

chi, oggi, vuol costruire ad es. un alimentatore 5 V 1 A con trasfo 50 Hz + 7805 + .... invece che comprare un "blocchetto" switching?

io!
Avatar utente
Foto Utentearbifive
65 5
CRU - Account cancellato su Richiesta utente
 
Messaggi: 125
Iscritto il: 28 giu 2017, 0:29

0
voti

[13] Re: Spin Off da Come posso ottenere questo effetto con pochi

Messaggioda Foto UtenteGuidoB » 26 set 2017, 1:50

elfo ha scritto:Vorrei prendere spunto dagli (begli) schemi di Foto UtenteGuidoB

Grazie...

dadduni ha scritto:L'utente originario non voleva imparare l'elettronica ma solo realizzare quell'effetto con pochi soldi e poco tempo.

Infatti ero molto dubbioso se rispondergli o no. Perché se gli fornisco uno schema, tocca poi soprattutto a me aiutarlo in caso di difficoltà, che sicuramente incontrerà, specialmente se non vuole imparare. Spero di non pentirmene.

Alla fine ho disegnato un circuito che più semplice (forse) non si può, e che va bene per un principiante. Tutti abbiamo cominciato così. Magari prova e gli piace.

dadduni ha scritto:Per questo ho proposto io stesso l'uso di un atTiny con bootloader arduino. Costava 3€, non serviva tester resistenze e quant'altro, non serviva breadboard o millefori, il saldatore lo aveva già bastava una resistenza e un BJT al costo di un altro euro
Poi bisogna scrivere il codice è vero ma...cosi come avete fornito un circuito "alla cieca" che lui non ha minimamente capito, cosi si poteva fornire un po di codice sempre "alla cieca" e senza che lui lo capisse

Resta il fatto che nessun arduinista gli ha fornito quel codice. Quindi non ha potuto percorrere quella strada e ha scelto l'altra.

dadduni ha scritto:capire qualche riga di codice è molto piu facile di capire una modulazione con due oscillatori (credo)

Dipende dai punti di vista.

L'ideale è imparare per poi poter scegliere a ragion veduta.

Oggi i microcontrollori permettono di fare molto. Arduino e il suo sistema di sviluppo sono semplici, ma non usano bene i microcontrollori.
Big fan of ƎlectroYou!       Ausili per disabili e anziani su ƎlectroYou
Caratteri utili: À È É Ì Ò Ó Ù α β γ δ ε η θ λ μ π ρ σ τ φ ω Ω º ª ² ³ √ ∛ ∜ ₀ ₁ ₂ ₃ ₄ ₅ ₆ ∃ ∄ ∆ ∈ ∉ ± ∓ ∾ ≃ ≈ ≠ ≤ ≥
Avatar utente
Foto UtenteGuidoB
17,8k 7 12 13
G.Master EY
G.Master EY
 
Messaggi: 2811
Iscritto il: 3 mar 2011, 16:48
Località: Madrid

0
voti

[14] Re: Spin Off da Come posso ottenere questo effetto con pochi

Messaggioda Foto Utenteelfo » 26 set 2017, 7:06

GuidoB ha scritto:Resta il fatto che nessun arduinista gli ha fornito quel codice

Foto UtenteGuidoB Ingegnere elettronico (indirizzo informatica, perché allora non esisteva Ingegneria Informatica) [dalla sua bio] :D ti chiedo:

- perche' hai fornito l'HW e non il SW?
Ultima modifica di Foto Utenteelfo il 26 set 2017, 8:04, modificato 1 volta in totale.
Avatar utente
Foto Utenteelfo
6.819 4 5 7
G.Master EY
G.Master EY
 
Messaggi: 2828
Iscritto il: 15 lug 2016, 13:27

0
voti

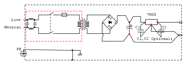
[15] Re: Spin Off da Come posso ottenere questo effetto con pochi

Messaggioda Foto Utenteelfo » 26 set 2017, 7:55

Fedhman ha scritto:
elfo ha scritto:Lo sforzo di "apprendere" andrebbe diretto ad altri problemi (diversi e piu' interessanti del 5 V 1 A).

Appena ho più tempo rispondo al resto. Però questa non l'ho capita, siccome non mi sembra una cosa banale realizzare un alimentatore da 5 V 1A fatto bene.

Ho disegnato qui sotto un "onesto" alimentatore 5 V 1A per risparmiarti la fatica di farlo te.

Prendiamolo come base per la discussione.

A cosa potrebbe servire?

- per alimentare logica digitale (Arduino & C)? sprecato. Un "blocchetto" e' piu' che sufficiente.

- per alimentare circuito analogico di precisione /a basso rumore? insufficiente. Oggi le richieste dei circuiti da alimentare e le possibilita' offerte dalle ditte di semiconduttori sono (molto) superiori.

- come alimentatore generico da laboratorio? non ha la "flessibilita'" sufficiente

- per imparare a progettare? Vediamo:
a) il filtro di rete in ingresso lo progetti o lo compri bell'e fatto?
b) il fuse lo dimensioni tenedo conto della corrente di magnetizzazione del trasfo, delle condizioni di sovraccarico ecc, oppure fai una stima ad occhio e provi che non salti alle prime cinque accensioni?
c) il trasfo lo dimensioni facendo accurato conto del valore RMS corrente (impulsiva) del secondario, del rendimento ecc oppure usi la regola del pollice Isecondario = 1.8 * Idc?
d) il ponte di diode lo calcoli o ci metti un "3 A" perche' "fitta" bene?
e) il condensatore di filtro lo calcoli accuratamente in funzione del ripple richiesto oppure applichi la "formulazza" C(in uF) = Idc * 5000?
f) il 7805 lo colleghi come da data sheet
g) per imparare a "saldare"? None, oggi se non sai saldare gli SMD e' come saper telefonare con un "unificato a disco" ma non saper "tappare" su un Iphone

A mio modo di vedere l'impegno nel realizzare questo alimentatore sono 2 :mrgreen: :

1) nel non prendere la scossa (e non farla prendere a chi lo utilizzera') curando bene la parte nel riquadro rosso tratteggiato
2) curare i collegamenti evidenziati con i pallini rossi
3) raffreddare a dovere il 7805 (fa il conto o lo appiccichi al contenitore metallico?)

Impari troppo poco e poco "spendibile" a fronte della spesa (di soldi, tempo, fatica (anche fisica per fare i buchi rettangolari - a lima - nel contenitore))

Come oggi utilizzi un Op-Amp integrato, cosi' utilizzi un blocchetto per alimentare i circuiti.
Ultima modifica di Foto Utenteelfo il 26 set 2017, 8:23, modificato 1 volta in totale.
Avatar utente
Foto Utenteelfo
6.819 4 5 7
G.Master EY
G.Master EY
 
Messaggi: 2828
Iscritto il: 15 lug 2016, 13:27

1
voti

[16] Re: Spin Off da Come posso ottenere questo effetto con pochi

Messaggioda Foto UtentePietroBaima » 26 set 2017, 8:21

In inglese la fase è "Live" non "Line".
Generatore codice per articoli:
nomi
Sul forum:
[pigreco]=π
[ohm]=Ω
[quadrato]=²
[cubo]=³
Avatar utente
Foto UtentePietroBaima
90,7k 7 12 13
G.Master EY
G.Master EY
 
Messaggi: 12207
Iscritto il: 12 ago 2012, 1:20
Località: Londra

1
voti

[17] Re: Spin Off da Come posso ottenere questo effetto con pochi

Messaggioda Foto Utenteelfo » 26 set 2017, 8:23

Grazie, corretto.
Avatar utente
Foto Utenteelfo
6.819 4 5 7
G.Master EY
G.Master EY
 
Messaggi: 2828
Iscritto il: 15 lug 2016, 13:27

0
voti

[18] Re: Spin Off da Come posso ottenere questo effetto con pochi

Messaggioda Foto Utentespeedyant » 26 set 2017, 8:47

Comunque l'hobbista alle prime armi che compra su "siti cinesi" arducosi cambia hobby...
Se proprio volesse rimanere nella "bolla arduinica", meglio i prodotti originali, un minimo di certezza nel funzionamento esiste.
Son quello delle domande strane!
Avatar utente
Foto Utentespeedyant
5.093 3 6 8
Master
Master
 
Messaggi: 3879
Iscritto il: 9 lug 2013, 18:29
Località: Torino

1
voti

[19] Re: Spin Off da Come posso ottenere questo effetto con pochi

Messaggioda Foto UtenteGuidoB » 26 set 2017, 9:47

elfo ha scritto:
GuidoB ha scritto:Resta il fatto che nessun arduinista gli ha fornito quel codice

Foto UtenteGuidoB Ingegnere elettronico (indirizzo informatica, perché allora non esisteva Ingegneria Informatica) [dalla sua bio] :D ti chiedo:

- perche' hai fornito l'HW e non il SW?

Perché non uso Arduino e non ho sottomano un esempio di codice funzionante.

Mentre per l'hardware ho già fatto oscillatori del genere, che funzionano. Inoltre una soluzione HW mi sembra concettualmente più semplice.

Questo al di là del caso particolare del richiedente, che non avendo nessun componente in casa e nemmeno un tester, se li è dovuti comprare. Per i prossimi circuiti, se vorrà costruirne, coi componenti avanzati non partirà proprio da zero.
Big fan of ƎlectroYou!       Ausili per disabili e anziani su ƎlectroYou
Caratteri utili: À È É Ì Ò Ó Ù α β γ δ ε η θ λ μ π ρ σ τ φ ω Ω º ª ² ³ √ ∛ ∜ ₀ ₁ ₂ ₃ ₄ ₅ ₆ ∃ ∄ ∆ ∈ ∉ ± ∓ ∾ ≃ ≈ ≠ ≤ ≥
Avatar utente
Foto UtenteGuidoB
17,8k 7 12 13
G.Master EY
G.Master EY
 
Messaggi: 2811
Iscritto il: 3 mar 2011, 16:48
Località: Madrid

1
voti

[20] Re: Spin Off da Come posso ottenere questo effetto con pochi

Messaggioda Foto Utentebrabus » 29 set 2017, 14:04

elfo ha scritto:(...)

Impari troppo poco e poco "spendibile" a fronte della spesa (di soldi, tempo, fatica (anche fisica per fare i buchi rettangolari - a lima - nel contenitore))

(...)


Anche Vettel è partito da una bicicletta.
Alberto.
Avatar utente
Foto Utentebrabus
22,2k 4 11 13
G.Master EY
G.Master EY
 
Messaggi: 3146
Iscritto il: 26 gen 2009, 15:16

PrecedenteProssimo

Torna a Elettronica generale

Chi c’è in linea

Visitano il forum: Nessuno e 108 ospiti