Collegamento relè
Moderatori:
carloc,
g.schgor,
BrunoValente,
IsidoroKZ
17 messaggi
• Pagina 2 di 2 • 1, 2
0
voti
E perché mai ? Non vi è alcuna contraddizione, il galleggiante fornisce un comune, un normalmente chiuso e un normalmente aperto e all'allarme servono un comune e un normalmente aperto: NA salta fuori semplicemente perché le indicazioni del gallaggiante sono siglate in inglese (common, normally closed, normally open) mentre quelle dell'allarme in italiano (comune, normalmente aperto) ergo NA=NO.
"Non farei mai parte di un club che accettasse la mia iscrizione" (G. Marx)
-

claudiocedrone
21,3k 4 7 9 - Master EY

- Messaggi: 15303
- Iscritto il: 18 gen 2012, 13:36
0
voti
claudiocedrone ha scritto:E perché mai ? Non vi è alcuna contraddizione, il galleggiante fornisce un comune, un normalmente chiuso e un normalmente aperto e all'allarme servono un comune e un normalmente aperto: NA salta fuori semplicemente perché le indicazioni del gallaggiante sono siglate in inglese (common, normally closed, normally open) mentre quelle dell'allarme in italiano (comune, normalmente aperto) ergo NA=NO.
ok ho capito,il circuito d'allarme s'intende cosi allora?
0
voti
donciccio ha scritto:escono dalla pompa C,NA,NC;poi affermi che,in base alle istruzioni,per attivare l'allarme ,basta collegare NO e C,questo filo NO da dove esce?
Immagino che in prima istanza abbia indicato NA = normalmente aperto e C = comune, che altro non è quanto indicato nelle istruzioni con C = common = comune and NO = normally open = normalmente aperto
Mick76 ha scritto:Innanzitutto di che tipo di relè di asservimento ho bisogno? Come collego i fili al relè? Vorrei collegarci una sirena.
Dapprima devi scegliere la sirena, per tipo di suono (frequenza/db) -installazione (ambiente coperto e/o esterno)-tipo di alimentazione [Vdc (12-24-110) Vca (12-24-110-230)]e quindi si conoscerà anche l'assorbimento della sirena.
Questo è il primo step, perché cosi si conoscerà la tensione di alimentazione del relè in volt e tipo (ac-dc) e la portata (in mA/A) dei contatti del relè determinati dall'assorbimento in ampere della sirena, a questo punto potrai scegliere il relè e realizzare lo schema di collegamento, prendendo per buono che come hai scritto, hai disponibile un contatto pulito di tipo C-NC/NO.
La tensione di alimentazione della sirena sarà scelta in base a quanto disponibile nel punto di controllo/comando, meglio sarebbe utilizzare una bassissima tensione (di sicurezza), tipo 24 Vac, prelevandola da un trasformatore di alimentazione 230 Vac/24 Vac di pochi VA di potenza,da tener presente che questo oltre a far salire i costi aumenterebbe anche l'ingombro della realizzazione.
Considerando questo tipo di soluzione (è un esempio) los chema diventerebbe del tipo..
C'è poi sempre da valutare la capacità di realizzazione per la sicurezza in primis dal possibile rischio elettrico (sempre in agguato in questo tipo di attività) e la realizzazione finale funzionante come si sperava, pertanto a volte la soluzione migliore può essere quella di lasciar fare ad un elettricista.
I circuiti sono controcorrente. Seguono sempre la massa
-Per rispondere utilizza il tasto [RISPONDI] e non il tasto [CITA], grazie.-
-Per rispondere utilizza il tasto [RISPONDI] e non il tasto [CITA], grazie.-
0
voti
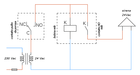
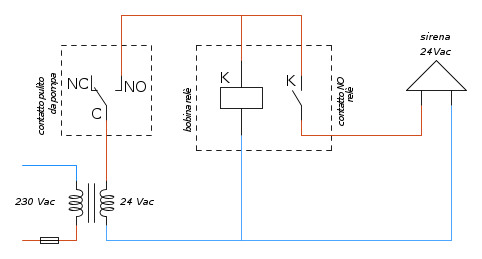
scusa mir ma se i contatti del galleggiante non sopportano oltre gli 0,5A,cosi come hai collegato il contatto del rele il problema non si risolve,perche l'alimentazione dell'allarme passa sempre da quei contatti ,correggimi se sbaglio
0
voti
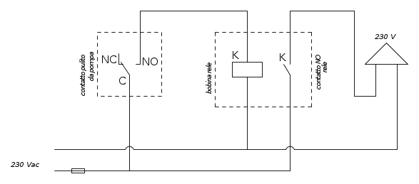
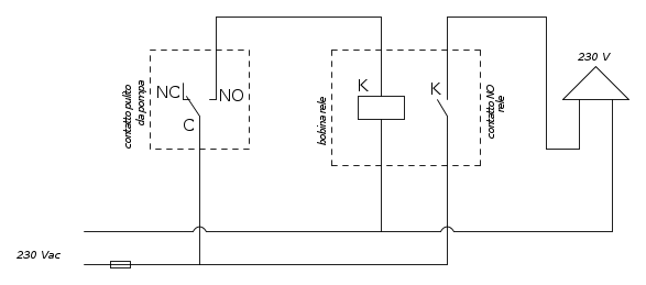
Ha scritto che la sirena è a 220 V.
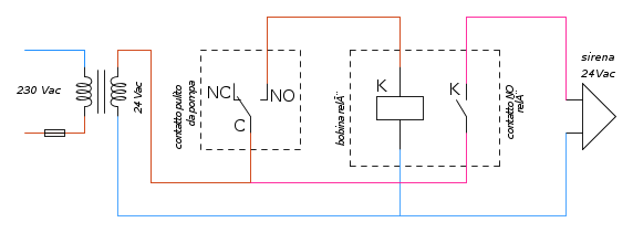
Lo schema è quindi il seguente:
Come relé puoi usare questo:
https://www.distrelec.it/it/rele-indust ... p/13744454
E questi sono i faston adatti al collegamento:
https://www.distrelec.it/it/contatto-pr ... p/14820799
Boiler
Lo schema è quindi il seguente:
Come relé puoi usare questo:
https://www.distrelec.it/it/rele-indust ... p/13744454
E questi sono i faston adatti al collegamento:
https://www.distrelec.it/it/contatto-pr ... p/14820799
Boiler
0
voti
Ringrazio molto tutti per le risposte, mi studio bene gli schemi sopra e procedo.
Grazie,
M.
Grazie,
M.
0
voti
donciccio ha scritto:scusa mir ma se i ..
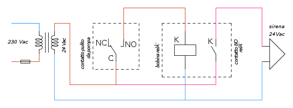
hai ragione donciccio, ho commesso un errore grave di disegno, è come dici, l'alimentazione della sirena passa per il contatto NO o NA che dir si voglia del relè, e prende il positivo di alimentazione dall'uscita del trasformatore di alimentazion.. pertanto lo schema corretto diventa..
fermo restando valida la soluzione di
I circuiti sono controcorrente. Seguono sempre la massa
-Per rispondere utilizza il tasto [RISPONDI] e non il tasto [CITA], grazie.-
-Per rispondere utilizza il tasto [RISPONDI] e non il tasto [CITA], grazie.-
17 messaggi
• Pagina 2 di 2 • 1, 2
Chi c’è in linea
Visitano il forum: Nessuno e 179 ospiti

Elettrotecnica e non solo (admin)
Un gatto tra gli elettroni (IsidoroKZ)
Esperienza e simulazioni (g.schgor)
Moleskine di un idraulico (RenzoDF)
Il Blog di ElectroYou (webmaster)
Idee microcontrollate (TardoFreak)
PICcoli grandi PICMicro (Paolino)
Il blog elettrico di carloc (carloc)
DirtEYblooog (dirtydeeds)
Di tutto... un po' (jordan20)
AK47 (lillo)
Esperienze elettroniche (marco438)
Telecomunicazioni musicali (clavicordo)
Automazione ed Elettronica (gustavo)
Direttive per la sicurezza (ErnestoCappelletti)
EYnfo dall'Alaska (mir)
Apriamo il quadro! (attilio)
H7-25 (asdf)
Passione Elettrica (massimob)
Elettroni a spasso (guidob)
Bloguerra (guerra)








