Cos'è ElectroYou | Login Iscriviti

ElectroYou - la comunità dei professionisti del mondo elettrico

Regolazione di Tensione con Zener

Elettronica lineare e digitale: didattica ed applicazioni

Moderatori: Foto Utentecarloc, Foto Utenteg.schgor, Foto UtenteBrunoValente, Foto UtenteIsidoroKZ

0
voti

[11] Re: Regolazione di Tensione con Zener

Messaggioda Foto UtenteTekonoris » 23 giu 2019, 0:00

IsidoroKZ ha scritto:Un simulatore non riesce a simulare quel circuito...

Mi rendo conto che un simulatore comunque più di tanto non possa fare, ma è di aiuto. Quantomeno ti dice se la strada potrebbe andare. Stò studiando, ma l'elettronica è talmente vasta ...

BrunoValente ha scritto:dovrebbe essere facilmente compensabile, inoltre scegliendo un mosfet a bassa resistenza si potrebbe raggiungere un valore di dropout molto basso

Molto bellooooo :lol:
Non mi è chiarissimo, ma ci studio sopra... Se non capisco male il condensatore tra uscita e invertente mi riduce le oscillazioni (10 nF).
Appena riesco faccio qualche prova su bread (devo vedere che pmos ho in casa).

Grazie a tutti !! O_/
Avatar utente
Foto UtenteTekonoris
313 3 8
Stabilizzato
Stabilizzato
 
Messaggi: 392
Iscritto il: 19 ott 2018, 10:31

0
voti

[12] Re: Regolazione di Tensione con Zener

Messaggioda Foto UtenteIsidoroKZ » 23 giu 2019, 7:50

Il problema del simulatore non è che più di tanto non può fare, ma è che sbaglia la simulazione. Che simulatore usi e che operazionale hai messo? Puoi allegare il sorgente del circuito che hai simulato?
Per usare proficuamente un simulatore, bisogna sapere molta più elettronica di lui
Plug it in - it works better!
Il 555 sta all'elettronica come Arduino all'informatica! (entrambi loro malgrado)
Se volete risposte rispondete a tutte le mie domande
Avatar utente
Foto UtenteIsidoroKZ
121,2k 1 3 8
G.Master EY
G.Master EY
 
Messaggi: 21059
Iscritto il: 17 ott 2009, 0:00

0
voti

[13] Re: Regolazione di Tensione con Zener

Messaggioda Foto UtenteTekonoris » 23 giu 2019, 11:29

Quello che dici è vero e in alcuni casi mi è capitato che nella realtà il comportamento fosse diverso/non funzionasse ...

Utilizzo LTSpice e ho "buttato li" un LT1013. Tanto per provare ... :D
Come da schema di Foto UtenteBrunoValente ho aggiunto un condensatore tra l'uscita dell'op e ingresso invertente. Lanciando la simulazione e variando il carico venivano fuori delle oscillazioni...

Devo guardare cosa ho a casa e poi pensavo di affinare il modello e fare delle prove.

Sorgente NETlist:
Codice: Seleziona tutto
* Tensione1.asc
V1 N001 0 SINE(12 1 2 0 0 2)
Q1 N002 N003 N001 0 BC327-25
R1 N001 N003 1k
XU1 N004 N005 N003 0 N006 LT1013
R2 N006 0 2k
R3 N005 0 1200
D1 N005 N002 PTZ6_2B
R4 N002 N004 5500
R5 N004 0 4500
R6 N002 0 {R}
C1 N005 N006 10n
.model D D
.lib C:\LTspiceXVII\lib\cmp\standard.dio
.model NPN NPN
.model PNP PNP
.lib C:\LTspiceXVII\lib\cmp\standard.BJT
.tran 2
.step param R 10 100 10
.lib LTC.lib
.backanno
.end
Avatar utente
Foto UtenteTekonoris
313 3 8
Stabilizzato
Stabilizzato
 
Messaggi: 392
Iscritto il: 19 ott 2018, 10:31

1
voti

[14] Re: Regolazione di Tensione con Zener

Messaggioda Foto UtenteTekonoris » 27 giu 2019, 22:33

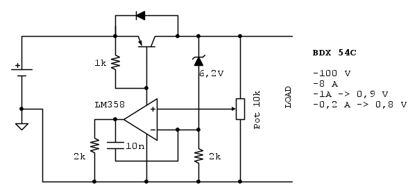
Mi ci è voluto un po di tempo (anche a formattare i dati), ma ho fatto delle prove. #-o
Schema dei collegamenti:


Circuito 1:

Continua a NON funzionare come voluto (e simulato - Foto UtenteIsidoroKZ :lol: ), ma non mi arrendo, cercherò la soluzione, se esiste :D Per il momento (270 Ohm + trimmer in uscita all'op) ho ottenuto una regolazione di 500 mV con un drop out di 400 mV circa (da verificare meglio).
Quello che credo di aver capito è che l'op mi regola la corrente di base nel PNP e quindi in base al Beta, alla temperatura, alla corrente, ecc. del tr, posso avere una tensione in uscita al PNP molto diversa/variabile.
Devo fare un po di prove mirate sulla corrente in uscita all'op... (Segue: no buono)

Circuito 2:


Circuito 2 con carico variabile (Trimmer - Led di potenza 5W)
1) Regolazione della tensione minima (Vout,min = +5.04 V - Vout,set = +9.44 V):

\begin{matrix}
\mathbf{I [A]} & \mathbf{Vout,min [V]} & \mathbf{Vripple [mV]} & \mathbf{Vbat [V]}\\  
0,02 & 9,44 & 80 & 12,08\\ 
0,10 & 9,52 & 240 & 11,99\\ 
0,20 & 9,52 & 240 & 11,90\\ 
0,40 & 9,44 & 80 & 11,73\\ 
\end{matrix}

2) Regolazione della tensione nulla (Vout = max):

\begin{matrix}
\mathbf{I [A]} & \mathbf{Vout,max [V]} & \mathbf{Vripple [mV]} & \mathbf{Drop [mV]} & \mathbf{Vbat[V]}\\  
0,02 & 12,0 & 80 & 80 & 12,08\\ 
0,10 & 11,7 & 285 & 290 & 11,99\\ 
0,19 & 11,6 & 270 & 310 & 11,91\\ 
0,4 & 11,2 & 200 & 540 & 11,74\\ 
\end{matrix}

3) Regolazione della tensione a +9,44V sostituendo il Led con carico variabile (Motivo del circuito - Oscillatore LC, micro ...).
I teorica,oscillatore = 137 -> 162 mA a 125 kHz - I amperometro = 400 mA)

N.B.: La Vbat in realtà non è quella della batteria. Ci sono un sacco di fili per il collegamento di tutti gli strumenti e circuiti, che alla fine ho un sacco di perdite. Nelle prossime prove cercherò di ottimizzare.

Conclusioni:
Di fatto non ancora concluso ... Comunque visti i vantaggi del P-MOS (minore Drop-out), più facilmente regolabile e consigliato da EY !!! :lol: ... penso che utilizzerò il Circuito 2.

n.b. Curiosità
Come si fanno le tabelle in EY-tex? (io ho usato una matrice, ma mi piacerebbero le righette :D ).

Allego un paio di foto. O_/
Allegati
Foto2.PNG
Foto1.PNG
Avatar utente
Foto UtenteTekonoris
313 3 8
Stabilizzato
Stabilizzato
 
Messaggi: 392
Iscritto il: 19 ott 2018, 10:31

1
voti

[15] Re: Regolazione di Tensione con Zener

Messaggioda Foto Utenteclaudiocedrone » 28 giu 2019, 0:28

:-) Piacendoti le simulazioni potresti dare una occhiata anche a questo p. es.
"Non farei mai parte di un club che accettasse la mia iscrizione" (G. Marx)
Avatar utente
Foto Utenteclaudiocedrone
21,3k 4 7 9
Master EY
Master EY
 
Messaggi: 15303
Iscritto il: 18 gen 2012, 13:36

0
voti

[16] Re: Regolazione di Tensione con Zener

Messaggioda Foto UtenteTekonoris » 28 giu 2019, 7:43

Molto interessante... Con calma me lo studio.

Si i simulatori mi piacciono parecchio !!! Il tempo reale che posso dedicare all'elettronica è molto poco, sostanzialmente qualche notte la settimana, sul simulato riesco a dedicare più tempo. :lol: A mezzogiorno, una volta mangiato il panino a tempo di record mi resta quasi un'ora !!!! O_/
Avatar utente
Foto UtenteTekonoris
313 3 8
Stabilizzato
Stabilizzato
 
Messaggi: 392
Iscritto il: 19 ott 2018, 10:31

0
voti

[17] Re: Regolazione di Tensione con Zener

Messaggioda Foto UtenteTekonoris » 10 lug 2019, 7:29

Accettato il suggerimento del nuovo circuito :lol:
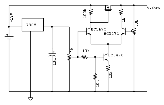
Ho abbandonato quello non funzionante e ho provato con quello nuovo. Nominato Circuito 3 ! :D Attualmente in lavorazione ...

Leggendo l'articolo, per confrontarli, ho pensato di aggiungere queste due prove:
1) Tensione variabile (Dolcemente e Rapidamente)
2) Corrente variabile (Carico - Dolcemente e Rapidamente)

Per fare questo ho pensato di tirare fuori dal cassetto dei vecchi progetti, un generatore di Forme d'onda a frequenza variabile e di utilizzarlo per creare queste variazioni.
Il circuito esce con una "qualunque forma d'onda" da un Follower fatto con OP (0-5 V - 1,5 kHz - 25 mA circa), quindi la prima cosa che ho fatto è creare un Follower a MOSFET con integratore DC per avere un circuito in Potenza modificabile al caso (0-12 V - 1,5 kHz - 500 mA circa).

Il Circuito 2 rimane lo stesso del post #14:
Tranne il condensatore sull'op che passa da 10n a 1n. Questo comporta (simulatore) una riduzione dei tempi di risposta sugli sbalzi di tensione. Verificato anche in pratica.
Immagino abbia anche altre "conseguenze" magari indesiderate, indagherò...
Se non ho capito male determina l'inclinazione della rampa dell'integratore e di conseguenza la rapidità della risposta.
V_u = - \frac{1}{R * C} * V * t

Il circuito 3 diventa quello dell'articolo linkato da Foto Utenteclaudiocedrone, rivisitato per l'occasione :D

Per il momento (visto che non ho un regolatore a 3V e non voglio lo Zener), mi accontento di partizionare un 7805. Visti i bassi assorbimenti, non dovrebbero esserci eccessive fluttuazioni.

Circuito per effettuare le prove:
Un sommatore di tensioni (peso variabile) con MOSFET in uscita (preso da uno schema di un amplificatore audio).
Solo semionda positiva con retroazione e diodo per abbassare il "Crossover Distortion". :D


Prova in Tensione:

Mettendo il circuito prima del regolatore simulo le varie tensioni della batteria in ingresso al regolatore.

Prova in Corrente:

Mettendo il circuito dopo il regolatore, "creo" un generatore di corrente.

Le foto sono delle prove del Circuito 2. Appena riesco metterò anche quelle del Circuito 3.
Nelle prove in corrente (devo ancora provare con correnti più elevate, per adesso sono sui 50 mA) ho un ripple di 180 mV (alto) con il condensatore di livellamento e 424 mV senza con picchi in corrispondenza di cambi bruschi.
Per la prova in Tensione si vedono i ritardi al livellamento (sempre senza condensatore) tano più accentuati tanto più il cambio di tensione è rapido.
Adesso provo il circuito 3 e poi saldo per riprovare con un circuito più stabile... La fuequenza impostata non è quella letta dall'Osc, ma siamo intorno ai 150 Hz.
Foto sopra, prova in tensione, sotto prova in corrente senza condensatore di livellamento.

Domanda/e:
Per rendere il progetto un po meno "spazzatura" e magari avvicinarmi allo stato di "gioco" sempre molto lontano da "Serio" e anni luce da professionale (non è il mio mestiere), che tipo di test dovrei fare ?
Le specifiche che mi sono imposto sono:
Vin = 10 - 13 V
Iout <= 500 mA
Vout con basso Drop-out
Poter regolare la soglia massima x Vout (il più stabile possibile)

Grossi conti (almeno per il circuito 2) non ce ne sono e le verifiche su datasheet le ho fatte. (In teoria almeno #-o )

Le prove del link Circuito 3 sono tutte a simulatore, che per quanto apprezzi moltissimo (e mi ha aperto un nuovo mondo come al solito vastissimo), mi pare di capire che valgono relativamente.
A questo punto che prove dovrei pensare di fare ? Quelle fatte sono corrette ? Voi cosa fareste ?
Devo considerare di testare anche la temperatura? Per gli Spike dovrei essere a posto con il generatore di forme d'onda ?

Come al solito grazie per la pazienza (se siete arrivati fino a qui :D ) e ogni suggerimento / commento è SEMPRE BEN ACCETTO.

n.b. Curiosità - Ci riprovo :D
Come si fanno le tabelle in EY-tex? (io ho usato una matrice, ma mi piacerebbero le righette).
Allegati
ProvaV.PNG
ProvaI.PNG
Avatar utente
Foto UtenteTekonoris
313 3 8
Stabilizzato
Stabilizzato
 
Messaggi: 392
Iscritto il: 19 ott 2018, 10:31

0
voti

[18] Re: Regolazione di Tensione con Zener

Messaggioda Foto Utenteclaudiocedrone » 10 lug 2019, 13:17

Tekonoris ha scritto: ...ci riprovo... ...Come si fanno le tabelle in EY-tex?...

Non ne ho idea... prova a vedere se questo ti è d'aiuto;
quel poco che posso dirti riguardo LaTeX è solo di non usare l'asterisco per indicare la moltiplicazione (l'asterisco indica la convoluzione) ma "\cdot" oppure "\times" a seconda dei casi.
O_/
"Non farei mai parte di un club che accettasse la mia iscrizione" (G. Marx)
Avatar utente
Foto Utenteclaudiocedrone
21,3k 4 7 9
Master EY
Master EY
 
Messaggi: 15303
Iscritto il: 18 gen 2012, 13:36

0
voti

[19] Re: Regolazione di Tensione con Zener

Messaggioda Foto UtenteTekonoris » 10 lug 2019, 13:28

Ok.
Il parsing per le tabelle lo avevo trovato, ma su EY non funziona... infatti avevo chiesto la sintassi per EY-tex :lol:
comunque Documento interessante.

Grazie
Avatar utente
Foto UtenteTekonoris
313 3 8
Stabilizzato
Stabilizzato
 
Messaggi: 392
Iscritto il: 19 ott 2018, 10:31

0
voti

[20] Re: Regolazione di Tensione con Zener

Messaggioda Foto Utenteclaudiocedrone » 10 lug 2019, 13:32

Tekonoris ha scritto: ...su EY non funziona... infatti avevo chiesto la sintassi per EY-tex...

Il rendering del forum è datato e limitato per cui magari non è proprio possibile farlo :lol:
"Non farei mai parte di un club che accettasse la mia iscrizione" (G. Marx)
Avatar utente
Foto Utenteclaudiocedrone
21,3k 4 7 9
Master EY
Master EY
 
Messaggi: 15303
Iscritto il: 18 gen 2012, 13:36

PrecedenteProssimo

Torna a Elettronica generale

Chi c’è in linea

Visitano il forum: Nessuno e 82 ospiti