Ricombinare ingressi e uscite a 24 Vac
Moderatori:
carloc,
g.schgor,
BrunoValente,
IsidoroKZ
38 messaggi
• Pagina 2 di 4 • 1, 2, 3, 4
0
voti
???
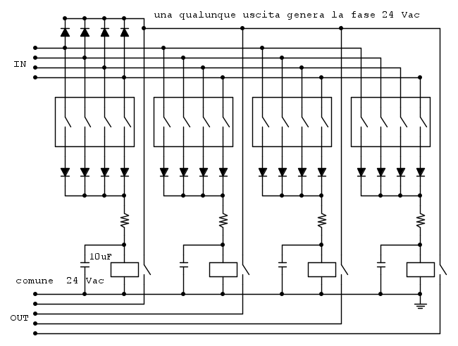
La parte di comando è collegata a valle dei diodi, adattata con la resistenza e filtrata dal condensatore che mitiga i picchi, l'altra è diretta.
L'ho disegnata sbagliata?
Maurizio
La parte di comando è collegata a valle dei diodi, adattata con la resistenza e filtrata dal condensatore che mitiga i picchi, l'altra è diretta.
L'ho disegnata sbagliata?
Maurizio
0
voti
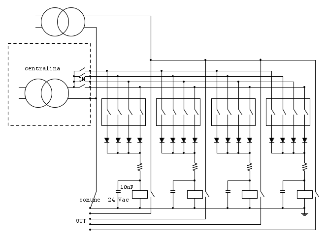
Lo modificherei così, se non hai un morsetto con la fase 24 Vac
Marco
1
voti
Attento, con la mia soluzione proposta la tensione alle elettrovalvole è raddrizzata a singola semionda. Non ha vantaggi rispetto a mettere le E/V al posto delle bobine dei rele.
Se non va bene, occorre proprio accedere alla fase 24 Vac. Eventualmente mettendo un trasformatore 220Vac/24Vac.
Se non va bene, occorre proprio accedere alla fase 24 Vac. Eventualmente mettendo un trasformatore 220Vac/24Vac.
0
voti
Infatti, mi stavo studiando bene il circuito ed effettivamente fatto così vanifica i relè, è equivalente a usare direttamente il circuito che avevo fatto per la DC.
Devo trovare il modo per far arrivare l'onda intera a 24 Vac.
Maurizio
Devo trovare il modo per far arrivare l'onda intera a 24 Vac.
Maurizio
1
voti
Prima di procedere cercherei di capire se le uscite si possono parallelare, probabilmente sì e se si possono parallelare sarebbe molto più semplice.
Prova a collegare una elettrovalvola tra due uscite e fai in modo che una delle due sia accesa e l'altra no, in questo modo se l'elettrovalvola si accende vuol dire che non puoi parallelarle, se invece non si accende prova a mettere un fusibile da 50mA (quindi molto piccolo) tra le stesse due uscite, se non salta vuol dire che puoi parallellarle.
Prova a collegare una elettrovalvola tra due uscite e fai in modo che una delle due sia accesa e l'altra no, in questo modo se l'elettrovalvola si accende vuol dire che non puoi parallelarle, se invece non si accende prova a mettere un fusibile da 50mA (quindi molto piccolo) tra le stesse due uscite, se non salta vuol dire che puoi parallellarle.
-

BrunoValente
39,6k 7 11 13 - G.Master EY

- Messaggi: 7796
- Iscritto il: 8 mag 2007, 14:48
1
voti
38 messaggi
• Pagina 2 di 4 • 1, 2, 3, 4
Chi c’è in linea
Visitano il forum: Google [Bot] e 150 ospiti

Elettrotecnica e non solo (admin)
Un gatto tra gli elettroni (IsidoroKZ)
Esperienza e simulazioni (g.schgor)
Moleskine di un idraulico (RenzoDF)
Il Blog di ElectroYou (webmaster)
Idee microcontrollate (TardoFreak)
PICcoli grandi PICMicro (Paolino)
Il blog elettrico di carloc (carloc)
DirtEYblooog (dirtydeeds)
Di tutto... un po' (jordan20)
AK47 (lillo)
Esperienze elettroniche (marco438)
Telecomunicazioni musicali (clavicordo)
Automazione ed Elettronica (gustavo)
Direttive per la sicurezza (ErnestoCappelletti)
EYnfo dall'Alaska (mir)
Apriamo il quadro! (attilio)
H7-25 (asdf)
Passione Elettrica (massimob)
Elettroni a spasso (guidob)
Bloguerra (guerra)




