- Codice: Seleziona tutto
in questo caso perché Rin2=R2 essendoci di mezzo l'op amp
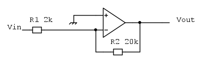
Visto che nessuno è intervenuto prima, lo spiego io forse in modo un poco confuso:
Supponi C1 molto grande, in modo che non sia presa in considerazione.
Il guadagno dell'operazionale reazionato a frequenza bassissima sarà A = - R2/R1, la XC2 è elevatissima e dato che è in parallelo alla R2 è trascurabile.
A frequenza elevate l'amplificazione tende a zero perché la reattanza di C2 cortocircuita la R2.
La frequenza di taglio è quella per cui la XC2 è uguale alla R2.
La frequenza di taglio o polo è quella alla quale il guadagno cala a 0,707
( 1/radice di due) il valore a frequenza bassa.
Al crescere della frequenza A = - Z2/R1
dove Z2 = XC2 // R2 = ((1/JWC2)x R2)/(R2 + 1/JWC2) = R2 / ( R2 x JWC2 + 1)
quando 1/JWC2 = R2 Z2 = R2 x 0,707 quindi Wpolo = 1/(R2xC2)


Elettrotecnica e non solo (admin)
Un gatto tra gli elettroni (IsidoroKZ)
Esperienza e simulazioni (g.schgor)
Moleskine di un idraulico (RenzoDF)
Il Blog di ElectroYou (webmaster)
Idee microcontrollate (TardoFreak)
PICcoli grandi PICMicro (Paolino)
Il blog elettrico di carloc (carloc)
DirtEYblooog (dirtydeeds)
Di tutto... un po' (jordan20)
AK47 (lillo)
Esperienze elettroniche (marco438)
Telecomunicazioni musicali (clavicordo)
Automazione ed Elettronica (gustavo)
Direttive per la sicurezza (ErnestoCappelletti)
EYnfo dall'Alaska (mir)
Apriamo il quadro! (attilio)
H7-25 (asdf)
Passione Elettrica (massimob)
Elettroni a spasso (guidob)
Bloguerra (guerra)






