Comunque nella tesi presento la versione a singolo canale ;)
e su tutto il resto che ho riportato sul mio lavoro non trovi nulla da criticare?
Moderatori:
carloc,
g.schgor,
BrunoValente,
IsidoroKZ
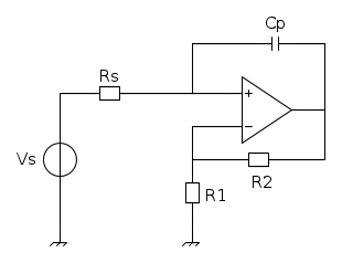
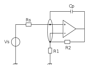
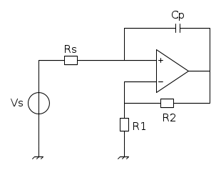
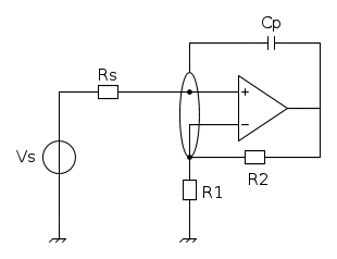
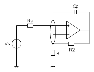
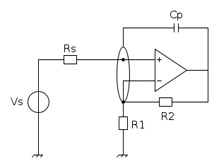
non sia troppo alta: meglio 100 ohm di 1 kohm.
instead of
(Anonimo).
ain't
, right?
in lieu of
.
for
arithm.

instead of
(Anonimo).
ain't
, right?
in lieu of
.
for
arithm.

DirtyDeeds ha scritto:Tieni conto che in certi tipi di circuiti, le ragioni del segnale devono prevalere su quelle dello spazio... a cosa servirebbe fare un circuito piccolo ma non funzionante?
giulia87 ha scritto:- intendo simulare in ingresso un segnale reale, che non è sinusoidale. Posso caricarlo in LTSpice? altrimenti uso Simulink di matlab.


DarwinNE ha scritto:(io però i calcoli sul rumore li avrei prima fatti a mano, perché non mi fiderei ad usare una scatola nera senza sapere cosa c'è dietro).
DarwinNE ha scritto:Probabilmente, inizierei con componenti di dimensioni tradizionali su millefori
giulia87 ha scritto:1) monto circuito del singolo canale su BREADBOARD (abbiamo questa in lab), con componenti through hole. per circuito singolo canale intendo quello postato sopra con FIDOCAD ma anche un circuito che mette al GROUND l'elettrodo di riferimento, né?
giulia87 ha scritto:2) lo testo. Testo magari la configurazione che ho disegnato e anche una in cui provo a mettere i filtri a guadagno unitario e un Opamp in più in cascata, come suggerito da belva?
Ma ricordati di annotare con precisione tutto quello che fai. Se può, un elettronico lavora SEMPRE con uno schema elettrico sotto gli occhi.giulia87 ha scritto:3) disegno la versione SMD per singolo canale con Eagle, con anello di guardia, mando in produzione o la faccio io (da vedere)
giulia87 ha scritto:prima di fare ciò in realtà devo ancora vedere per l'alimentazione a batteria, ovvero sceglierla e vedere come fare il suo circuito sia sul millefori sia sulla PCB.... qualche consiglio a proposito?![]()


DarwinNE ha scritto:Ci vuole un po' di mano a saldare gli SMD, ma non è impossibile
Visitano il forum: Majestic-12 [Bot] e 50 ospiti