ok marco grazie mi baso sul tuo schema intanto poi lo modificerò casomai.
questo progetto lo farò finito il progetto dell'amplificatore....
una cosa per volta...
strobo
Moderatori:
carloc,
g.schgor,
BrunoValente,
IsidoroKZ
38 messaggi
• Pagina 3 di 4 • 1, 2, 3, 4
0
voti
[22] Re: strobo
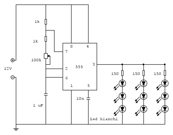
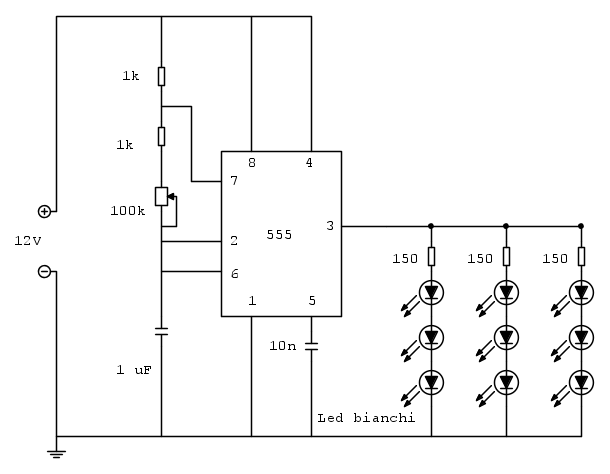
marco438 ha scritto:...150 ohm 1/4W; e' un valore un po' inusuale ma dovresti trovarle.
nonmolto inusuale,i valori standard ( stabiliti in base al valore ohmico ed alla tolleranza per diverse categorie) della categ. E12 fornisce in commercio resistori con valori di:
1 - 1,2 - 1,5 - 1,8 - 2,2 - 2,7 - 3,3 - 3,9 - 4,7 - 5,6 - 6,8 - 8,2
la serie complessiva si ottiene moltiplicando per 10-100-1k-10k-100k-1M i valori della serie indicata.
le altre categ. E24 - E96 - E48 comprendono gli stessi valori ed altri intermedi.
0
voti
[23] Re: strobo
Grazie
mir per il tuo intervento.
In effetti avrei dovuto scrivere che " sono di difficile reperibilita' " (almeno dalle mie parti) e non "valore inusuale".
Ciao e buona domenica, Marco
In effetti avrei dovuto scrivere che " sono di difficile reperibilita' " (almeno dalle mie parti) e non "valore inusuale".
Ciao e buona domenica, Marco
marco
0
voti
[24] Re: strobo
si e difficile da trovare anche da me l'ultima volta che sono andato in negozio gli ho chiesto una resistenza da 150 ohm ma non ne aveva e me l'ha data da 130 ohm la più vicina che aveva...
corregetemi se non è giusto...
corregetemi se non è giusto...
0
voti
[25] Re: strobo
Un Saluto e Buona Domenica anche a Te marco..

0
voti
[26] Re: strobo
anche io il più vicino c'è l'ho a 20 km.
mir cosa ne pensi del circuito può andare bene.<'?
magari sarà da aggiungere altre 4 file di led con sempre una resistenza da 150 ohm.
e in tutto saranno 21 led..
che ne dite?? è giusto??
mir cosa ne pensi del circuito può andare bene.<'?
magari sarà da aggiungere altre 4 file di led con sempre una resistenza da 150 ohm.
e in tutto saranno 21 led..
che ne dite?? è giusto??
0
voti
[27] Re: strobo
Perche' hai tolto un ramo di led?
Prova prima il circuito originale cosi' come e' stato disegnato; poi vedremo.
Le resistenze vanno bene anche da 130 se le trovi, ma non da meno.

Prova prima il circuito originale cosi' come e' stato disegnato; poi vedremo.
Le resistenze vanno bene anche da 130 se le trovi, ma non da meno.

marco
0
voti
[28] Re: strobo
teo125 ha scritto:mir cosa ne pensi del circuito può andare bene.<'?
per il circuito segui le ottime indicazioni
teo125 ha scritto:magari sarà da aggiungere altre 4 file di led con sempre una resistenza da 150 ohm.
magari, sarà il caso di sentire
0
voti
[29] Re: strobo
x marco ok scusa
ma in tutti e due i rami metto 9 led con 130 ohm all'inizzio di tutte le serie di led??
x mir ok aspetto il consiglio di marco..
ma allora se utilizzo tutti e due i rami di led posso accontentarmi anche di 18 led ma se si potesse arrivare a 24 cioè mettere una serie in più di led ogni ramo sarebbe meglio.
ma in tutti e due i rami metto 9 led con 130 ohm all'inizzio di tutte le serie di led??
x mir ok aspetto il consiglio di marco..
ma allora se utilizzo tutti e due i rami di led posso accontentarmi anche di 18 led ma se si potesse arrivare a 24 cioè mettere una serie in più di led ogni ramo sarebbe meglio.
0
voti
[30] Re: strobo
Come gia' ti ho detto prima, lascia il circuito inalterato cambiando solo le sei resistenze con altre da 150/130 ohm.
Dopo aver provato questa soluzione, se tutto va bene e sei soddisfatto del risultato, bene!
Altrimenti proveremo soluzioni diverse.

Dopo aver provato questa soluzione, se tutto va bene e sei soddisfatto del risultato, bene!
Altrimenti proveremo soluzioni diverse.

marco
38 messaggi
• Pagina 3 di 4 • 1, 2, 3, 4
Chi c’è in linea
Visitano il forum: Nessuno e 172 ospiti

Elettrotecnica e non solo (admin)
Un gatto tra gli elettroni (IsidoroKZ)
Esperienza e simulazioni (g.schgor)
Moleskine di un idraulico (RenzoDF)
Il Blog di ElectroYou (webmaster)
Idee microcontrollate (TardoFreak)
PICcoli grandi PICMicro (Paolino)
Il blog elettrico di carloc (carloc)
DirtEYblooog (dirtydeeds)
Di tutto... un po' (jordan20)
AK47 (lillo)
Esperienze elettroniche (marco438)
Telecomunicazioni musicali (clavicordo)
Automazione ed Elettronica (gustavo)
Direttive per la sicurezza (ErnestoCappelletti)
EYnfo dall'Alaska (mir)
Apriamo il quadro! (attilio)
H7-25 (asdf)
Passione Elettrica (massimob)
Elettroni a spasso (guidob)
Bloguerra (guerra)




