
Orologio digitale
Moderatori:
carloc,
g.schgor,
BrunoValente,
IsidoroKZ
0
voti
Se adoperi un'alimentazione a 5V (come mi sembra tu abbia detto) puoi adoperare anche un TTL 7400.
Naturalmente lo schema cambia un po'; per la diversa piedinatura vedi i rispettivi datasheet.
Visto che e' un TUO progetto, porrei maggiore attenzione a quanto ti viene suggerito ad evitare post inutili.
Naturalmente lo schema cambia un po'; per la diversa piedinatura vedi i rispettivi datasheet.
Visto che e' un TUO progetto, porrei maggiore attenzione a quanto ti viene suggerito ad evitare post inutili.
marco
0
voti
prima di partire però vorrei ancora chiedere una piccola cosa...
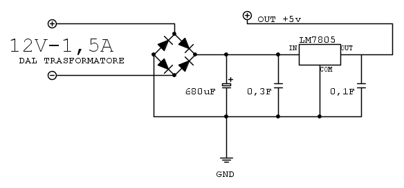
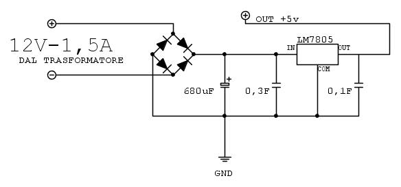
nello schema dell alimentatore stabilizzato
quei due condensatori da o,3 e 0,1 sono F o uF...?
ho cercato anche sull articolo originale ma non c'è scritto...

nello schema dell alimentatore stabilizzato
quei due condensatori da o,3 e 0,1 sono F o uF...?
ho cercato anche sull articolo originale ma non c'è scritto...

0
voti
Ti consiglio di correggere lo schema; cosi' come hai indicato i condensatori si intendono da 0.33 Farad e 0.1 Farad
In realta' si tratta di 0.33 e 0.1 uF (microFarad) equivalenti a 330.000pF e 100.000pF.
In realta' si tratta di 0.33 e 0.1 uF (microFarad) equivalenti a 330.000pF e 100.000pF.
marco
0
voti
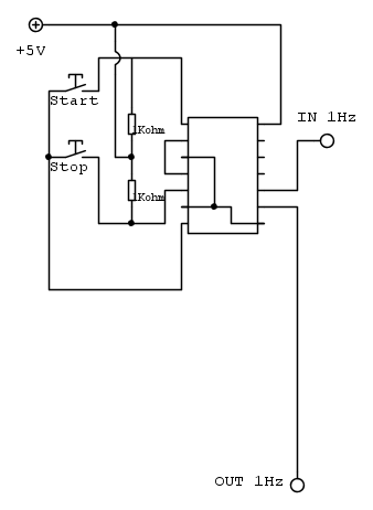
per ora o fatto solo il generatore di clock e il circuito di start/stop... L alimentatore dato che non so ancora che display uso lo lascio per ultimo...
ma credo (e spero) che entro fine sett di riuscire a prendere i display e il ponte di diodi cosi la prima parte e finita...
...per controllare se ho fatto tutti i collegamenti giusti c e un modo per controllare l effettivo funzionamento della prima parte del circuito..? (alimentatore-geberatore di clock-circuito start/stop)
Chi c’è in linea
Visitano il forum: Google [Bot] e 99 ospiti

Elettrotecnica e non solo (admin)
Un gatto tra gli elettroni (IsidoroKZ)
Esperienza e simulazioni (g.schgor)
Moleskine di un idraulico (RenzoDF)
Il Blog di ElectroYou (webmaster)
Idee microcontrollate (TardoFreak)
PICcoli grandi PICMicro (Paolino)
Il blog elettrico di carloc (carloc)
DirtEYblooog (dirtydeeds)
Di tutto... un po' (jordan20)
AK47 (lillo)
Esperienze elettroniche (marco438)
Telecomunicazioni musicali (clavicordo)
Automazione ed Elettronica (gustavo)
Direttive per la sicurezza (ErnestoCappelletti)
EYnfo dall'Alaska (mir)
Apriamo il quadro! (attilio)
H7-25 (asdf)
Passione Elettrica (massimob)
Elettroni a spasso (guidob)
Bloguerra (guerra)






