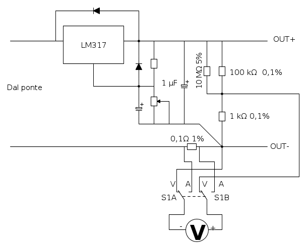
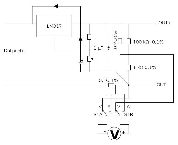
DirtyDeeds ha scritto:Però non disegnare i conduttori tangenti al voltmetro
d'accordo,disegno corretto.
Moderatori:
carloc,
g.schgor,
BrunoValente,
IsidoroKZ


instead of
(Anonimo).
ain't
, right?
in lieu of
.
for
arithm.

instead of
(Anonimo).
ain't
, right?
in lieu of
.
for
arithm.





DirtyDeeds ha scritto:mi sembra di capire che il simbolo per il deviatore potrebbe essere questo:...
mir ha scritto:il simbolo rappresenta un contatto di scambio senza interruzione
instead of
(Anonimo).
ain't
, right?
in lieu of
.
for
arithm.



Visitano il forum: Nessuno e 170 ospiti