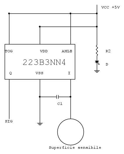
la configurzione dell'integrato versione 6 pin è questa
e quindi si, niente risparmio e., altro bug dell'inserzione
Non so se questo progetto è alla mia portata
Moderatori:
carloc,
g.schgor,
BrunoValente,
IsidoroKZ
0
voti

Più so e più mi accorgo di non sapere.
Qualsiasi cosa abbia scritto, tieni presente che sono ancora al mio primo rocchetto di stagno.
Qualsiasi cosa abbia scritto, tieni presente che sono ancora al mio primo rocchetto di stagno.
0
voti
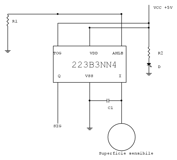
Ecco il piano:
Rimuovo R1 sul PCB e collego sia TOG che AHLB a VCC.
Questo se ho capito bene farà si che quando il sensore è collegato all'alimentazione inizia a con il dare un segnale HIGH, mentre una volta toccato inizia la modalità TOGGLE
Se invece ho frainteso il datasheet e i consigli di eAlucarD, dovrò modificare il PCB, lasciare AHLB che va a GND mediante R1 e tagliare la pista di TOG, collegare poi TOG a VDD.
Così:
Questo sarebbe un tantino più laborioso. credo.
Rimuovo R1 sul PCB e collego sia TOG che AHLB a VCC.
Questo se ho capito bene farà si che quando il sensore è collegato all'alimentazione inizia a con il dare un segnale HIGH, mentre una volta toccato inizia la modalità TOGGLE
Se invece ho frainteso il datasheet e i consigli di eAlucarD, dovrò modificare il PCB, lasciare AHLB che va a GND mediante R1 e tagliare la pista di TOG, collegare poi TOG a VDD.
Così:
Questo sarebbe un tantino più laborioso. credo.

Più so e più mi accorgo di non sapere.
Qualsiasi cosa abbia scritto, tieni presente che sono ancora al mio primo rocchetto di stagno.
Qualsiasi cosa abbia scritto, tieni presente che sono ancora al mio primo rocchetto di stagno.
0
voti
Gentili amici, ci siamo! Tutto ha funzionato come previsto e grazie a voi:
-ho dissaldato il mio primo SMD
-ho modificato il sensore
-ho imparato un sacco di cose
La modifica è provvisoria, in quanto non so come andrò ad implementare l'interruttore. Tolta di mezzo R1, ho prima collegato ai 5V sia TOG che AHLB e questo, come previsto ha prodotto un interruttore che inizia con lo stato di acceso.
Poi con un po di forza bruta ho interrotto la pista che collegava AHLB e l'ho lasciato penzolone. Questo come previsto ha prodotto l'interruttore che desideravo. Inizia spento e al tocco si accende rimanendo così fino al prossimo tocco.
Ecco una foto tanto per gradire:
Insomma grandi soddisfazioni per un novellino.
E devo ringraziare soprattutto voi. Ora mi metto a lavoro sullo schema generale.

-ho dissaldato il mio primo SMD
-ho modificato il sensore
-ho imparato un sacco di cose
La modifica è provvisoria, in quanto non so come andrò ad implementare l'interruttore. Tolta di mezzo R1, ho prima collegato ai 5V sia TOG che AHLB e questo, come previsto ha prodotto un interruttore che inizia con lo stato di acceso.
Poi con un po di forza bruta ho interrotto la pista che collegava AHLB e l'ho lasciato penzolone. Questo come previsto ha prodotto l'interruttore che desideravo. Inizia spento e al tocco si accende rimanendo così fino al prossimo tocco.
Ecco una foto tanto per gradire:
Insomma grandi soddisfazioni per un novellino.
E devo ringraziare soprattutto voi. Ora mi metto a lavoro sullo schema generale.

Più so e più mi accorgo di non sapere.
Qualsiasi cosa abbia scritto, tieni presente che sono ancora al mio primo rocchetto di stagno.
Qualsiasi cosa abbia scritto, tieni presente che sono ancora al mio primo rocchetto di stagno.
0
voti
Ho qualche problema con questi led. Forse mi aspetto un comportamento che non possono tenere.
http://www.ebay.it/itm/321611501121?_tr ... EBIDX%3AIT
Quando ne alimento uno, tutto ok. Fa le sue belle sfumature.
Il problema nasce quando ne alimento una serie anche di 3-4 elementi (con resistore). Dopo un paio di cicli perfettamente coordinati, ognuno comincia ad andare vistosamente per i fatti suoi. Insomma perdono la sincronizzazione.
Ora magari sono io che mi aspetto un comportamento che i componenti di questo tipo non possono avere e dovrei procurarmi una striscia led pilotabile da driver.
Il fatto è che se ogni led fa il colore che gli pare, ovviamente mi ritrovo una tonalità non definita e tutto l'effetto si perde.
Quindi che mi consigliate? Devo forse fare un circuito che mi interrompe l'alimentazione ai led ogni 2 cicli così da resettarli? Io propenderei per led pilotabili invece di questi automatici, ma attendo la vostra opinione. Sarei anche curioso di capire che li fanno a fare questi modelli di led,
Grazie mille.
http://www.ebay.it/itm/321611501121?_tr ... EBIDX%3AIT
Quando ne alimento uno, tutto ok. Fa le sue belle sfumature.
Il problema nasce quando ne alimento una serie anche di 3-4 elementi (con resistore). Dopo un paio di cicli perfettamente coordinati, ognuno comincia ad andare vistosamente per i fatti suoi. Insomma perdono la sincronizzazione.
Ora magari sono io che mi aspetto un comportamento che i componenti di questo tipo non possono avere e dovrei procurarmi una striscia led pilotabile da driver.
Il fatto è che se ogni led fa il colore che gli pare, ovviamente mi ritrovo una tonalità non definita e tutto l'effetto si perde.
Quindi che mi consigliate? Devo forse fare un circuito che mi interrompe l'alimentazione ai led ogni 2 cicli così da resettarli? Io propenderei per led pilotabili invece di questi automatici, ma attendo la vostra opinione. Sarei anche curioso di capire che li fanno a fare questi modelli di led,
Grazie mille.

Più so e più mi accorgo di non sapere.
Qualsiasi cosa abbia scritto, tieni presente che sono ancora al mio primo rocchetto di stagno.
Qualsiasi cosa abbia scritto, tieni presente che sono ancora al mio primo rocchetto di stagno.
0
voti
Mi sono risposto da solo: é normale che perdano la sincronizzazione e l'unica soluzione mi sembra quella di resettarli ogni 6-7 secondi. Ma come?
https://www.adafruit.com/products/679
https://www.adafruit.com/products/679
Più so e più mi accorgo di non sapere.
Qualsiasi cosa abbia scritto, tieni presente che sono ancora al mio primo rocchetto di stagno.
Qualsiasi cosa abbia scritto, tieni presente che sono ancora al mio primo rocchetto di stagno.
0
voti
Forse e dico forse, utilizzando un 555 in configurazione astabile, potrei resettare i led ogni 6-7 secondi. Ho trovato un grande articolo!
http://www.electroyou.it/bagolaro/wiki/ ... _timer_555
http://www.electroyou.it/bagolaro/wiki/ ... _timer_555
Più so e più mi accorgo di non sapere.
Qualsiasi cosa abbia scritto, tieni presente che sono ancora al mio primo rocchetto di stagno.
Qualsiasi cosa abbia scritto, tieni presente che sono ancora al mio primo rocchetto di stagno.
1
voti
faranno la tokyo drift comunque
... forse se li metti in frigo
per tenerli sincroni dovresti tenered'occhio cosa fa ciascuno e allora tanto vale usare led RGB semplici
e comandarli
quel tipo di led si usa in giocattoli cinesi a basso costo e in genere c'è 1 solo led in tutto il giocattolo
... forse se li metti in frigo
per tenerli sincroni dovresti tenered'occhio cosa fa ciascuno e allora tanto vale usare led RGB semplici
e comandarli
quel tipo di led si usa in giocattoli cinesi a basso costo e in genere c'è 1 solo led in tutto il giocattolo
E l’uomo si addormentò e nel sogno creò il mondo
0
voti
il prossimo progetto riguarderá un giocattolo rgb... É un presentimento... 
Più so e più mi accorgo di non sapere.
Qualsiasi cosa abbia scritto, tieni presente che sono ancora al mio primo rocchetto di stagno.
Qualsiasi cosa abbia scritto, tieni presente che sono ancora al mio primo rocchetto di stagno.
0
voti
Dunque
eAlucarD, siccome quando mi hai scritto avevo già iniziato a documentarmi sull'uso del 555 in modalità astabile con l'ottimo articolo di
bagolaro rintracciabile qui http://www.electroyou.it//wiki/tutorial_timer_555 ho deciso di provare comunque, non tanto per i led RGB quanto per divertirmi un po a creare il segnale che mi serviva.
In questo modo ho creato un segnale che viene a mancare per un decimo di secondo ogni 20 se mi pare. Diciamo che sono andato ad occhio, seguendo il comportamento del banco di led, senza prestare troppa attenzione all'oscilloscopio.
Un video chiarisce che la cosa effettivamente più funzionare.
In pratica quando i led tornano sulle tonalità calde e si avvicinano al rosso, il 555 fa cadere la tensione e resetta tutto garantendo così un ottima resa cromatica. E' chiaro che avendo led sincronizzati avrei avuto un risultato migliore. Ma almeno così posso decidere se prenderli o tenermi questi.
Che ve ne pare?

In questo modo ho creato un segnale che viene a mancare per un decimo di secondo ogni 20 se mi pare. Diciamo che sono andato ad occhio, seguendo il comportamento del banco di led, senza prestare troppa attenzione all'oscilloscopio.
Un video chiarisce che la cosa effettivamente più funzionare.
In pratica quando i led tornano sulle tonalità calde e si avvicinano al rosso, il 555 fa cadere la tensione e resetta tutto garantendo così un ottima resa cromatica. E' chiaro che avendo led sincronizzati avrei avuto un risultato migliore. Ma almeno così posso decidere se prenderli o tenermi questi.
Che ve ne pare?

Più so e più mi accorgo di non sapere.
Qualsiasi cosa abbia scritto, tieni presente che sono ancora al mio primo rocchetto di stagno.
Qualsiasi cosa abbia scritto, tieni presente che sono ancora al mio primo rocchetto di stagno.
Chi c’è in linea
Visitano il forum: Nessuno e 161 ospiti

Elettrotecnica e non solo (admin)
Un gatto tra gli elettroni (IsidoroKZ)
Esperienza e simulazioni (g.schgor)
Moleskine di un idraulico (RenzoDF)
Il Blog di ElectroYou (webmaster)
Idee microcontrollate (TardoFreak)
PICcoli grandi PICMicro (Paolino)
Il blog elettrico di carloc (carloc)
DirtEYblooog (dirtydeeds)
Di tutto... un po' (jordan20)
AK47 (lillo)
Esperienze elettroniche (marco438)
Telecomunicazioni musicali (clavicordo)
Automazione ed Elettronica (gustavo)
Direttive per la sicurezza (ErnestoCappelletti)
EYnfo dall'Alaska (mir)
Apriamo il quadro! (attilio)
H7-25 (asdf)
Passione Elettrica (massimob)
Elettroni a spasso (guidob)
Bloguerra (guerra)




