Ecco la simulazione con Multisim:
Gli indicatori a luce rossa indicano le uscite attive
ed è facile seguire le sequenze di conteggio.
In altrenativa si possono tracciare gli andamenti delle uscite
con oscilloscopio virtuale:
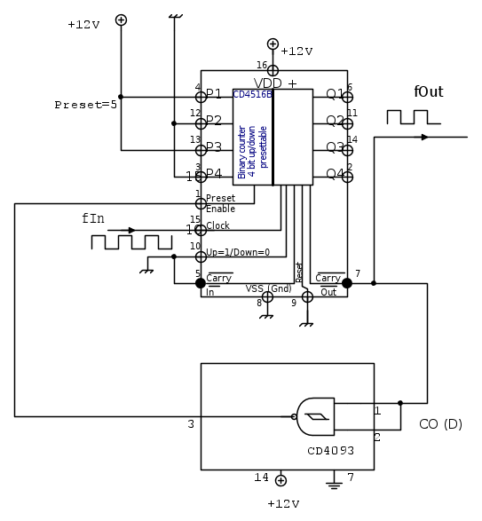
Come si vede, essendo nello schema il preset=4 si ha
il conteggio di 5 impulsi fra gli zeri di TC (o CO).
cd4516 presettable counter come divisore di frequenza
Moderatori:
carloc,
g.schgor,
BrunoValente,
IsidoroKZ
0
voti
Interessante tool Simulinc .
La frequenza divisa la sia ha al CO (TC) o al PE (PL).
Ho riprovato in altri modi , ma non funziona .
Ho fatto tutto con mille fori , ora rifaccio con breadboard CD4516 e 1 porta nand CD4093 , poi vi faccio sapere.
Grazie.
La frequenza divisa la sia ha al CO (TC) o al PE (PL).
Ho riprovato in altri modi , ma non funziona .
Ho fatto tutto con mille fori , ora rifaccio con breadboard CD4516 e 1 porta nand CD4093 , poi vi faccio sapere.
Grazie.
0
voti
Ho provato con la breadboard , counter CD4516 e nand 4093 , ma non funziona.
Tutto va se manovro io a mano il PE tra L e H .
Ho notato che dopo aver messo manualmente il PE a H , carico dati ok , CO andato a H , per cui out porta nand a L , e ricollegato PE a out porta nand , il contatore non conta , è bloccato , messo PE a L , OV alimentazione , conta .
PEr cui il valoe L della porta nand sul PE blocca il contatore.
Tutto va se manovro io a mano il PE tra L e H .
Ho notato che dopo aver messo manualmente il PE a H , carico dati ok , CO andato a H , per cui out porta nand a L , e ricollegato PE a out porta nand , il contatore non conta , è bloccato , messo PE a L , OV alimentazione , conta .
PEr cui il valoe L della porta nand sul PE blocca il contatore.
Ultima modifica di
adert il 10 feb 2015, 23:52, modificato 3 volte in totale.
0
voti
Mah ... Sarà che non ho capito come funziona il contatore e pensavo ci volesse un FF, ma me suona tutto veramente strano.
I due integrati sono alimentati alla stessa tensione vero ?
I due integrati sono alimentati alla stessa tensione vero ?
0
voti
simo85 ha scritto:.
I due integrati sono alimentati alla stessa tensione vero ?
Si, ho fatto un'altra prova , ho scollegato gli ingressi della nand dal CO e ho dato manualmente il comando al PE attrverso la porta nand e funziona.
Il sistema non funziona quando è chiuso in loop con porta nand tra CO e PE .
0
voti
Ho fatto delle altre prove con un transistor per l'inversione , bc108b , ma fa la stessa cosa , se in loop tra CO e PE non va , va se lo faccio in manuale anche attraverso transistor.
1
voti
Sembra si crei una specie di reazione
che sposta il livello d'uscita (sarebbe
opportuno vedere con oscilloscopio)
Per un tentativo di disaccoppiamento:
prova a mettere in serie al NAND altri due.
che sposta il livello d'uscita (sarebbe
opportuno vedere con oscilloscopio)
Per un tentativo di disaccoppiamento:
prova a mettere in serie al NAND altri due.
Chi c’è in linea
Visitano il forum: Nessuno e 135 ospiti

Elettrotecnica e non solo (admin)
Un gatto tra gli elettroni (IsidoroKZ)
Esperienza e simulazioni (g.schgor)
Moleskine di un idraulico (RenzoDF)
Il Blog di ElectroYou (webmaster)
Idee microcontrollate (TardoFreak)
PICcoli grandi PICMicro (Paolino)
Il blog elettrico di carloc (carloc)
DirtEYblooog (dirtydeeds)
Di tutto... un po' (jordan20)
AK47 (lillo)
Esperienze elettroniche (marco438)
Telecomunicazioni musicali (clavicordo)
Automazione ed Elettronica (gustavo)
Direttive per la sicurezza (ErnestoCappelletti)
EYnfo dall'Alaska (mir)
Apriamo il quadro! (attilio)
H7-25 (asdf)
Passione Elettrica (massimob)
Elettroni a spasso (guidob)
Bloguerra (guerra)




