mosfet interruttore su positivo
Moderatori:
carloc,
g.schgor,
BrunoValente,
IsidoroKZ
37 messaggi
• Pagina 4 di 4 • 1, 2, 3, 4
0
voti
all inizio avevo messo 12 volt max 24 non ne ero ancora sicuro, e per quello che avevo messo il limite massimo di alimentazione
-

danielealfa
243 2 4 7 - Expert

- Messaggi: 1313
- Iscritto il: 27 mag 2009, 22:51
0
voti
Be', se scrivi che potrebbe variare tra 12V e 24 V induci chi legge a credere che si tratti di due alimentazioni diverse.
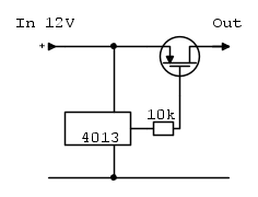
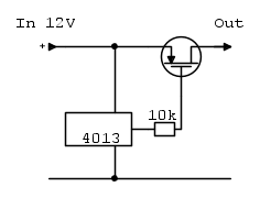
Comunque in questa nuova versione con un'unica tensione di 12V la soluzione più semplice che so farmi venire in mente è questa
il mosfet è di tipo P e va scelto in funzione della corrente che assorbe il carico.
Comunque in questa nuova versione con un'unica tensione di 12V la soluzione più semplice che so farmi venire in mente è questa
il mosfet è di tipo P e va scelto in funzione della corrente che assorbe il carico.
-

BrunoValente
39,6k 7 11 13 - G.Master EY

- Messaggi: 7796
- Iscritto il: 8 mag 2007, 14:48
0
voti
scusami ancora ...
IRF9530PBF secondo te vanno bene? ho trovato questi a 1,12 euro...su e bay ...
e quindi prendo l uscita negata .
per il carico il piu' che assorbe saranno qualcosa meno di 4 A e gli altri su 1,5 A
scaldano per te?
IRF9530PBF secondo te vanno bene? ho trovato questi a 1,12 euro...su e bay ...
e quindi prendo l uscita negata .
per il carico il piu' che assorbe saranno qualcosa meno di 4 A e gli altri su 1,5 A
scaldano per te?
-

danielealfa
243 2 4 7 - Expert

- Messaggi: 1313
- Iscritto il: 27 mag 2009, 22:51
1
voti
IsidoroKZ ha scritto:Avevi chiesto 24 V di tensione da interromopere, a 24 V un circuito logico della serie 4000 defunge.
E quale è il problema? Voleva un'interruzione e un'interruzione avrà.
Boiler
0
voti
danielealfa ha scritto:.
IRF9530PBF secondo te vanno bene? ..per il carico il piu' che assorbe saranno qualcosa meno di 4 A e gli altri su 1,5 A
scaldano per te?
Sì scaldano, con 4A dissipano circa 6W e occorrerebbe un buon dissipatore, meglio cercare qualche altro tipo con Ron più bassa.
-

BrunoValente
39,6k 7 11 13 - G.Master EY

- Messaggi: 7796
- Iscritto il: 8 mag 2007, 14:48
0
voti
ciao e buona domenica a tutti.
grazie del tuo link....per assurdo in italia non abbiamo mai nulla....
stavo pensando se era possibile pensare all uso in SMD...magari di qualcosa di
ancora grosso..non so e' un idea , magari esistono modelli migliori,,io di SMD non ne ho mai usato....chiedo consoglio a voi .
altrimenti come non detto....
grazie del tuo link....per assurdo in italia non abbiamo mai nulla....
stavo pensando se era possibile pensare all uso in SMD...magari di qualcosa di
ancora grosso..non so e' un idea , magari esistono modelli migliori,,io di SMD non ne ho mai usato....chiedo consoglio a voi .
altrimenti come non detto....
-

danielealfa
243 2 4 7 - Expert

- Messaggi: 1313
- Iscritto il: 27 mag 2009, 22:51
37 messaggi
• Pagina 4 di 4 • 1, 2, 3, 4
Chi c’è in linea
Visitano il forum: Nessuno e 76 ospiti

Elettrotecnica e non solo (admin)
Un gatto tra gli elettroni (IsidoroKZ)
Esperienza e simulazioni (g.schgor)
Moleskine di un idraulico (RenzoDF)
Il Blog di ElectroYou (webmaster)
Idee microcontrollate (TardoFreak)
PICcoli grandi PICMicro (Paolino)
Il blog elettrico di carloc (carloc)
DirtEYblooog (dirtydeeds)
Di tutto... un po' (jordan20)
AK47 (lillo)
Esperienze elettroniche (marco438)
Telecomunicazioni musicali (clavicordo)
Automazione ed Elettronica (gustavo)
Direttive per la sicurezza (ErnestoCappelletti)
EYnfo dall'Alaska (mir)
Apriamo il quadro! (attilio)
H7-25 (asdf)
Passione Elettrica (massimob)
Elettroni a spasso (guidob)
Bloguerra (guerra)
