Con questo barbatrucco funziona, ma è una cosa che non mi piace:
In pratica forzo il reset basso per i primi 20 secondi circa da quando alimento il circuito la prima volta.
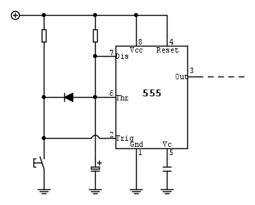
Lampeggio lampada se rileva tensione AC
Moderatori:
carloc,
g.schgor,
BrunoValente,
IsidoroKZ
0
voti
600 Elettra
0
voti

Che sia il caso di mettere un resistore sul trigger per evitare problemi con la corrente di scarica del C ?
0
voti
Riscontro sempre qual problema sul secondo stadio, il primo blink dura leggermente piu' degli altri:
Ho provato anche la configurazione classica dell'astabile e il problema persiste.
Ho provato anche la configurazione classica dell'astabile e il problema persiste.

0
voti
R3 e R5 le ho messe per eventuale protezione del pin di trigger, pensi non servano ?
Si, in termini pratici non mi cambia nulla se il primo lampeggio dura 300ms in più degli altri, era solo una curiosità di capire il motivo di questo comportamento.
Si, in termini pratici non mi cambia nulla se il primo lampeggio dura 300ms in più degli altri, era solo una curiosità di capire il motivo di questo comportamento.

1
voti
Le resistenze non servono. Il primo impulso è più lungo perché il condensatore ha "più strada da fare" per arrivare a 2/3 Vcc rispetto a quando è già carico a 1/3.
Una domanda ben posta è già mezza risposta.
0
voti
theking0 ha scritto:R3 e R5 le ho messe per eventuale protezione del pin di trigger, pensi non servano ?
R3 e R5 sono abbastanza facoltative.
In serie al condensatore C4 metterei una resistenza da 27ohm.
Ciao
600 Elettra
Chi c’è in linea
Visitano il forum: Google [Bot] e 144 ospiti

Elettrotecnica e non solo (admin)
Un gatto tra gli elettroni (IsidoroKZ)
Esperienza e simulazioni (g.schgor)
Moleskine di un idraulico (RenzoDF)
Il Blog di ElectroYou (webmaster)
Idee microcontrollate (TardoFreak)
PICcoli grandi PICMicro (Paolino)
Il blog elettrico di carloc (carloc)
DirtEYblooog (dirtydeeds)
Di tutto... un po' (jordan20)
AK47 (lillo)
Esperienze elettroniche (marco438)
Telecomunicazioni musicali (clavicordo)
Automazione ed Elettronica (gustavo)
Direttive per la sicurezza (ErnestoCappelletti)
EYnfo dall'Alaska (mir)
Apriamo il quadro! (attilio)
H7-25 (asdf)
Passione Elettrica (massimob)
Elettroni a spasso (guidob)
Bloguerra (guerra)




