Schermature dei cavi da segnale - svantaggi
Moderatori:
carloc,
g.schgor,
BrunoValente,
IsidoroKZ
0
voti
Io mi sono perso col metodo scientifico,
prova riformulare la domanda in maniera più sintetica e diretta, cosi evitiamo che i condensatori si ricaricano .. 
I circuiti sono controcorrente. Seguono sempre la massa
-Per rispondere utilizza il tasto [RISPONDI] e non il tasto [CITA], grazie.-
-Per rispondere utilizza il tasto [RISPONDI] e non il tasto [CITA], grazie.-
3
voti
Emanuele1979 ha scritto:Ma alla fine della fiera poi riusciremo ad avere le risposte che desideriamo?
Un po' di pazienza, le pippe in genere non durano molto...
-

BrunoValente
39,6k 7 11 13 - G.Master EY

- Messaggi: 7796
- Iscritto il: 8 mag 2007, 14:48
1
voti
Ora provo a dire alcune cose nella speranza di riuscire a chiudere definitivamente la questione.
venexian sostiene una teoria nuova e a dir poco bislacca, secondo la quale un condensatore in cortocircuito smette di essere un condensatore, smette di avere le proprietà che aveva precedentemente al cortocircuito.
La dimostrazione di quanto questa sia una cantonata intellettuale è semplice.
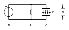
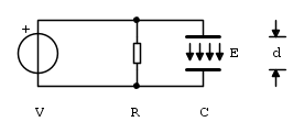
Consideriamo il seguente circuito
Il campo elettrico nel condensatore dipende in modo semplice dalla tensione applicata alle armature e dalla loro distanza
e se si vuole avere conferma del corretto funzionamento del condensatore in tutte le condizioni si può immaginare di attrezzare il circuito con appositi strumenti per misurare la tensione tra le armature e l'intensità del campo elettrico tra le armature.
appare evidente che l'intensità del campo tra le armature non può dipendere dal valore di R che quindi possiamo scegliere piccolo quanto vogliamo fino a poterlo considerare un cortocircuito.
La bislacca teoria di venexian vorrebbe invece che, riducendo il valore di R, ad un certo punto il condensatore smettesse di fare il suo mestiere, quindi che il valore del campo elettrico al suo interno si annullasse o che forse mutasse seguendo non so quale legge...
In teoria un generatore ideale di tensione è in grado di mantenere invariata la tensione ai suoi morsetti anche su un cortocircuito e quindi questa è la prova che il condensatore continua a manifestare pienamente tutte le sue proprietà anche quando è cortocircuitato.
Ovviamente i burocratofilosofi potrebbero trovare appigli disquisendo a più non posso di zeri e infiniti, perciò lasciamo da parte le condizioni al limite e guardiamo come vanno le cose nella pratica.
Anche in pratica, per ogni possibile cortocircuito di C, quindi per ogni valore di R piccolo quanto si vuole, siamo sempre in grado di allestire un generatore sufficientemente potente da sostenere una tensione pari a V e di verificare strumentalmente se il condensatore continui a godere o meno delle sue proprietà... ma, mi chiedo, siamo davvero così sprovveduti da avere bisogno di questa verifica? Pare di sì purtroppo.
Ecco quindi che in pratica, anche nelle condizioni di cortocircuito spinto, un condensatore è sempre lì vivo e vegeto pronto a manifestare intatte tutte le sue proprietà, il fatto che spesso in quelle condizioni di cortocircuito non faccia sentire la sua presenza non è dovuto ad una sua improbabile "sparizione" ma al cortocircuito che per ovvi motivi la maschera.
venexian sostiene una teoria nuova e a dir poco bislacca, secondo la quale un condensatore in cortocircuito smette di essere un condensatore, smette di avere le proprietà che aveva precedentemente al cortocircuito.
La dimostrazione di quanto questa sia una cantonata intellettuale è semplice.
Consideriamo il seguente circuito
Il campo elettrico nel condensatore dipende in modo semplice dalla tensione applicata alle armature e dalla loro distanza
e se si vuole avere conferma del corretto funzionamento del condensatore in tutte le condizioni si può immaginare di attrezzare il circuito con appositi strumenti per misurare la tensione tra le armature e l'intensità del campo elettrico tra le armature.appare evidente che l'intensità del campo tra le armature non può dipendere dal valore di R che quindi possiamo scegliere piccolo quanto vogliamo fino a poterlo considerare un cortocircuito.
La bislacca teoria di venexian vorrebbe invece che, riducendo il valore di R, ad un certo punto il condensatore smettesse di fare il suo mestiere, quindi che il valore del campo elettrico al suo interno si annullasse o che forse mutasse seguendo non so quale legge...
In teoria un generatore ideale di tensione è in grado di mantenere invariata la tensione ai suoi morsetti anche su un cortocircuito e quindi questa è la prova che il condensatore continua a manifestare pienamente tutte le sue proprietà anche quando è cortocircuitato.
Ovviamente i burocratofilosofi potrebbero trovare appigli disquisendo a più non posso di zeri e infiniti, perciò lasciamo da parte le condizioni al limite e guardiamo come vanno le cose nella pratica.
Anche in pratica, per ogni possibile cortocircuito di C, quindi per ogni valore di R piccolo quanto si vuole, siamo sempre in grado di allestire un generatore sufficientemente potente da sostenere una tensione pari a V e di verificare strumentalmente se il condensatore continui a godere o meno delle sue proprietà... ma, mi chiedo, siamo davvero così sprovveduti da avere bisogno di questa verifica? Pare di sì purtroppo.
Ecco quindi che in pratica, anche nelle condizioni di cortocircuito spinto, un condensatore è sempre lì vivo e vegeto pronto a manifestare intatte tutte le sue proprietà, il fatto che spesso in quelle condizioni di cortocircuito non faccia sentire la sua presenza non è dovuto ad una sua improbabile "sparizione" ma al cortocircuito che per ovvi motivi la maschera.
-

BrunoValente
39,6k 7 11 13 - G.Master EY

- Messaggi: 7796
- Iscritto il: 8 mag 2007, 14:48
0
voti
Oltre a ridefinire a proprio piacimento le definizioni, adesso dimentichiamo anche qual è la caratteristica esterna del bipolo cortocircuito?
La questione non è né burocratica né filosofica: basta applicare correttamente le definizioni scritte fino ad oggi in circa 200 anni storia dell'elettrotecnica.
Bisogna separare il concetto di proprietà dal concetto di oggetto.
Il condensatore continua ad esistere in qualsiasi condizione di funzionamento elettrico e per qualsiasi tipologia di collegamento, ma la proprietà no.
Quel bipolo ha capacità C solo se si rispettano le condizioni al contorno stabilite dal costruttore (temperatura, frequenza, alimentazione e così via).
Tutto questo non può essere estrapolato dal tuo schema in quanto è troppo semplicistico.
La questione non è né burocratica né filosofica: basta applicare correttamente le definizioni scritte fino ad oggi in circa 200 anni storia dell'elettrotecnica.
Bisogna separare il concetto di proprietà dal concetto di oggetto.
Il condensatore continua ad esistere in qualsiasi condizione di funzionamento elettrico e per qualsiasi tipologia di collegamento, ma la proprietà no.
Quel bipolo ha capacità C solo se si rispettano le condizioni al contorno stabilite dal costruttore (temperatura, frequenza, alimentazione e così via).
Tutto questo non può essere estrapolato dal tuo schema in quanto è troppo semplicistico.
Il Conte di Montecristo
Se non studio un giorno, me ne accorgo io. Se non studio due giorni, se ne accorge il pubblico.
Io devo studiare sodo e preparare me stesso perché prima o poi verrà il mio momento.
Abraham Lincoln
Se non studio un giorno, me ne accorgo io. Se non studio due giorni, se ne accorge il pubblico.
Io devo studiare sodo e preparare me stesso perché prima o poi verrà il mio momento.
Abraham Lincoln
-

EdmondDantes
11,9k 8 11 13 - Disattivato su sua richiesta
- Messaggi: 3619
- Iscritto il: 25 lug 2009, 22:18
- Località: Marsiglia
0
voti
BrunoValente ha scritto: Anche in pratica, per ogni possibile cortocircuito di C, quindi per ogni valore di R piccolo quanto si vuole, siamo sempre in grado di allestire un generatore sufficientemente potente da sostenere una tensione pari a V e di verificare strumentalmente se il condensatore continui a godere o meno delle sue proprietà... ma, mi chiedo, siamo davvero così sprovveduti da avere bisogno di questa verifica? Pare di sì purtroppo.
Senza nulla togliere alla validità del tuo discorso,mi viene da porre una domanda cattiva: e se sia le armature del condensatore sia ogni elemento che le ponga in cortocircuito sono composte da materiale superconduttore, posto a temperatura di lavoro che lo rendono appunto tale?
OT x OT pongo un'altra domanda: come si comporta in generale un condensatore composto da armature piane in materiale superconduttore? E una guida d'onda costruita con lo stesso genere di materiale?
Scusatemi l'OT ma la brioche che ho mangiato stamattina non era il massimo!
1
voti
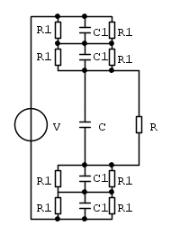
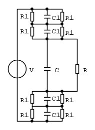
Il circuito di partenza, quello della domanda dell'OP è il seguente
Si tratta di un collegamento tra alimentatore e carico realizzato con fili elettrici isolati e parallelati in testa e in coda, per semplicità ne ho rappresentati solo tre per parte.
Il circuito equivalente ipotizzato per evidenziare la presenza delle capacità parassite, che tanto scandalizza venexian, è il seguente
E' evidente che le capacità C1 presenti tra i cavi sono cortocircuitate e perciò sembrerebbe non possano avere effetti... ma per quanto detto sopra se gli effetti non si notano è per merito del cortocircuito che non permette variazioni del potenziale tra le armature, non perché, come sostiene venexian, le capacità C1 spariscono, infatti si fa presto a dimostrare che comunque sono presenti.
Andiamo a guardare bene i due punti di testa e di coda dei cavi dove sono saldati insieme in cortocircuito: se vogliamo essere precisi dobbiamo tenere conto anche della presenza delle resistenze del cortocircuito e quindi il circuito diventa il seguente.
Ecco che con la presenza delle R1 appare chiaro che le capacità C1, non essendo più perfettamente cortocircuitate, potrebbero manifestare qualche effetto ed appare ovvio come le capacità C1, in tutte le condizioni, siano senza dubbio sempre presenti.
Si pensi ad esempio cosa capiterebbe se nella corrente del carico vi fosse una forte componente alternata la cui frequenza fosse sufficientemente alta da rendere non trascurabili le reattanze delle C1 e se l'intensità di quella componente alternata della corrente del carico fosse sufficientemente elevata da rendere non trascurabili le cadute sulle R1.
Vi prego di spiegarmi per bene e in maniera semplice cosa c'è di sbagliato
Si tratta di un collegamento tra alimentatore e carico realizzato con fili elettrici isolati e parallelati in testa e in coda, per semplicità ne ho rappresentati solo tre per parte.
Il circuito equivalente ipotizzato per evidenziare la presenza delle capacità parassite, che tanto scandalizza venexian, è il seguente
E' evidente che le capacità C1 presenti tra i cavi sono cortocircuitate e perciò sembrerebbe non possano avere effetti... ma per quanto detto sopra se gli effetti non si notano è per merito del cortocircuito che non permette variazioni del potenziale tra le armature, non perché, come sostiene venexian, le capacità C1 spariscono, infatti si fa presto a dimostrare che comunque sono presenti.
Andiamo a guardare bene i due punti di testa e di coda dei cavi dove sono saldati insieme in cortocircuito: se vogliamo essere precisi dobbiamo tenere conto anche della presenza delle resistenze del cortocircuito e quindi il circuito diventa il seguente.
Ecco che con la presenza delle R1 appare chiaro che le capacità C1, non essendo più perfettamente cortocircuitate, potrebbero manifestare qualche effetto ed appare ovvio come le capacità C1, in tutte le condizioni, siano senza dubbio sempre presenti.
Si pensi ad esempio cosa capiterebbe se nella corrente del carico vi fosse una forte componente alternata la cui frequenza fosse sufficientemente alta da rendere non trascurabili le reattanze delle C1 e se l'intensità di quella componente alternata della corrente del carico fosse sufficientemente elevata da rendere non trascurabili le cadute sulle R1.
Vi prego di spiegarmi per bene e in maniera semplice cosa c'è di sbagliato
-

BrunoValente
39,6k 7 11 13 - G.Master EY

- Messaggi: 7796
- Iscritto il: 8 mag 2007, 14:48
0
voti
Premetto che non ho letto l'intero post, ma solo le ultime risposte. Prendo per buono il primo schema del tuo ultimo post e che l'alimentazione è in corrente continua.
Lo schema equivalente non è corretto. Riporti solo le capacità tra i singoli cavi (avresti dovuto disegnare anche la terza C1 fra il primo e il terzo conduttore), ma questi sono totalmente ininfluenti in quanto hanno reattanza infinita.
Non hai disegnato uno schema equivalente, in quanto, come già anticipato da
PietroBaima, il tuo schema non ha le stesse equazioni di Kirchhoff del circuito originale. Mancano un bel po' di bipoli passivi...
Lo schema equivalente non è corretto. Riporti solo le capacità tra i singoli cavi (avresti dovuto disegnare anche la terza C1 fra il primo e il terzo conduttore), ma questi sono totalmente ininfluenti in quanto hanno reattanza infinita.
Non hai disegnato uno schema equivalente, in quanto, come già anticipato da
Il Conte di Montecristo
Se non studio un giorno, me ne accorgo io. Se non studio due giorni, se ne accorge il pubblico.
Io devo studiare sodo e preparare me stesso perché prima o poi verrà il mio momento.
Abraham Lincoln
Se non studio un giorno, me ne accorgo io. Se non studio due giorni, se ne accorge il pubblico.
Io devo studiare sodo e preparare me stesso perché prima o poi verrà il mio momento.
Abraham Lincoln
-

EdmondDantes
11,9k 8 11 13 - Disattivato su sua richiesta
- Messaggi: 3619
- Iscritto il: 25 lug 2009, 22:18
- Località: Marsiglia
0
voti
So bene che è incompleto, l'intenzione ovviamente non era quella di scendere nei dettagli, ma non hai risposto alla mia domanda: indipendentemente dalle approssimazioni fatte che errori ci sono?
Voglio precisare che l'OP ha espressamente chiesto come mai le capacità C1, quelle che lui legge con il capacimetro prima di saldare insieme i cavi, non hanno effetto, altrimenti mai mi sarei sognato di rappresentarle nel circuito
Voglio precisare che l'OP ha espressamente chiesto come mai le capacità C1, quelle che lui legge con il capacimetro prima di saldare insieme i cavi, non hanno effetto, altrimenti mai mi sarei sognato di rappresentarle nel circuito
-

BrunoValente
39,6k 7 11 13 - G.Master EY

- Messaggi: 7796
- Iscritto il: 8 mag 2007, 14:48
0
voti
EdmondDantes ha scritto:[...] ma questi sono totalmente ininfluenti in quanto hanno reattanza infinita. [...]
in corrente continua.
E se quei cavi sono lunghi qualche metro, stiamo parlando anche di aria fritta.
Il Conte di Montecristo
Se non studio un giorno, me ne accorgo io. Se non studio due giorni, se ne accorge il pubblico.
Io devo studiare sodo e preparare me stesso perché prima o poi verrà il mio momento.
Abraham Lincoln
Se non studio un giorno, me ne accorgo io. Se non studio due giorni, se ne accorge il pubblico.
Io devo studiare sodo e preparare me stesso perché prima o poi verrà il mio momento.
Abraham Lincoln
-

EdmondDantes
11,9k 8 11 13 - Disattivato su sua richiesta
- Messaggi: 3619
- Iscritto il: 25 lug 2009, 22:18
- Località: Marsiglia
0
voti
lo so bene che è aria fritta, ma purtroppo sull'aria fritta si è scatenato il finimondo.
-

BrunoValente
39,6k 7 11 13 - G.Master EY

- Messaggi: 7796
- Iscritto il: 8 mag 2007, 14:48
Chi c’è in linea
Visitano il forum: Nessuno e 195 ospiti

Elettrotecnica e non solo (admin)
Un gatto tra gli elettroni (IsidoroKZ)
Esperienza e simulazioni (g.schgor)
Moleskine di un idraulico (RenzoDF)
Il Blog di ElectroYou (webmaster)
Idee microcontrollate (TardoFreak)
PICcoli grandi PICMicro (Paolino)
Il blog elettrico di carloc (carloc)
DirtEYblooog (dirtydeeds)
Di tutto... un po' (jordan20)
AK47 (lillo)
Esperienze elettroniche (marco438)
Telecomunicazioni musicali (clavicordo)
Automazione ed Elettronica (gustavo)
Direttive per la sicurezza (ErnestoCappelletti)
EYnfo dall'Alaska (mir)
Apriamo il quadro! (attilio)
H7-25 (asdf)
Passione Elettrica (massimob)
Elettroni a spasso (guidob)
Bloguerra (guerra)




