Thread sugli operazionali
Moderatori:
carloc,
g.schgor,
BrunoValente,
IsidoroKZ
2
voti
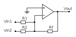
L'osservazione è che quel circuito è la somma di un amplificatore invertente e di uno non invertente! 

-

PietroBaima
90,7k 7 12 13 - G.Master EY

- Messaggi: 12207
- Iscritto il: 12 ago 2012, 1:20
- Località: Londra
0
voti
Beh , a questo punto ne sai più di un terzo anno di Ing Elettronica
:D 

Visita il mio sito : http://www.raffotech.altervista.org
2
voti
Sempre più difficile:
Suggerimento 1: applica la sovrapposizione degli effetti.
Suggerimento 2: Una resistenza alla quale viene applicato 0V ad entrambi i terminali non è percorsa da alcuna corrente, pertanto è come se non ci fosse: posso staccarla dal circuito e buttarla via.
Suggerimento 1: applica la sovrapposizione degli effetti.
Suggerimento 2: Una resistenza alla quale viene applicato 0V ad entrambi i terminali non è percorsa da alcuna corrente, pertanto è come se non ci fosse: posso staccarla dal circuito e buttarla via.
-

PietroBaima
90,7k 7 12 13 - G.Master EY

- Messaggi: 12207
- Iscritto il: 12 ago 2012, 1:20
- Località: Londra
0
voti
Domanda: posso calcolare il V- parziale (Vin2, R2, Rf) e trattare questo risultato come una "super-resistenza" (per es. Rf2) per calcolare la seconda V- parziale (Vin1, R1, Rf2) e quindi sommare il tutto? Oppure per calcolare questa seconda V- parziale mi basta considerare Vout = 0 e quindi calcolare secondo Vin2?
0
voti
Super-resistenza ?
Fai come ti ha detto
PietroBaima, applica la sovrapposizione degli effetti , e vedrai che è semplice.
Considera prima solo Vin1, e ti calcoli Vout.
Poi solo Vin2 e ti calcoli Vout.
Dopodichè sommi i due contributi e hai la Vout vera totale :) Niente di più semplice
Fai come ti ha detto
Considera prima solo Vin1, e ti calcoli Vout.
Poi solo Vin2 e ti calcoli Vout.
Dopodichè sommi i due contributi e hai la Vout vera totale :) Niente di più semplice
Visita il mio sito : http://www.raffotech.altervista.org
2
voti
non ne hai bisogno.
Devi semplicemente applicare la sovrapposizione degli effetti.
Cioè calcolare l'uscita mettendo prima a massa Vin1, verrà fuori: Vout=qualcosa* Vin1
poi devi calcolare l'uscita mettendo a massa Vin2, verrà fuori: Vout=qualcos'altro* Vin2
I due risultati li sommi insieme ottendo:
Vout= qualcosa* Vin1+ qualcos'altro* Vin2
Devi semplicemente applicare la sovrapposizione degli effetti.
Cioè calcolare l'uscita mettendo prima a massa Vin1, verrà fuori: Vout=qualcosa* Vin1
poi devi calcolare l'uscita mettendo a massa Vin2, verrà fuori: Vout=qualcos'altro* Vin2
I due risultati li sommi insieme ottendo:
Vout= qualcosa* Vin1+ qualcos'altro* Vin2
-

PietroBaima
90,7k 7 12 13 - G.Master EY

- Messaggi: 12207
- Iscritto il: 12 ago 2012, 1:20
- Località: Londra
2
voti
Vuol dire annullare.
Un elettronico per annullare una tensione la mette al potenziale di riferimento, che molto spesso è la carcassa metallica del contenitore che la ospita, cioè la massa.
Insomma, voglio dire di annullarla
Un elettronico per annullare una tensione la mette al potenziale di riferimento, che molto spesso è la carcassa metallica del contenitore che la ospita, cioè la massa.
Insomma, voglio dire di annullarla
-

PietroBaima
90,7k 7 12 13 - G.Master EY

- Messaggi: 12207
- Iscritto il: 12 ago 2012, 1:20
- Località: Londra
Chi c’è in linea
Visitano il forum: Nessuno e 51 ospiti

Elettrotecnica e non solo (admin)
Un gatto tra gli elettroni (IsidoroKZ)
Esperienza e simulazioni (g.schgor)
Moleskine di un idraulico (RenzoDF)
Il Blog di ElectroYou (webmaster)
Idee microcontrollate (TardoFreak)
PICcoli grandi PICMicro (Paolino)
Il blog elettrico di carloc (carloc)
DirtEYblooog (dirtydeeds)
Di tutto... un po' (jordan20)
AK47 (lillo)
Esperienze elettroniche (marco438)
Telecomunicazioni musicali (clavicordo)
Automazione ed Elettronica (gustavo)
Direttive per la sicurezza (ErnestoCappelletti)
EYnfo dall'Alaska (mir)
Apriamo il quadro! (attilio)
H7-25 (asdf)
Passione Elettrica (massimob)
Elettroni a spasso (guidob)
Bloguerra (guerra)

pigreco]=π

