Cos'è ElectroYou | Login Iscriviti

ElectroYou - la comunità dei professionisti del mondo elettrico

LMC555 per riparare luci natalizie

Elettronica lineare e digitale: didattica ed applicazioni

Moderatori: Foto Utentecarloc, Foto Utenteg.schgor, Foto UtenteBrunoValente, Foto UtenteIsidoroKZ

0
voti

[81] Re: LMC555 per riparare luci natalizie

Messaggioda Foto UtenteThEnGi » 4 gen 2025, 19:38

frankis ha scritto:Mah, a breve dovrò fare acquisti dal solito Ali


ARDUINO NANO con USB C (per comodità) o ARDUINO UNO

Poi quando hai finito il processo di scrittura del codice e realizazione circuito (la parte di pilotaggio dei led)

Compri un ATMEGA328P/ATTTNY88 e qualche condensatore e realizzi il circuito finale

prendi il KIT con dentro un po' di tutto (servi motori led pulsanti ecc) non solo il microcontrollore, quello di eleego su amazon costa circa 50€

Io che consiglio arduino è proprio inziato male l'anno :cry:

ARDUINO NANO/UNO non è altro che un uC ATMEGA 328P con "scatola" di componenti attorno che ne facilitano l'uso... Una volta finita la parte di debug si toglie la scatola e si tiene solo il 328P... Ce nel caso di UNO è anche più facile perché puoi toglierlo fisicamete e metterlo nel tuo circuito :mrgreen:
Avatar utente
Foto UtenteThEnGi
2.230 3 6 9
Expert EY
Expert EY
 
Messaggi: 2228
Iscritto il: 6 ott 2022, 18:43

0
voti

[82] Re: LMC555 per riparare luci natalizie

Messaggioda Foto Utentefrankis » 4 gen 2025, 19:48

Boh dopo darò un’occhiata sul sito e magari ne riparliamo. Il kit completo forse non serve. Ho a disposizione breadboard, millefori, pulsanti, led cavetti di tutti i tipi, pin a stecca separabili, se non serve qualcosa che non ho mi limiterei al dispositivo.
Avatar utente
Foto Utentefrankis
745 1 4 8
Stabilizzato
Stabilizzato
 
Messaggi: 427
Iscritto il: 5 set 2024, 15:42

0
voti

[83] Re: LMC555 per riparare luci natalizie

Messaggioda Foto UtenteThEnGi » 4 gen 2025, 19:52

Allora si va di NANO "USB C" circa 5€ pezzo su amazon, compri il kit da 4 e via !

NDR: Si vede che mi fido poco di aliexpress ? non che non siano gli stessi prodotti di amazon ma almeno li il reso è comodo :mrgreen:

O_/
Avatar utente
Foto UtenteThEnGi
2.230 3 6 9
Expert EY
Expert EY
 
Messaggi: 2228
Iscritto il: 6 ott 2022, 18:43

0
voti

[84] Re: LMC555 per riparare luci natalizie

Messaggioda Foto Utentefrankis » 4 gen 2025, 20:00

Si ma io devo già fare acquisti e ne approfitterei.
Qui c'è quello che mi serve?
Avatar utente
Foto Utentefrankis
745 1 4 8
Stabilizzato
Stabilizzato
 
Messaggi: 427
Iscritto il: 5 set 2024, 15:42

0
voti

[85] Re: LMC555 per riparare luci natalizie

Messaggioda Foto UtenteThEnGi » 4 gen 2025, 20:03

SNI, si il prodotto è quello ma io ne cercherei uno con l'USB C giusto per non avere in giro un cavo micro/mini USB

Tipo questi: Link, magari il kit da 5 (che come vedi la differenza di prezzo è poca)

è solo comodità.... funziona uguale !

O_/
Avatar utente
Foto UtenteThEnGi
2.230 3 6 9
Expert EY
Expert EY
 
Messaggi: 2228
Iscritto il: 6 ott 2022, 18:43

0
voti

[86] Re: LMC555 per riparare luci natalizie

Messaggioda Foto Utentefrankis » 4 gen 2025, 20:13

Questo? Uno, non dieci eh...
Immagine2.jpg

Poi non ho capito la faccenda della scatola componenti.
Avatar utente
Foto Utentefrankis
745 1 4 8
Stabilizzato
Stabilizzato
 
Messaggi: 427
Iscritto il: 5 set 2024, 15:42

0
voti

[87] Re: LMC555 per riparare luci natalizie

Messaggioda Foto Utentefrankis » 4 gen 2025, 20:22

Ma non ho capito perché dovrei comprarne 5 pezzi. Si bruciano facilmente?
Avatar utente
Foto Utentefrankis
745 1 4 8
Stabilizzato
Stabilizzato
 
Messaggi: 427
Iscritto il: 5 set 2024, 15:42

0
voti

[88] Re: LMC555 per riparare luci natalizie

Messaggioda Foto UtenteThEnGi » 4 gen 2025, 20:22

Prendine più di uno.... se si brucia che fai aspetti altri 20 giorni ? 5 è la via di mezzo giusta.... tanto non si buttano :-P

EDIT: Se stai attento non si brucia, ma se per caso sbagli cosa fai ? (vedi sopra)

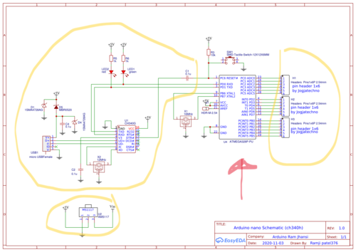
Questo è lo schema di Arduino NANO, ovvero il circuito che stai comprando
16a56cf69bf74844a747c2c3714fd731.png
Arduino

In giallo tutto ciò che è comodo in fase di DEBUG ovvero quando provi il codice vedi se funziona, lo carichi velocmente e lo alimenti da USB

In rosso tutto ciò che ti serve quando andrai a "metterlo in servizio" ovvero solo il 328P
@SFoto Utentestefanopc Manca il cristallo lo so e sarà da fare qualche correzione qua e la.... ma è per passare l'idea

Per questo è una "scatola", con cuore 328P e una serie di "accessori" che quando lo alimenterai a batteria non ti serviranno ma faranno consumare !

O_/
Avatar utente
Foto UtenteThEnGi
2.230 3 6 9
Expert EY
Expert EY
 
Messaggi: 2228
Iscritto il: 6 ott 2022, 18:43

0
voti

[89] Re: LMC555 per riparare luci natalizie

Messaggioda Foto Utentefrankis » 4 gen 2025, 20:34

Ma tu mi sembri un po' ottimista. Ma quello schema è un progetto finito o sbaglio?
Edit:
Poi quella versione non funziona con una litio 18650 vero?
Ultima modifica di Foto Utentefrankis il 4 gen 2025, 20:35, modificato 1 volta in totale.
Avatar utente
Foto Utentefrankis
745 1 4 8
Stabilizzato
Stabilizzato
 
Messaggi: 427
Iscritto il: 5 set 2024, 15:42

0
voti

[90] Re: LMC555 per riparare luci natalizie

Messaggioda Foto UtenteThEnGi » 4 gen 2025, 20:35

è solo la schedina che stai comprando, quella che hai messo in foto :ok:

ora vado al cinema lascio la palla @Foto Utentestefanopc :-P

O_/
Avatar utente
Foto UtenteThEnGi
2.230 3 6 9
Expert EY
Expert EY
 
Messaggi: 2228
Iscritto il: 6 ott 2022, 18:43

PrecedenteProssimo

Torna a Elettronica generale

Chi c’è in linea

Visitano il forum: Majestic-12 [Bot] e 86 ospiti