circuito per far oscillare un quarzo
Moderatori:
carloc,
g.schgor,
BrunoValente,
IsidoroKZ
39 messaggi
• Pagina 1 di 4 • 1, 2, 3, 4
0
voti
A transistori o a integrati? Tipicamente circuito Colpitts, puoi vedere se un inverter CMOS della serie 4000 ce la fa ad andare a 2MHz alimentato a 9V. Logiche piu` veloci, che non hanno problemi a 2MHz sfortunatamente non possono essere alimentate a 9V.
Per usare proficuamente un simulatore, bisogna sapere molta più elettronica di lui
Plug it in - it works better!
Il 555 sta all'elettronica come Arduino all'informatica! (entrambi loro malgrado)
Se volete risposte rispondete a tutte le mie domande
Plug it in - it works better!
Il 555 sta all'elettronica come Arduino all'informatica! (entrambi loro malgrado)
Se volete risposte rispondete a tutte le mie domande
0
voti
Da un vecchio circuito ho ricavato questo schema che potrebbe risolvere il tuo problema.
Si serve di due NOR di un CD4001 in grado di sopportare tensioni fino a 15V.
Nello schema mancano i collegamenti per l'alimentazione dell'integrato da porre sui pin 7 e 14.
Ciao
Si serve di due NOR di un CD4001 in grado di sopportare tensioni fino a 15V.
Nello schema mancano i collegamenti per l'alimentazione dell'integrato da porre sui pin 7 e 14.
Ciao
marco
0
voti
IsidoroKZ ha scritto:A transistori o a integrati? Tipicamente circuito Colpitts,
Ho detto una fesseria! Circuito Pierce, che ` un derivato del Colpitts, ma con un quarzo al posto dell'induttore. Sorry, stavo ancora dormendo.
Per usare proficuamente un simulatore, bisogna sapere molta più elettronica di lui
Plug it in - it works better!
Il 555 sta all'elettronica come Arduino all'informatica! (entrambi loro malgrado)
Se volete risposte rispondete a tutte le mie domande
Plug it in - it works better!
Il 555 sta all'elettronica come Arduino all'informatica! (entrambi loro malgrado)
Se volete risposte rispondete a tutte le mie domande
0
voti
Potresti fare un sicuro ed affidabile oscillatore con un 74HCU04 alimentato a 5V e poi elevare il segnale a 12V.
"La follia sta nel fare sempre la stessa cosa aspettandosi risultati diversi".
"Parla soltanto quando sei sicuro che quello che dirai è più bello del silenzio".
Rispondere è cortesia, ma lasciare l'ultima parola ai cretini è arte.
"Parla soltanto quando sei sicuro che quello che dirai è più bello del silenzio".
Rispondere è cortesia, ma lasciare l'ultima parola ai cretini è arte.
-

TardoFreak
73,9k 8 12 13 - -EY Legend-

- Messaggi: 15754
- Iscritto il: 16 dic 2009, 11:10
- Località: Torino - 3° pianeta del Sistema Solare
0
voti
Da un'occhiata a questo, alla fine ci sono alcuni schemi:
http://www.radiostudiox.it/introduzione.htm
http://www.radiostudiox.it/introduzione.htm
0
voti
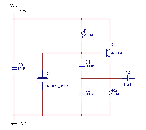
Grazie del vostro aiuto, vorrei adottare questo circuito ed in serie un cd4040 per portare la frequenza ad 1 Hz.
Un transistor bc547 andrebbe bene lo stesso?
Un transistor bc547 andrebbe bene lo stesso?
- Allegati
-
- aaa.jpg (40.92 KiB) Osservato 4266 volte
0
voti
Se voui ottenere 1Hz con il CD4040 devi usare un quarzo a 32768 Hz. Quello degli orologi.
"La follia sta nel fare sempre la stessa cosa aspettandosi risultati diversi".
"Parla soltanto quando sei sicuro che quello che dirai è più bello del silenzio".
Rispondere è cortesia, ma lasciare l'ultima parola ai cretini è arte.
"Parla soltanto quando sei sicuro che quello che dirai è più bello del silenzio".
Rispondere è cortesia, ma lasciare l'ultima parola ai cretini è arte.
-

TardoFreak
73,9k 8 12 13 - -EY Legend-

- Messaggi: 15754
- Iscritto il: 16 dic 2009, 11:10
- Località: Torino - 3° pianeta del Sistema Solare
0
voti
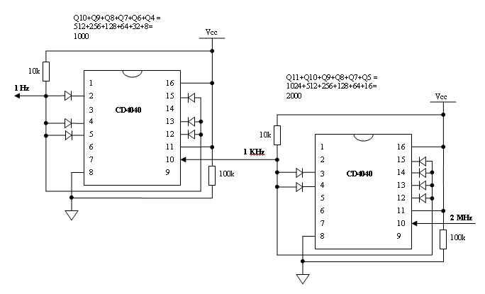
Sapevo che utilizzando la somma delle uscite binarie (attraverso i diodi) del cd4040 si potesse dividere una frequenza. Utilizzando quindi le uscite del primo integrato otterrei una divisione di 2000 ed utilizzando il secondo una divisione di 1000, passerei quindi da 2MHz a 1 Hz.
- Allegati
-
- CD4040.jpg (66.28 KiB) Osservato 4233 volte
0
voti
Cosa ci devi fare questo oscillatore?
"La follia sta nel fare sempre la stessa cosa aspettandosi risultati diversi".
"Parla soltanto quando sei sicuro che quello che dirai è più bello del silenzio".
Rispondere è cortesia, ma lasciare l'ultima parola ai cretini è arte.
"Parla soltanto quando sei sicuro che quello che dirai è più bello del silenzio".
Rispondere è cortesia, ma lasciare l'ultima parola ai cretini è arte.
-

TardoFreak
73,9k 8 12 13 - -EY Legend-

- Messaggi: 15754
- Iscritto il: 16 dic 2009, 11:10
- Località: Torino - 3° pianeta del Sistema Solare
39 messaggi
• Pagina 1 di 4 • 1, 2, 3, 4
Chi c’è in linea
Visitano il forum: Nessuno e 102 ospiti

Elettrotecnica e non solo (admin)
Un gatto tra gli elettroni (IsidoroKZ)
Esperienza e simulazioni (g.schgor)
Moleskine di un idraulico (RenzoDF)
Il Blog di ElectroYou (webmaster)
Idee microcontrollate (TardoFreak)
PICcoli grandi PICMicro (Paolino)
Il blog elettrico di carloc (carloc)
DirtEYblooog (dirtydeeds)
Di tutto... un po' (jordan20)
AK47 (lillo)
Esperienze elettroniche (marco438)
Telecomunicazioni musicali (clavicordo)
Automazione ed Elettronica (gustavo)
Direttive per la sicurezza (ErnestoCappelletti)
EYnfo dall'Alaska (mir)
Apriamo il quadro! (attilio)
H7-25 (asdf)
Passione Elettrica (massimob)
Elettroni a spasso (guidob)
Bloguerra (guerra)




