Cos'è ElectroYou | Login Iscriviti

ElectroYou - la comunità dei professionisti del mondo elettrico

Circuito relay

Elettronica lineare e digitale: didattica ed applicazioni

Moderatori: Foto Utentecarloc, Foto Utenteg.schgor, Foto UtenteBrunoValente, Foto UtenteIsidoroKZ

0
voti

[1] Circuito relay

Messaggioda Foto Utenteft941 » 2 feb 2013, 15:01

Salve, ho comprato su internet questo stampato:
Immagine

in pratica mi serve a far scattare il relay quando in ingresso do la +3.3...

funziona perfettamente ma ho un dubbio sul led...
questo sarebbe il circuito:

Schema cancellato; per gli schemi usa FidoCadJ e non usare server esterni che sono vietati.

Come fa ad accendersi se c'è una resistenza da 1k ohm? Ho misurato col tester la tensione ai capi del led, ed è circa 1.8

La resistenza non dovrebbe essere da 150?
Avatar utente
Foto Utenteft941
5 3
New entry
New entry
 
Messaggi: 72
Iscritto il: 31 mar 2010, 11:55

0
voti

[2] Re: Circuito relay

Messaggioda Foto Utentemrc » 2 feb 2013, 15:07

Ciao Foto Utenteft941.

Se leggi le regole del forum c' è scritto di postare gli schemi elettrici usando FIDOCADJ.
Al seguente link, una guida:

http://www.electroyou.it/elettrodomus/w ... -per-tonni

Inoltre il diodo led non va rappresentato in quel modo.
Avatar utente
Foto Utentemrc
10,5k 6 11 13
Expert EY
Expert EY
 
Messaggi: 4023
Iscritto il: 16 apr 2009, 9:32

1
voti

[3] Re: Circuito relay

Messaggioda Foto UtenteIsidoroKZ » 2 feb 2013, 15:08

Fai uno schema decente!
Calcola quanta corrente passa nel led.
Per usare proficuamente un simulatore, bisogna sapere molta più elettronica di lui
Plug it in - it works better!
Il 555 sta all'elettronica come Arduino all'informatica! (entrambi loro malgrado)
Se volete risposte rispondete a tutte le mie domande
Avatar utente
Foto UtenteIsidoroKZ
121,2k 1 3 8
G.Master EY
G.Master EY
 
Messaggi: 21059
Iscritto il: 17 ott 2009, 0:00

1
voti

[4] Re: Circuito relay

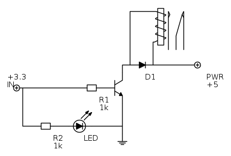
Messaggioda Foto Utenteft941 » 2 feb 2013, 15:46

Avatar utente
Foto Utenteft941
5 3
New entry
New entry
 
Messaggi: 72
Iscritto il: 31 mar 2010, 11:55

1
voti

[5] Re: Circuito relay

Messaggioda Foto UtenteIsidoroKZ » 2 feb 2013, 15:59

Cosi` e` molto piu` bello! Adesso puoi calcolare quanta corrente passa nella resistenza R2, dato che sai la tensione ai suoi capi. Trovi che scorre 1.5mA piu` che sufficienti ad accendere un led.

Se mettessi R2 da 150ohm il led si accenderebbe meglio, con 10mA di correte. Ma questa corrente dovrebbe arrivare dall'ingresso, e il progettista del modulo che hai comprato non sa che cosa pilotera` il modulo. Potrebbe essere un circuito logico non in grado di fornire i 1mA per il led piu` 2.5mA circa per il transistore, e quindi si e` limitato ad assorbire dall'ingresso una corrente totale di circa 4mA, 1.5mA per il led e 2.5mA per il transistore.
Per usare proficuamente un simulatore, bisogna sapere molta più elettronica di lui
Plug it in - it works better!
Il 555 sta all'elettronica come Arduino all'informatica! (entrambi loro malgrado)
Se volete risposte rispondete a tutte le mie domande
Avatar utente
Foto UtenteIsidoroKZ
121,2k 1 3 8
G.Master EY
G.Master EY
 
Messaggi: 21059
Iscritto il: 17 ott 2009, 0:00


Torna a Elettronica generale

Chi c’è in linea

Visitano il forum: Nessuno e 168 ospiti