Alimentazione da singola a duale
Moderatori:
carloc,
g.schgor,
BrunoValente,
IsidoroKZ
17 messaggi
• Pagina 1 di 2 • 1, 2
0
voti
Dovrei realizzare un circuito con degli operazionali TL084, ma non ho un'alimentatore duale. Per l'alimentazione mi bastano +/-5V e avevo pensato all'integrato ICL7660SCPA, solo che quest'ultimo fornisce una corrente massima di 160 uA, mentre gli operazionali assorbono correnti dell'ordine dei mA e nel circuito ci sono 5 operazionali. Potete consigliarmi un altro integrato che può fare al caso mio o un'altra soluzione economica?
0
voti
1
voti
Quando ho di questi problemi in genere cerco di ricavarmi, se possibile, un riferimento centrale.
Dovresti avere disponbili 10V, però.
Se fosse così ti basterebbero un paio di resistenze ed un operazionale avanzato.
Puoi postare lo schema (in fidocadj) così vedo se si può adattare?
Ciao,
Pietro.
Dovresti avere disponbili 10V, però.
Se fosse così ti basterebbero un paio di resistenze ed un operazionale avanzato.
Puoi postare lo schema (in fidocadj) così vedo se si può adattare?
Ciao,
Pietro.
-

PietroBaima
90,7k 7 12 13 - G.Master EY

- Messaggi: 12206
- Iscritto il: 12 ago 2012, 1:20
- Località: Londra
1
voti
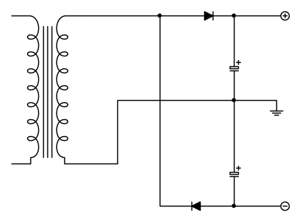
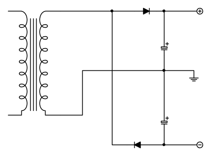
Se usi un trasformatore e la corrente è quella che indichi puoi usare questo:
1
voti
Meglio usare un ponte di Graetz, dimezzi (circa) il ripple a parita` di condensatori
Per usare proficuamente un simulatore, bisogna sapere molta più elettronica di lui
Plug it in - it works better!
Il 555 sta all'elettronica come Arduino all'informatica! (entrambi loro malgrado)
Se volete risposte rispondete a tutte le mie domande
Plug it in - it works better!
Il 555 sta all'elettronica come Arduino all'informatica! (entrambi loro malgrado)
Se volete risposte rispondete a tutte le mie domande
0
voti
- Codice: Seleziona tutto
Quell'integrato supporta solo carichi fino a 100mA; sicuro che ti bastino?
Starei risicato con le correnti negli op-amp, ma forse riesco a farmi prestare un alimentatore duale per provare il circuito
17 messaggi
• Pagina 1 di 2 • 1, 2
Chi c’è in linea
Visitano il forum: Nessuno e 148 ospiti

Elettrotecnica e non solo (admin)
Un gatto tra gli elettroni (IsidoroKZ)
Esperienza e simulazioni (g.schgor)
Moleskine di un idraulico (RenzoDF)
Il Blog di ElectroYou (webmaster)
Idee microcontrollate (TardoFreak)
PICcoli grandi PICMicro (Paolino)
Il blog elettrico di carloc (carloc)
DirtEYblooog (dirtydeeds)
Di tutto... un po' (jordan20)
AK47 (lillo)
Esperienze elettroniche (marco438)
Telecomunicazioni musicali (clavicordo)
Automazione ed Elettronica (gustavo)
Direttive per la sicurezza (ErnestoCappelletti)
EYnfo dall'Alaska (mir)
Apriamo il quadro! (attilio)
H7-25 (asdf)
Passione Elettrica (massimob)
Elettroni a spasso (guidob)
Bloguerra (guerra)




pigreco]=π




