Esercizio BJT
Moderatori:
carloc,
g.schgor,
BrunoValente,
IsidoroKZ
9 messaggi
• Pagina 1 di 1
0
voti
[1] Esercizio BJT
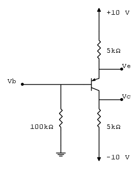
Ho calcolato la corrente ie = 0.018 A ; poi ho trovato Veb = 0.7 V .
A questo punto non sono più riuscito ad andare avanti , potete consigliarmi il passo successivo ?
Grazie
-

themagiciant95
27 1 1 7 - Frequentatore

- Messaggi: 167
- Iscritto il: 5 ott 2015, 15:57
1
voti
I generatori sembrano messi un po a caso, poi il prefisso kilo sta per
...
...2
voti
Questo è più simile al disegno in figura ;)
Il futuro appartiene a coloro che credono nella bellezza dei propri sogni.
Formule LaTeX
Uso di LaTeX sul forum
⋮ƎlectroYou
Formule LaTeX
Uso di LaTeX sul forum
⋮ƎlectroYou
1
voti
E come l'hai calcolata Ie?
La Ib inoltre scorre tutta dentro la resistenza da 100K che è collegata massa, hai Vb quindi anche Ib la puoi cacolare.
A quel punto puoi anche ricavare la differenza tra Ie ed Ib ed il rapporto tra questo ed Ib
La Ib inoltre scorre tutta dentro la resistenza da 100K che è collegata massa, hai Vb quindi anche Ib la puoi cacolare.
A quel punto puoi anche ricavare la differenza tra Ie ed Ib ed il rapporto tra questo ed Ib

0
voti
EDIT: e imparare a citare, o meglio ancora a usare il tasto RISPONDI?
Hai azzeccato il punto che non ho capito . Avevo intuito di dover calcolare ib . Ma non sapevo come fare , avevo pensato anche io che l'intensità scorresse tutta nella resistenza da 100k . Per sicurezza ho scritto questo post viewtopic.php?f=2&t=61368 . Da li i miei dubbi non sono stati risolti...
In parole povere non ho capito perché la corrente scorre tutta nella resistenza da 100
Hai azzeccato il punto che non ho capito . Avevo intuito di dover calcolare ib . Ma non sapevo come fare , avevo pensato anche io che l'intensità scorresse tutta nella resistenza da 100k . Per sicurezza ho scritto questo post viewtopic.php?f=2&t=61368 . Da li i miei dubbi non sono stati risolti...
In parole povere non ho capito perché la corrente scorre tutta nella resistenza da 100
-

themagiciant95
27 1 1 7 - Frequentatore

- Messaggi: 167
- Iscritto il: 5 ott 2015, 15:57
0
voti
Ma li non c'è un generatore, quella Vb è una lettura di tensione.
0
voti
Qui hai una resistenza (da 100K) percorsa da una corrente, che può essere solo quella che esce dalla base del PNP, ai cui capi c'è 1 volt, perché un voltmetro dice così.
Come hai calcolato Ie? A me viene un numero diverso, non di molto (circa 11 volte
) ma diverso.
Come hai calcolato Ie? A me viene un numero diverso, non di molto (circa 11 volte
Ultima modifica di
IlGuru il 22 nov 2015, 18:37, modificato 1 volta in totale.

0
voti
Quando fai le battute metti le faccine, altrimenti ti si prende sul serio!
Oppure un ordine di grandezza di errore su un calcolo lo chiami non molto diverso?
Oppure un ordine di grandezza di errore su un calcolo lo chiami non molto diverso?
Per usare proficuamente un simulatore, bisogna sapere molta più elettronica di lui
Plug it in - it works better!
Il 555 sta all'elettronica come Arduino all'informatica! (entrambi loro malgrado)
Se volete risposte rispondete a tutte le mie domande
Plug it in - it works better!
Il 555 sta all'elettronica come Arduino all'informatica! (entrambi loro malgrado)
Se volete risposte rispondete a tutte le mie domande
9 messaggi
• Pagina 1 di 1
Chi c’è in linea
Visitano il forum: Nessuno e 218 ospiti

Elettrotecnica e non solo (admin)
Un gatto tra gli elettroni (IsidoroKZ)
Esperienza e simulazioni (g.schgor)
Moleskine di un idraulico (RenzoDF)
Il Blog di ElectroYou (webmaster)
Idee microcontrollate (TardoFreak)
PICcoli grandi PICMicro (Paolino)
Il blog elettrico di carloc (carloc)
DirtEYblooog (dirtydeeds)
Di tutto... un po' (jordan20)
AK47 (lillo)
Esperienze elettroniche (marco438)
Telecomunicazioni musicali (clavicordo)
Automazione ed Elettronica (gustavo)
Direttive per la sicurezza (ErnestoCappelletti)
EYnfo dall'Alaska (mir)
Apriamo il quadro! (attilio)
H7-25 (asdf)
Passione Elettrica (massimob)
Elettroni a spasso (guidob)
Bloguerra (guerra)







