carissimi del forum
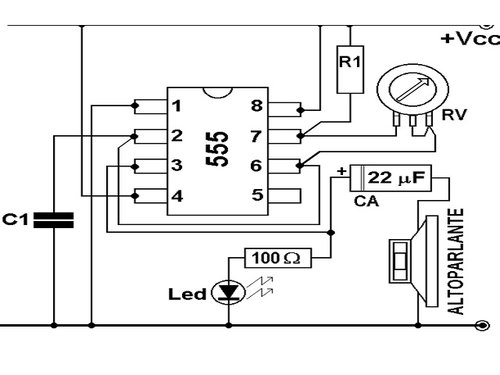
ho realizzato lo schema in allegato e usando un altoparlante di 8 ohm e 0.5 W con alimentazione 12 vv si percepisce a stento un debole segnale...vorrei aumentarlo tra un min e max, potreste aiutarmi ad implementarlo....penso che basterebbe aggiungere un transistor opportunamente polarizzato al fine di ottenere una corrente di collettore "giusta" in relazione all'assorbimento del tipo di altoparlante...mi aiutereste in cio' ?
grazie claudio
Metronomo con NE 555
Moderatori:
carloc,
g.schgor,
BrunoValente,
IsidoroKZ
28 messaggi
• Pagina 1 di 3 • 1, 2, 3
0
voti
(invece che da 100) in serie al LED e vedere che accade ? 
P.s. In ogni caso rispetta le regole del forum e posta lo schema disegnandolo con FidoCadJ, grazie.
"Non farei mai parte di un club che accettasse la mia iscrizione" (G. Marx)
-

claudiocedrone
21,3k 4 7 9 - Master EY

- Messaggi: 15300
- Iscritto il: 18 gen 2012, 13:36
0
voti
perché
Ultima modifica di
mir il 31 mar 2016, 12:09, modificato 1 volta in totale.
Motivazione: riscritto il testo in carattere minuscolo. il carattere maiuscolo equivale ad urlare, pertanto evitare di utilizzarlo. Grazie.
Motivazione: riscritto il testo in carattere minuscolo. il carattere maiuscolo equivale ad urlare, pertanto evitare di utilizzarlo. Grazie.
0
voti
g.schgor ha scritto:Non vedo lo schema...
(adesso è arrivato!)
Pregevole prof. mi darebbe una mano ?
1
voti
Ma tu vuoi fare un metronomo per uso musicale o solo un circuito per sperimentare un oscillatore e sentire il tic tic nell'altoparlante?
Un metronomo varia la frequenza da circa 40 a 208 Hz in funzione dello spartito; con un semplice potenziometro e' quasi impossibile stabilire a priori le varie frequenze.
Un metronomo varia la frequenza da circa 40 a 208 Hz in funzione dello spartito; con un semplice potenziometro e' quasi impossibile stabilire a priori le varie frequenze.
marco
0
voti
Eliminato quoting inutile.
no, per il momento vorrei sperimentare l'oscillatore....
no, per il momento vorrei sperimentare l'oscillatore....
0
voti
Sei pregato di non citare i messaggi per intero, specie quando precedono la risposta. Meglio se leggi le regole del forum.
Se hai realizzato il circuito in immagine senza errori e con quei componenti, il suono dovrebbe essere percepibile e non dovrebbe esserci necessita' di amplificarlo.
Fai delle foto della tua realizzazione e postale in modo che si possa fare una ricerca di eventuali errori.
P.S. Metti anche i valori mancanti dei componenti, potenziometro compreso.
Se hai realizzato il circuito in immagine senza errori e con quei componenti, il suono dovrebbe essere percepibile e non dovrebbe esserci necessita' di amplificarlo.
Fai delle foto della tua realizzazione e postale in modo che si possa fare una ricerca di eventuali errori.
P.S. Metti anche i valori mancanti dei componenti, potenziometro compreso.
marco
0
voti
28 messaggi
• Pagina 1 di 3 • 1, 2, 3
Chi c’è in linea
Visitano il forum: Nessuno e 37 ospiti

Elettrotecnica e non solo (admin)
Un gatto tra gli elettroni (IsidoroKZ)
Esperienza e simulazioni (g.schgor)
Moleskine di un idraulico (RenzoDF)
Il Blog di ElectroYou (webmaster)
Idee microcontrollate (TardoFreak)
PICcoli grandi PICMicro (Paolino)
Il blog elettrico di carloc (carloc)
DirtEYblooog (dirtydeeds)
Di tutto... un po' (jordan20)
AK47 (lillo)
Esperienze elettroniche (marco438)
Telecomunicazioni musicali (clavicordo)
Automazione ed Elettronica (gustavo)
Direttive per la sicurezza (ErnestoCappelletti)
EYnfo dall'Alaska (mir)
Apriamo il quadro! (attilio)
H7-25 (asdf)
Passione Elettrica (massimob)
Elettroni a spasso (guidob)
Bloguerra (guerra)





