Tensione a vuoto alta!
Moderatori:
carloc,
g.schgor,
BrunoValente,
IsidoroKZ
18 messaggi
• Pagina 1 di 2 • 1, 2
0
voti
Ciao a tutti, oggi ho comprato a 1 euro un piccolo alimentatore da 9V 300mA ma la tensione a vuoto è ben 17V. Ci vorrei alimentare un arduino uno ma con questo alimentato la tensione è 13v non 9, come consigliano! È difettoso questo alimentatore? Grazie! 
1
voti
drinu ha scritto: È difettoso questo alimentatore?
No, non credo sia difettoso,molto probabilmente è un alimentatorino non stabilizzato, ed il valore di tensione che misuri a vuoto è dovuta alla capacità in uscita di livellamento.
Puoi provare a misurare la tensione sotto carico, ovvero dopo avergli applicato come carico in prova un dispositivo che funzioni alla tensione di 9V.
Per alimentare Arduino, direi sia meglio utilizzare un alimentatorino del tipo stabilizzato.
I circuiti sono controcorrente. Seguono sempre la massa
-Per rispondere utilizza il tasto [RISPONDI] e non il tasto [CITA], grazie.-
-Per rispondere utilizza il tasto [RISPONDI] e non il tasto [CITA], grazie.-
0
voti
Se è da 9V, 17V a vuoto mi sembrano comunque troppi.
Per aiutarti sarebbe necessario che specificassi di che alimentatore si tratta.
Per aiutarti sarebbe necessario che specificassi di che alimentatore si tratta.
-

BrunoValente
39,6k 7 11 13 - G.Master EY

- Messaggi: 7796
- Iscritto il: 8 mag 2007, 14:48
0
voti
Pare sia un normale alimentatore a trasformatore.
Ti consiglio di verificare se hai eseguito correttamente la misura e se il tuo tester funziona correttamente, altro non saprei.
Ti consiglio di verificare se hai eseguito correttamente la misura e se il tuo tester funziona correttamente, altro non saprei.
-

BrunoValente
39,6k 7 11 13 - G.Master EY

- Messaggi: 7796
- Iscritto il: 8 mag 2007, 14:48
0
voti
;o è difettoso o non è stabilizzato (orrenda cinesata della peggior risma) e il consiglio spassionato che mi sento di darti è di fiondarlo immediatamente nei rifiuti RAAEE

"Non farei mai parte di un club che accettasse la mia iscrizione" (G. Marx)
-

claudiocedrone
21,3k 4 7 9 - Master EY

- Messaggi: 15302
- Iscritto il: 18 gen 2012, 13:36
0
voti
Tanto, prima o dopo, ti capiterà di poterlo usare in qualche modo
K
K
-

Kagliostro
6.396 4 5 7 - Master

- Messaggi: 4830
- Iscritto il: 19 set 2012, 11:32
0
voti
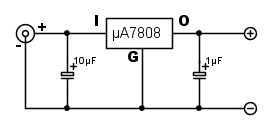
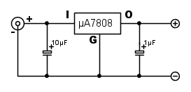
Prova a mettere in cascata questo semplice circuitino
ottieni 8V stabilizzati, ottimi per arduino. I condensatori elettrolitici NON sono critici. L'importante è che quello di sinistra abbia una capacità maggiore di quello di destra, e che quello di sinistra sia da almeno 25VL e quello di destra di almeno 12VL.
Così non butti via niente.
Ciao,
P.
ottieni 8V stabilizzati, ottimi per arduino. I condensatori elettrolitici NON sono critici. L'importante è che quello di sinistra abbia una capacità maggiore di quello di destra, e che quello di sinistra sia da almeno 25VL e quello di destra di almeno 12VL.
Così non butti via niente.
Ciao,
P.
18 messaggi
• Pagina 1 di 2 • 1, 2
Chi c’è in linea
Visitano il forum: Nessuno e 58 ospiti

Elettrotecnica e non solo (admin)
Un gatto tra gli elettroni (IsidoroKZ)
Esperienza e simulazioni (g.schgor)
Moleskine di un idraulico (RenzoDF)
Il Blog di ElectroYou (webmaster)
Idee microcontrollate (TardoFreak)
PICcoli grandi PICMicro (Paolino)
Il blog elettrico di carloc (carloc)
DirtEYblooog (dirtydeeds)
Di tutto... un po' (jordan20)
AK47 (lillo)
Esperienze elettroniche (marco438)
Telecomunicazioni musicali (clavicordo)
Automazione ed Elettronica (gustavo)
Direttive per la sicurezza (ErnestoCappelletti)
EYnfo dall'Alaska (mir)
Apriamo il quadro! (attilio)
H7-25 (asdf)
Passione Elettrica (massimob)
Elettroni a spasso (guidob)
Bloguerra (guerra)




