Cos'è ElectroYou | Login Iscriviti

ElectroYou - la comunità dei professionisti del mondo elettrico

Errore LaTeX e PFG esportato da Fidocadj

Strumenti informatici per la matematica applicata, le simulazioni, il disegno: Mathcad, Matlab, Scilab, Microcap, PSpice, AutoCad ...

Moderatori: Foto Utenteg.schgor, Foto Utentedimaios

2
voti

[1] Errore LaTeX e PFG esportato da Fidocadj

Messaggioda Foto Utentesimo85 » 5 mar 2015, 1:30

Un saluto a tutti O_/

Sto riscontrando un problema con la esportazione FCD→PGF con fidocadj, quindi mi permetto di taggare il buon Foto UtenteDarwinNE (magari conosce già la soluzione). :-)

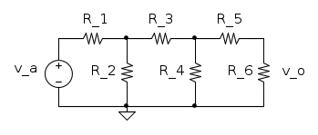
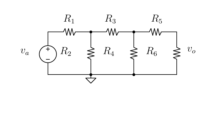
Avrei bisogno di esportare degli schemi elettrici a LaTeX. Ovviamente ho scelto di usare Fidocadj, e volevo fare una prova con questo schema:



Una volta effettuata la conversione includo tutto in un template personale \LaTeX che uso sempre per i documenti.

Questo il file che ho provato a compilare:

Codice: Seleziona tutto
\documentclass[12pt, a4paper]{article}
\usepackage[left=2cm,right=2cm,top=2cm,bottom=2cm]{geometry}
\usepackage[spanish]{babel}
\usepackage{graphicx}
\selectlanguage{spanish}
\usepackage[utf8]{inputenc}
\usepackage{textcomp}
\usepackage{amsmath}
\usepackage{amsfonts}
\usepackage{amssymb}
\usepackage{hyperref}
\usepackage{listings} 
\usepackage{pgfplots}
\usepackage{tikz}
\usepackage{graphicx}
\usepackage{caption}
\usepackage{subcaption}

\begin{document}

%title
\title{\textbf{\large Template}}
\author{\textbf{\large simo85}}
\maketitle

\begin{pgfpicture}{0cm}{0cm}{111pt}{49pt}
% Created by FidoCadJ ver. 0.24.5 kappa, export filter by Davide Bucci
\pgfsetxvec{\pgfpoint{1pt}{0pt}}
\pgfsetyvec{\pgfpoint{0pt}{1pt}}
\pgfsetroundjoin
\pgfsetroundcap
\pgftranslateto{\pgfxy(0,49)}
\begin{pgfmagnify}{1}{-1}
% Layer color definitions
\definecolor{layer0}{rgb}{0.0,0.0,0.0}
\definecolor{layer1}{rgb}{0.0,0.0,0.0}
\definecolor{layer2}{rgb}{0.0,0.0,0.0}
\definecolor{layer3}{rgb}{0.0,0.0,0.0}
\definecolor{layer4}{rgb}{0.0,0.0,0.0}
\definecolor{layer5}{rgb}{0.0,0.0,0.0}
\definecolor{layer6}{rgb}{0.0,0.0,0.0}
\definecolor{layer7}{rgb}{0.0,0.0,0.0}
\definecolor{layer8}{rgb}{0.0,0.0,0.0}
\definecolor{layer9}{rgb}{0.0,0.0,0.0}
\definecolor{layer10}{rgb}{0.0,0.0,0.0}
\definecolor{layer11}{rgb}{0.0,0.0,0.0}
\definecolor{layer12}{rgb}{0.0,0.0,0.0}
\definecolor{layer13}{rgb}{0.0,0.0,0.0}
\definecolor{layer14}{rgb}{0.0,0.0,0.0}
\definecolor{layer15}{rgb}{0.0,0.0,0.0}
% End of color definitions
\color{layer0}
\pgfsetlinewidth{0.35pt}
\pgfline{\pgfxy(29.0,11.0)}{\pgfxy(30.0,15.0)}
\pgfline{\pgfxy(30.0,15.0)}{\pgfxy(31.0,11.0)}
\pgfline{\pgfxy(31.0,11.0)}{\pgfxy(32.0,15.0)}
\pgfline{\pgfxy(32.0,15.0)}{\pgfxy(33.0,11.0)}
\pgfline{\pgfxy(33.0,11.0)}{\pgfxy(34.0,15.0)}
\pgfline{\pgfxy(24.0,13.0)}{\pgfxy(28.0,13.0)}
\pgfline{\pgfxy(29.0,11.0)}{\pgfxy(28.0,13.0)}
\pgfline{\pgfxy(39.0,13.0)}{\pgfxy(35.0,13.0)}
\pgfline{\pgfxy(34.0,15.0)}{\pgfxy(35.0,13.0)}
\pgfline{\pgfxy(54.0,11.0)}{\pgfxy(55.0,15.0)}
\pgfline{\pgfxy(55.0,15.0)}{\pgfxy(56.0,11.0)}
\pgfline{\pgfxy(56.0,11.0)}{\pgfxy(57.0,15.0)}
\pgfline{\pgfxy(57.0,15.0)}{\pgfxy(58.0,11.0)}
\pgfline{\pgfxy(58.0,11.0)}{\pgfxy(59.0,15.0)}
\pgfline{\pgfxy(49.0,13.0)}{\pgfxy(53.0,13.0)}
\pgfline{\pgfxy(54.0,11.0)}{\pgfxy(53.0,13.0)}
\pgfline{\pgfxy(64.0,13.0)}{\pgfxy(60.0,13.0)}
\pgfline{\pgfxy(59.0,15.0)}{\pgfxy(60.0,13.0)}
\pgfline{\pgfxy(79.0,11.0)}{\pgfxy(80.0,15.0)}
\pgfline{\pgfxy(80.0,15.0)}{\pgfxy(81.0,11.0)}
\pgfline{\pgfxy(81.0,11.0)}{\pgfxy(82.0,15.0)}
\pgfline{\pgfxy(82.0,15.0)}{\pgfxy(83.0,11.0)}
\pgfline{\pgfxy(83.0,11.0)}{\pgfxy(84.0,15.0)}
\pgfline{\pgfxy(74.0,13.0)}{\pgfxy(78.0,13.0)}
\pgfline{\pgfxy(79.0,11.0)}{\pgfxy(78.0,13.0)}
\pgfline{\pgfxy(89.0,13.0)}{\pgfxy(85.0,13.0)}
\pgfline{\pgfxy(84.0,15.0)}{\pgfxy(85.0,13.0)}
\pgfline{\pgfxy(96.0,23.0)}{\pgfxy(92.0,24.0)}
\pgfline{\pgfxy(92.0,24.0)}{\pgfxy(96.0,25.0)}
\pgfline{\pgfxy(96.0,25.0)}{\pgfxy(92.0,26.0)}
\pgfline{\pgfxy(92.0,26.0)}{\pgfxy(96.0,27.0)}
\pgfline{\pgfxy(96.0,27.0)}{\pgfxy(92.0,28.0)}
\pgfline{\pgfxy(94.0,18.0)}{\pgfxy(94.0,22.0)}
\pgfline{\pgfxy(96.0,23.0)}{\pgfxy(94.0,22.0)}
\pgfline{\pgfxy(94.0,33.0)}{\pgfxy(94.0,29.0)}
\pgfline{\pgfxy(92.0,28.0)}{\pgfxy(94.0,29.0)}
\pgfline{\pgfxy(71.0,23.0)}{\pgfxy(67.0,24.0)}
\pgfline{\pgfxy(67.0,24.0)}{\pgfxy(71.0,25.0)}
\pgfline{\pgfxy(71.0,25.0)}{\pgfxy(67.0,26.0)}
\pgfline{\pgfxy(67.0,26.0)}{\pgfxy(71.0,27.0)}
\pgfline{\pgfxy(71.0,27.0)}{\pgfxy(67.0,28.0)}
\pgfline{\pgfxy(69.0,18.0)}{\pgfxy(69.0,22.0)}
\pgfline{\pgfxy(71.0,23.0)}{\pgfxy(69.0,22.0)}
\pgfline{\pgfxy(69.0,33.0)}{\pgfxy(69.0,29.0)}
\pgfline{\pgfxy(67.0,28.0)}{\pgfxy(69.0,29.0)}
\pgfline{\pgfxy(46.0,23.0)}{\pgfxy(42.0,24.0)}
\pgfline{\pgfxy(42.0,24.0)}{\pgfxy(46.0,25.0)}
\pgfline{\pgfxy(46.0,25.0)}{\pgfxy(42.0,26.0)}
\pgfline{\pgfxy(42.0,26.0)}{\pgfxy(46.0,27.0)}
\pgfline{\pgfxy(46.0,27.0)}{\pgfxy(42.0,28.0)}
\pgfline{\pgfxy(44.0,18.0)}{\pgfxy(44.0,22.0)}
\pgfline{\pgfxy(46.0,23.0)}{\pgfxy(44.0,22.0)}
\pgfline{\pgfxy(44.0,33.0)}{\pgfxy(44.0,29.0)}
\pgfline{\pgfxy(42.0,28.0)}{\pgfxy(44.0,29.0)}
\pgfline{\pgfxy(39.0,13.0)}{\pgfxy(49.0,13.0)}
\pgfline{\pgfxy(44.0,18.0)}{\pgfxy(44.0,13.0)}
\pgfline{\pgfxy(64.0,13.0)}{\pgfxy(74.0,13.0)}
\pgfline{\pgfxy(69.0,13.0)}{\pgfxy(69.0,18.0)}
\pgfline{\pgfxy(89.0,13.0)}{\pgfxy(94.0,13.0)}
\pgfline{\pgfxy(94.0,13.0)}{\pgfxy(94.0,18.0)}
\pgfline{\pgfxy(29.0,38.0)}{\pgfxy(94.0,38.0)}
\pgfline{\pgfxy(94.0,38.0)}{\pgfxy(94.0,33.0)}
\pgfline{\pgfxy(69.0,33.0)}{\pgfxy(69.0,38.0)}
\pgfline{\pgfxy(44.0,33.0)}{\pgfxy(44.0,38.0)}
\pgfellipse[stroke]{\pgfxy(19.0,26.0)}{\pgfxy(5.0,0)}{\pgfxy(0,5.0)}
\pgfline{\pgfxy(19.0,21.0)}{\pgfxy(19.0,18.0)}
\pgfline{\pgfxy(19.0,31.0)}{\pgfxy(19.0,33.0)}
\pgfline{\pgfxy(19.0,22.0)}{\pgfxy(19.0,24.0)}
\pgfline{\pgfxy(18.0,23.0)}{\pgfxy(20.0,23.0)}
\pgfline{\pgfxy(18.0,29.0)}{\pgfxy(20.0,29.0)}
\pgfline{\pgfxy(19.0,13.0)}{\pgfxy(19.0,18.0)}
\pgfline{\pgfxy(19.0,13.0)}{\pgfxy(24.0,13.0)}
\pgfline{\pgfxy(19.0,33.0)}{\pgfxy(19.0,38.0)}
\pgfline{\pgfxy(19.0,38.0)}{\pgfxy(29.0,38.0)}
\pgfsetlinewidth{0.33pt}
\pgfcircle[fill]{\pgfxy(69,38)}{0.85pt}\pgfcircle[fill]{\pgfxy(69,13)}{0.85pt}\pgfcircle[fill]{\pgfxy(44,38)}{0.85pt}\pgfcircle[fill]{\pgfxy(44,13)}{0.85pt}\pgfsetlinewidth{0.35pt}
\pgfline{\pgfxy(44.0,38.0)}{\pgfxy(44.0,43.0)}
\pgfmoveto{\pgfxy(41.0,43.0)}
\pgflineto{\pgfxy(47.0,43.0)}
\pgflineto{\pgfxy(46.0,44.0)}
\pgflineto{\pgfxy(44.0,46.0)}
\pgflineto{\pgfxy(42.0,44.0)}
\pgfclosepath
\pgfqstroke
\begin{pgfmagnify}{1}{-1}
\pgfputat{\pgfxy(3,-21)}{\pgfbox[left,top]{v_a}}
\end{pgfmagnify}
\begin{pgfmagnify}{1}{-1}
\pgfputat{\pgfxy(28,-3)}{\pgfbox[left,top]{R_1}}
\end{pgfmagnify}
\begin{pgfmagnify}{1}{-1}
\pgfputat{\pgfxy(32,-22)}{\pgfbox[left,top]{R_2}}
\end{pgfmagnify}
\begin{pgfmagnify}{1}{-1}
\pgfputat{\pgfxy(52,-3)}{\pgfbox[left,top]{R_3}}
\end{pgfmagnify}
\begin{pgfmagnify}{1}{-1}
\pgfputat{\pgfxy(56,-22)}{\pgfbox[left,top]{R_4}}
\end{pgfmagnify}
\begin{pgfmagnify}{1}{-1}
\pgfputat{\pgfxy(77,-3)}{\pgfbox[left,top]{R_5}}
\end{pgfmagnify}
\begin{pgfmagnify}{1}{-1}
\pgfputat{\pgfxy(81,-22)}{\pgfbox[left,top]{R_6}}
\end{pgfmagnify}
\begin{pgfmagnify}{1}{-1}
\pgfputat{\pgfxy(101,-22)}{\pgfbox[left,top]{v_o}}
\end{pgfmagnify}
\end{pgfmagnify}
\end{pgfpicture}

\end{document}


Uso Texmaker, che però mi restituisce questo tipo di errore:

Codice: Seleziona tutto
! Missing $ inserted.
<inserted text>
$
l.148 ...at{\pgfxy(52,-3)}{\pgfbox[left,top]{R_3}}
I've inserted a begin-math/end-math symbol since I think
you left one out. Proceed, with fingers crossed.


Ed ecco le linee di errore:

Codice: Seleziona tutto
:~$ grep -rn '\pgfputat' test.tex
139:\pgfputat{\pgfxy(3,-21)}{\pgfbox[left,top]{v_a}}
142:\pgfputat{\pgfxy(28,-3)}{\pgfbox[left,top]{R_1}}
145:\pgfputat{\pgfxy(32,-22)}{\pgfbox[left,top]{R_2}}
148:\pgfputat{\pgfxy(52,-3)}{\pgfbox[left,top]{R_3}}
151:\pgfputat{\pgfxy(56,-22)}{\pgfbox[left,top]{R_4}}
154:\pgfputat{\pgfxy(77,-3)}{\pgfbox[left,top]{R_5}}
157:\pgfputat{\pgfxy(81,-22)}{\pgfbox[left,top]{R_6}}
160:\pgfputat{\pgfxy(101,-22)}{\pgfbox[left,top]{v_o}}


Qualcuno saprebbe dirmi se è un errore/bug relativo a texmaker o a fidocadj ?
E magari anche come risolvere. :mrgreen:

Come sempre, ringrazio in anticipo.

O_/
Avatar utente
Foto Utentesimo85
30,9k 7 12 13
Disattivato su sua richiesta
 
Messaggi: 9927
Iscritto il: 30 ago 2010, 4:59

5
voti

[2] Re: Errore LaTeX e PFG esportato da Fidocadj

Messaggioda Foto UtenteDirtyDeeds » 5 mar 2015, 7:50

Le etichette dei componenti le devi scrivere come $R_1$, $R_2$ ecc.
It's a sin to write sin instead of \sin (Anonimo).
...'cos you know that cos ain't \cos, right?
You won't get a sexy tan if you write tan in lieu of \tan.
Take a log for a fireplace, but don't take log for \logarithm.
Avatar utente
Foto UtenteDirtyDeeds
55,9k 7 11 13
G.Master EY
G.Master EY
 
Messaggi: 7012
Iscritto il: 13 apr 2010, 16:13
Località: Somewhere in nowhere

2
voti

[3] Re: Errore LaTeX e PFG esportato da Fidocadj

Messaggioda Foto UtenteDarwinNE » 5 mar 2015, 8:59

Esatto! Foto UtenteDirtyDeeds ha ragione! :ok:

Foto Utentesimo85, mi dici poi come ti trovi con l'esportazione? Per quanto mi riguarda, è una delle cose che più mi servono di FidoCadJ, mi stupisce che siamo in pochissimi a servirsene.
Follow me on Mastodon: @davbucci@mastodon.sdf.org
Avatar utente
Foto UtenteDarwinNE
31,0k 7 11 13
G.Master EY
G.Master EY
 
Messaggi: 4420
Iscritto il: 18 apr 2010, 9:32
Località: Grenoble - France

0
voti

[4] Re: Errore LaTeX e PFG esportato da Fidocadj

Messaggioda Foto Utentesimo85 » 5 mar 2015, 9:43

Grazie ad entrambi ! :D

DarwinNE ha scritto:mi dici poi come ti trovi con l'esportazione?

Certamente. Stasera posto i risultati. :ok:

EDIT: già fatta. :-)
Ultima modifica di Foto Utentesimo85 il 5 mar 2015, 10:18, modificato 1 volta in totale.
Avatar utente
Foto Utentesimo85
30,9k 7 12 13
Disattivato su sua richiesta
 
Messaggi: 9927
Iscritto il: 30 ago 2010, 4:59

0
voti

[5] Re: Errore LaTeX e PFG esportato da Fidocadj

Messaggioda Foto Utentesimo85 » 5 mar 2015, 10:17

Foto UtenteDarwinNE, ho fatto la prova.

test.pdf
(42.91 KiB) Scaricato 113 volte


Sarebbe bene poter controllare lo scalamento dell'immagine.
Diciamo che secondo me le scritte sono sproporzionate rispetto ai componenti.

Non conosco PGF.
Avatar utente
Foto Utentesimo85
30,9k 7 12 13
Disattivato su sua richiesta
 
Messaggi: 9927
Iscritto il: 30 ago 2010, 4:59

5
voti

[6] Re: Errore LaTeX e PFG esportato da Fidocadj

Messaggioda Foto UtenteDarwinNE » 5 mar 2015, 10:56

La taglia delle scritte è decisa da LaTeX, quindi se vuoi cambiarla puoi utilizzare \small o \footnotesize, inglobando tutto il file esportato da FidoCadJ.

Invece, lo scalamento dell'immagine è controllabile liberamente durante l'esportazione, modificando il "fattore di scala". Io di solito, quando faccio l'esportazione uso da 1.5 a 2.0 come fattore di scala per fare in modo che il disegno sia di taglia accettabile rispetto alle scritte.
Follow me on Mastodon: @davbucci@mastodon.sdf.org
Avatar utente
Foto UtenteDarwinNE
31,0k 7 11 13
G.Master EY
G.Master EY
 
Messaggi: 4420
Iscritto il: 18 apr 2010, 9:32
Località: Grenoble - France

4
voti

[7] Re: Errore LaTeX e PFG esportato da Fidocadj

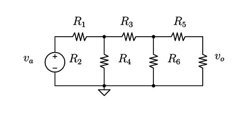
Messaggioda Foto Utentesimo85 » 5 mar 2015, 11:23

DarwinNE ha scritto:lo scalamento dell'immagine è controllabile liberamente durante l'esportazione, modificando il "fattore di scala". Io di solito, quando faccio l'esportazione uso da 1.5 a 2.0 come fattore di scala per fare in modo che il disegno sia di taglia accettabile rispetto alle scritte.


:ok: :ok: :ok:

Ecco il risultato con uno scalamento a 2:

img.png


:-)

Grazie di nuovo a entrambi.
Avatar utente
Foto Utentesimo85
30,9k 7 12 13
Disattivato su sua richiesta
 
Messaggi: 9927
Iscritto il: 30 ago 2010, 4:59

1
voti

[8] Re: Errore LaTeX e PFG esportato da Fidocadj

Messaggioda Foto Utentespud » 5 mar 2015, 13:26

DarwinNE ha scritto:mi stupisce che siamo in pochissimi a servirsene.

Ma sai che io l'ho scoperto leggendo questo thread? Non ci avevo mai fatto caso :D :shock:
Atlant.

Behind every great man is a woman rolling her eyes.
Avatar utente
Foto Utentespud
3.767 3 10 12
free expert
 
Messaggi: 1601
Iscritto il: 1 feb 2012, 14:26
Località: Udine

4
voti

[9] Re: Errore LaTeX e PFG esportato da Fidocadj

Messaggioda Foto UtenteDarwinNE » 5 mar 2015, 14:18

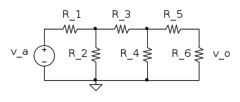
Foto Utentesimo85, bel circuito! Dopo che hai fatto l'esportazione una volta, potrai ritoccare la posizione delle etichette di testo in FidoCadJ, magari disattivando la griglia (e manca l'indicazione di polarità di v_0.

Io quando lavoro su un documento grosso che ha molti circuiti magari esportati con scale differenti mi scrivo uno script che fa tutte le esportazioni in un sol colpo, con le caratteristiche volute. Qualcosa del genere (in questo caso con sh):

Codice: Seleziona tutto
#!/bin/sh

FIDOCADJ_PATH="../fidocadj.jar"
FIDOCADJ_LIB="/ ....library path...  /Lib_polys_FIDOCADJ"

java -jar $FIDOCADJ_PATH -n -d $FIDOCADJ_LIB -c r2 pgf capt_gene_fem.pgf FidoCadJ/capt_gene_fem.fcd
java -jar $FIDOCADJ_PATH -n -d $FIDOCADJ_LIB -c r2 pgf effet_seebeck.pgf FidoCadJ/effet_seebeck.fcd
java -jar $FIDOCADJ_PATH -n -d $FIDOCADJ_LIB -c r2 pgf compensation.pgf FidoCadJ/compensation.fcd
java -jar $FIDOCADJ_PATH -n -d $FIDOCADJ_LIB -c r2 pgf capt_gene_courant.pgf FidoCadJ/capt_gene_courant.fcd
java -jar $FIDOCADJ_PATH -n -d $FIDOCADJ_LIB -c r2 pgf photomultiplicateur_principe.pgf FidoCadJ/photomultiplicateur_principe.fcd
java -jar $FIDOCADJ_PATH -n -d $FIDOCADJ_LIB -c r2 pgf photomultiplicateur_realisation.pgf FidoCadJ/photomultiplicateur_realisation.fcd
java -jar $FIDOCADJ_PATH -n -d $FIDOCADJ_LIB -c r2 pgf photodiode_carac.pgf FidoCadJ/photodiode_carac.fcd
java -jar $FIDOCADJ_PATH -n -d $FIDOCADJ_LIB -c r2 pgf photomultiplicateur_conditionnement.pgf FidoCadJ/photomultiplicateur_conditionnement.fcd
java -jar $FIDOCADJ_PATH -n -d $FIDOCADJ_LIB -c r2 pgf photodiode_conditionnement_r.pgf FidoCadJ/photodiode_conditionnement_r.fcd
java -jar $FIDOCADJ_PATH -n -d $FIDOCADJ_LIB -c r2 pgf transresistance.pgf FidoCadJ/transresistance.fcd
java -jar $FIDOCADJ_PATH -n -d $FIDOCADJ_LIB -c r2 pgf montage_t.pgf FidoCadJ/montage_t.fcd
java -jar $FIDOCADJ_PATH -n -d $FIDOCADJ_LIB -c r2 pgf capt_gene_charge.pgf FidoCadJ/capt_gene_charge.fcd
java -jar $FIDOCADJ_PATH -n -d $FIDOCADJ_LIB -c r2 pgf conditionn_charge.pgf FidoCadJ/conditionn_charge.fcd
java -jar $FIDOCADJ_PATH -n -d $FIDOCADJ_LIB -c r2 pgf capt_resistance.pgf FidoCadJ/capt_resistance.fcd
java -jar $FIDOCADJ_PATH -n -d $FIDOCADJ_LIB -c r1.5 pgf conditionn_2_4_fils.pgf FidoCadJ/conditionn_2_4_fils.fcd
java -jar $FIDOCADJ_PATH -n -d $FIDOCADJ_LIB -c r1.5 pgf pont_wheatstone.pgf FidoCadJ/pont_wheatstone.fcd


Così poi ho tutti i file con i comandi pgf che utilizzo nel testo. Se mi capita di ritoccare qualcosa in un'immagine, non sono obbligato a ricordarmi il fattore di scala, le librerie utilizzate etc.
Follow me on Mastodon: @davbucci@mastodon.sdf.org
Avatar utente
Foto UtenteDarwinNE
31,0k 7 11 13
G.Master EY
G.Master EY
 
Messaggi: 4420
Iscritto il: 18 apr 2010, 9:32
Località: Grenoble - France

5
voti

[10] Re: Errore LaTeX e PFG esportato da Fidocadj

Messaggioda Foto UtenteDarwinNE » 5 mar 2015, 18:29

spud ha scritto:Ma sai che io l'ho scoperto leggendo questo thread?


A me capita spesso di utilizzare disegni fatti in FidoCadJ in presentazioni tecniche o in documenti, dispense e cose del genere. E' la ragione per cui sviluppo ancora questo programma :ok:

Qualcuno volendo potrebbe scrivere un articolo? :cool:
Follow me on Mastodon: @davbucci@mastodon.sdf.org
Avatar utente
Foto UtenteDarwinNE
31,0k 7 11 13
G.Master EY
G.Master EY
 
Messaggi: 4420
Iscritto il: 18 apr 2010, 9:32
Località: Grenoble - France

Prossimo

Torna a Programmi applicativi: simulatori, CAD ed altro

Chi c’è in linea

Visitano il forum: Nessuno e 11 ospiti