Cos'è ElectroYou | Login Iscriviti

ElectroYou - la comunità dei professionisti del mondo elettrico

LTSpice simulazione Latch SR

Strumenti informatici per la matematica applicata, le simulazioni, il disegno: Mathcad, Matlab, Scilab, Microcap, PSpice, AutoCad ...

Moderatori: Foto Utenteg.schgor, Foto Utentedimaios

1
voti

[1] LTSpice simulazione Latch SR

Messaggioda Foto Utenteecasa » 20 nov 2015, 10:43

Buongiorno a tutti,
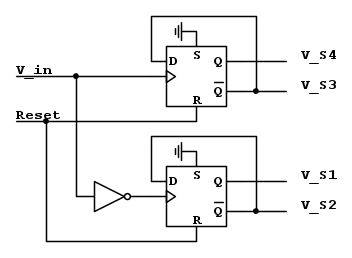
nella mia tesi di laurea sto affrontando lo studio di un convertitore DC/DC a ponte intero. Ora mi trovo bloccato col simulare in quanto sto cercando di generare i segnali di comando dei 4 dispositivi attivi a primario. LTSpice mi restituisce l'errore "time step too small" e non riesco a venirna a capo. Ho pensato a questa topologia per generare i 4 segnali V_Sx dato un impulso in ingresso V_in(la sua durata determina la sovrapposizione dei segnali di comando).
Qualcuno, sarebbe in grado di spiegarmi perché non riesco a simulare il circuito?


Allego anche lo schema di LTSpice;
Grazie, ecasa. O_/
Allegati
LatchSR_PSFB.rar
(509 Byte) Scaricato 244 volte
Avatar utente
Foto Utenteecasa
170 1 3 7
Frequentatore
Frequentatore
 
Messaggi: 145
Iscritto il: 2 giu 2013, 20:43

2
voti

[2] Re: LTSpice simulazione Latch SR

Messaggioda Foto Utenteg.schgor » 20 nov 2015, 12:17

La simulazione richiede che siano definiti gli stati
di partenza (cioè le condizioni iniziali dei FF).
Poi non sono sicuro che il circuito funzioni
(cioè che non ci siano reazioni che lo rendono instabile).
Provo ad esaminarlo, ma richiede tempo.
Avatar utente
Foto Utenteg.schgor
57,8k 9 12 13
G.Master EY
G.Master EY
 
Messaggi: 16971
Iscritto il: 25 ott 2005, 9:58
Località: MILANO

1
voti

[3] Re: LTSpice simulazione Latch SR

Messaggioda Foto Utenteg.schgor » 20 nov 2015, 15:36

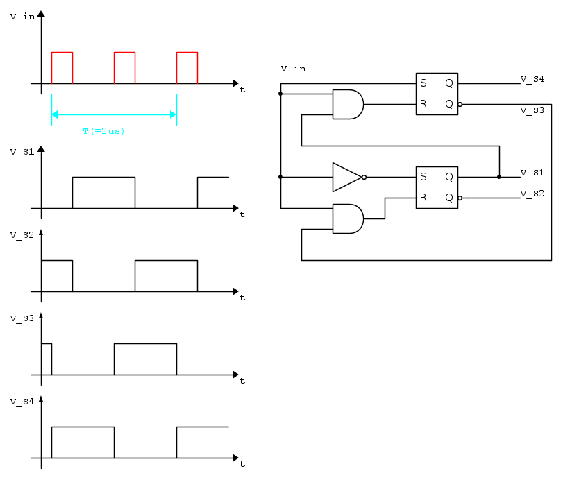
Ho simulato lo schema (in MicroCap),
ottenendo questi grafici:
ForumSeq.gif
ForumSeq.gif (2.84 KiB) Osservato 12982 volte

Come vedi ( nelll'ellisse), Vs1 non corrisponde
al tuo. Come hai ricavato il circuito?
Avatar utente
Foto Utenteg.schgor
57,8k 9 12 13
G.Master EY
G.Master EY
 
Messaggi: 16971
Iscritto il: 25 ott 2005, 9:58
Località: MILANO

1
voti

[4] Re: LTSpice simulazione Latch SR

Messaggioda Foto UtenteIlGuru » 20 nov 2015, 19:54

Se ho capito bene i segnali necessari, ti servono due flip flop T uno dei quali con una not prima dell'ingresso.
\Gamma\nu\tilde{\omega}\theta\i\ \sigma\epsilon\alpha\upsilon\tau\acute{o}\nu
Avatar utente
Foto UtenteIlGuru
5.482 2 10 13
G.Master EY
G.Master EY
 
Messaggi: 1924
Iscritto il: 31 lug 2015, 23:32

1
voti

[5] Re: LTSpice simulazione Latch SR

Messaggioda Foto Utenteg.schgor » 20 nov 2015, 21:22

Aspettavo una risposta da Foto Utenteecasa.
Avrei suggerito 2 D_FF
Avatar utente
Foto Utenteg.schgor
57,8k 9 12 13
G.Master EY
G.Master EY
 
Messaggi: 16971
Iscritto il: 25 ott 2005, 9:58
Località: MILANO

0
voti

[6] Re: LTSpice simulazione Latch SR

Messaggioda Foto UtenteIsidoroKZ » 20 nov 2015, 22:11

Foto Utenteecasa vuoi proprio fare quel circuito per pilotare davvero il ponte o e` solo un modo qualunque per generare i segnali che ti servono?
Per usare proficuamente un simulatore, bisogna sapere molta più elettronica di lui
Plug it in - it works better!
Il 555 sta all'elettronica come Arduino all'informatica! (entrambi loro malgrado)
Se volete risposte rispondete a tutte le mie domande
Avatar utente
Foto UtenteIsidoroKZ
121,2k 1 3 8
G.Master EY
G.Master EY
 
Messaggi: 21059
Iscritto il: 17 ott 2009, 0:00

1
voti

[7] Re: LTSpice simulazione Latch SR

Messaggioda Foto Utenteecasa » 21 nov 2015, 10:31

Buongiorno a tutti e grazie per gli interventi;

g.schgor ha scritto:Come hai ricavato il circuito?

Il circuito l'ho ricavato a mente gurdando le forme d'onda, per questo motivo era importante simularlo per rendermi conto di eventuali malfunzionamenti.

IlGuru ha scritto:Se ho capito bene i segnali necessari, ti servono due flip flop T uno dei quali con una not prima dell'ingresso.

Questa era una soluzione proposta anche dal relatore, ma non mi aveva convinto; ragionandoci a casa trovai un caso in cui la commutazione non avveniva come da progetto.(anche questo circuito non sono riuscito a simularlo per via dello stesso errore)

g.schgor ha scritto:Aspettavo una risposta da Foto Utenteecasa.
Avrei suggerito 2 D_FF

Grazie per la dritta, ora analizzo un po' il circuito proposto riguardando anche come impostare le condizioni iniziali dei Flip-Flop nel simulatore.

IsidoroKZ ha scritto:Foto Utenteecasa vuoi proprio fare quel circuito per pilotare davvero il ponte o e` solo un modo qualunque per generare i segnali che ti servono?

La mia tesi si basa sullo studio del convertitore, questo circuito mi serve solo per pilotarlo a livello di simulazione. Non so ancora se dovrò realizzare un PCB, in caso opterei per degli integrati referenziati in alcune application notes di TI e Linear che ho letto per studiare il funzionamento del ponte.
Avatar utente
Foto Utenteecasa
170 1 3 7
Frequentatore
Frequentatore
 
Messaggi: 145
Iscritto il: 2 giu 2013, 20:43

1
voti

[8] Re: LTSpice simulazione Latch SR

Messaggioda Foto UtenteIlGuru » 21 nov 2015, 11:21

In questo caso per la simulazione puoi inserire 4 generatori di tensione, imposti il tipo pulse e poi giochi sui tempi settandk il periodo ed il ritardo per avere i 4 segnali con le fasi desiderate.
\Gamma\nu\tilde{\omega}\theta\i\ \sigma\epsilon\alpha\upsilon\tau\acute{o}\nu
Avatar utente
Foto UtenteIlGuru
5.482 2 10 13
G.Master EY
G.Master EY
 
Messaggi: 1924
Iscritto il: 31 lug 2015, 23:32

0
voti

[9] Re: LTSpice simulazione Latch SR

Messaggioda Foto Utenteg.schgor » 21 nov 2015, 11:45

ecasa ha scritto:come impostare le condizioni iniziali dei Flip-Flop nel simulatore.

In MicroCap c'è un'appoosito generatore di segnale (CLEAR) per inizializzare i FF:
ForumSeq1.gif
ForumSeq1.gif (6.21 KiB) Osservato 12916 volte

(Nota: questi D-FF hanno il Preset e il Clear con "0".
rispettivamente PREB e CLRB)
Avatar utente
Foto Utenteg.schgor
57,8k 9 12 13
G.Master EY
G.Master EY
 
Messaggi: 16971
Iscritto il: 25 ott 2005, 9:58
Località: MILANO

2
voti

[10] Re: LTSpice simulazione Latch SR

Messaggioda Foto Utentestefanodelfiore » 21 nov 2015, 16:58

Lasciando a parte ciò che fa o meno il circuito da te proposto, quando usi le "special functions A" di LTspice devi modificare o meglio cambiare i valori di default dei parametri di questi componenti. Con i valori di default le porte commutano in tempo zero e questo crea problemi al simulatore. Se nelle porte del tuo circuito porti il valore del parametro TAU da 0 a ad esempio a 2n, il simulatore non ti restituisce più l'errore "time step too small".

Stefano
Avatar utente
Foto Utentestefanodelfiore
1.673 3 8
Master
Master
 
Messaggi: 569
Iscritto il: 28 mar 2009, 20:15
Località: Bologna

Prossimo

Torna a Programmi applicativi: simulatori, CAD ed altro

Chi c’è in linea

Visitano il forum: Nessuno e 2 ospiti