Fatidici led a ritmo di musica
Moderatore:
IsidoroKZ
35 messaggi
• Pagina 2 di 4 • 1, 2, 3, 4
0
voti
Certo che li ho collegati :) il + dei led al + dell'alimentazione e il - dei led al collettore del transistor .
0
voti
Steppi4 ha scritto: ...(N.B. parlo di strisce led 3528)(Assorbimento 5m=2A)...

"Non farei mai parte di un club che accettasse la mia iscrizione" (G. Marx)
-

claudiocedrone
21,3k 4 7 9 - Master EY

- Messaggi: 15302
- Iscritto il: 18 gen 2012, 13:36
0
voti

"Non farei mai parte di un club che accettasse la mia iscrizione" (G. Marx)
-

claudiocedrone
21,3k 4 7 9 - Master EY

- Messaggi: 15302
- Iscritto il: 18 gen 2012, 13:36
1
voti
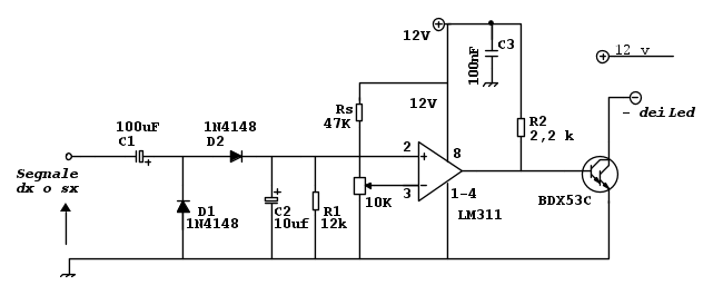
Ecco qui lo schema elettrico:
Aspetto vostre risposte.Vi ringrazio :)
Aspetto vostre risposte.Vi ringrazio :)
0
voti
Nello schema elettrico il pin 8 del Lm311 è l'alimentazione e il pin 7 l'uscita. Motivo del non funzionamento secondo voi?
P.s. Ho utilizzato un potenziometro logaritmico 10K e noto che facendo variare la resistenza verso destra i led si accendono sempre,mentre basta una piccola variazione verso sinistra per spegnerli tutti.
P.s. Ho utilizzato un potenziometro logaritmico 10K e noto che facendo variare la resistenza verso destra i led si accendono sempre,mentre basta una piccola variazione verso sinistra per spegnerli tutti.
0
voti
Dopo mille tentativi ci sono riuscito. Però non sono realmente soddisfatto.
Quando la musica "pompa" poco i led non si accendono,poi variando il potenziometro log vedo l'effetto desiderato,però,quando poi la musica inizia a "pompare" di più i led rimangono accesi fissi finché non vado a variare il potenziometro,ottenendo l'effetto desiderato.
Consigli?
Grazie della collaborazione.
P.s. Ho provato a inserire un filtro RC sull'ingresso del segnale ma senza ottenere alcun risultato.
Quando la musica "pompa" poco i led non si accendono,poi variando il potenziometro log vedo l'effetto desiderato,però,quando poi la musica inizia a "pompare" di più i led rimangono accesi fissi finché non vado a variare il potenziometro,ottenendo l'effetto desiderato.
Consigli?
Grazie della collaborazione.
P.s. Ho provato a inserire un filtro RC sull'ingresso del segnale ma senza ottenere alcun risultato.
0
voti

"Non farei mai parte di un club che accettasse la mia iscrizione" (G. Marx)
-

claudiocedrone
21,3k 4 7 9 - Master EY

- Messaggi: 15302
- Iscritto il: 18 gen 2012, 13:36
35 messaggi
• Pagina 2 di 4 • 1, 2, 3, 4
Torna a Elettronica e spettacolo
Chi c’è in linea
Visitano il forum: Google [Bot] e 48 ospiti

Elettrotecnica e non solo (admin)
Un gatto tra gli elettroni (IsidoroKZ)
Esperienza e simulazioni (g.schgor)
Moleskine di un idraulico (RenzoDF)
Il Blog di ElectroYou (webmaster)
Idee microcontrollate (TardoFreak)
PICcoli grandi PICMicro (Paolino)
Il blog elettrico di carloc (carloc)
DirtEYblooog (dirtydeeds)
Di tutto... un po' (jordan20)
AK47 (lillo)
Esperienze elettroniche (marco438)
Telecomunicazioni musicali (clavicordo)
Automazione ed Elettronica (gustavo)
Direttive per la sicurezza (ErnestoCappelletti)
EYnfo dall'Alaska (mir)
Apriamo il quadro! (attilio)
H7-25 (asdf)
Passione Elettrica (massimob)
Elettroni a spasso (guidob)
Bloguerra (guerra)


, non lo avevo visto. 
