marco438 ha scritto:Comunque lo schema che hai disegnato e' quantomeno improbabile.
modifica torcia sub xmlt6 : eliminare 5 funzioni strob ecc.
Moderatore:
IsidoroKZ
0
voti
0
voti
marvin ha scritto:il 78p56 che avevo trovato era 78p56-7 8 9
Ma ce lo vuoi far vedere o dobbiamo aspettare che torni il freddo?
marco
0
voti
l'ho detto forse ho sbagliato a identificarlo con questo http://pdf1.alldatasheet.com/datasheet- ... 8P567.html
0
voti

"Non farei mai parte di un club che accettasse la mia iscrizione" (G. Marx)
-

claudiocedrone
21,3k 4 7 9 - Master EY

- Messaggi: 15302
- Iscritto il: 18 gen 2012, 13:36
0
voti
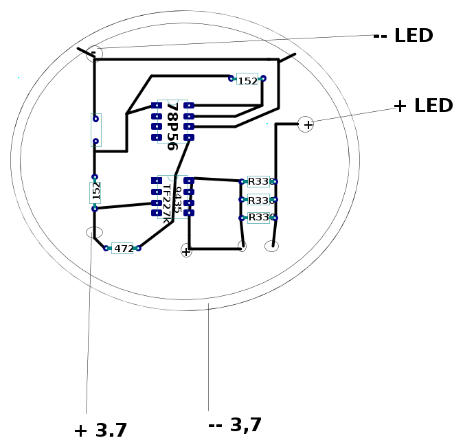
ragazzi una amico mi diceva che il tutto si basa su un controllore pi mosfet di potenza finale , e che il mosfet senza il micro il mosfet non puo' funzionare .
l'unica cosa forse da fare senza modificare tutto , e' di aggiungere un interruttore magnetico tra l'uscita del processore e il mosfet , cosi il micro rimarrebbe alimentato con l'accensione originale , e con l'interruttore aggiuntivo agire sul on off .
mi dice anche che forse ho disegnato male una pista , perche strano che 2 min del micro vadano al mosfet 
l'unica cosa forse da fare senza modificare tutto , e' di aggiungere un interruttore magnetico tra l'uscita del processore e il mosfet , cosi il micro rimarrebbe alimentato con l'accensione originale , e con l'interruttore aggiuntivo agire sul on off .
1
voti
Stiamo solo perdendo tempo; il mio consiglio te l'ho dato qualche post fa.
Ogni altra azione mi sembra improbable, cosi' come lo schema.

Ogni altra azione mi sembra improbable, cosi' come lo schema.

marco
0
voti
piccola aggiunta di un ponticello su piedino micro a resistenza
0
voti
non posso fare nessuna prova quindi ?


0
voti
ragazzi mi ho trovato un chip 78p56 con riportato anche altre sigle
http://item.taobao.com/item.htm?spm=a1z ... 180683841&
http://item.taobao.com/item.htm?spm=a1z ... 180683841&
Torna a Elettronica e spettacolo
Chi c’è in linea
Visitano il forum: Nessuno e 12 ospiti

Elettrotecnica e non solo (admin)
Un gatto tra gli elettroni (IsidoroKZ)
Esperienza e simulazioni (g.schgor)
Moleskine di un idraulico (RenzoDF)
Il Blog di ElectroYou (webmaster)
Idee microcontrollate (TardoFreak)
PICcoli grandi PICMicro (Paolino)
Il blog elettrico di carloc (carloc)
DirtEYblooog (dirtydeeds)
Di tutto... un po' (jordan20)
AK47 (lillo)
Esperienze elettroniche (marco438)
Telecomunicazioni musicali (clavicordo)
Automazione ed Elettronica (gustavo)
Direttive per la sicurezza (ErnestoCappelletti)
EYnfo dall'Alaska (mir)
Apriamo il quadro! (attilio)
H7-25 (asdf)
Passione Elettrica (massimob)
Elettroni a spasso (guidob)
Bloguerra (guerra)




