Possiamo risolvere così
Curva coppia-velocità pompe-ventilatori
Moderatori:
SandroCalligaro,
mario_maggi,
fpalone
30 messaggi
• Pagina 3 di 3 • 1, 2, 3
1
voti
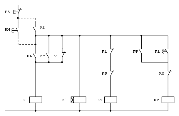
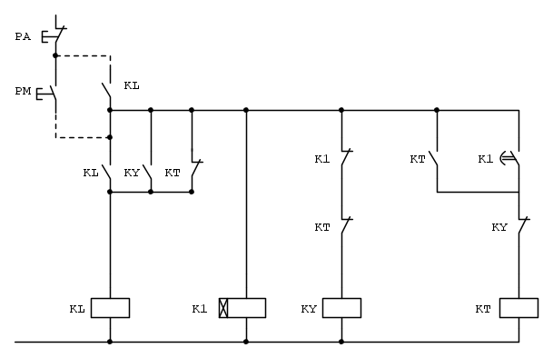
Potrei essere in errore ma mi pare stiate complicando una cosa alla quale bastava un ritocco.
Per lo schema in #13, sul ramo che energizza la bobina [KY], al posto di quel contatto semplice K1(no) cioè normalmente aperto, si poteva prevedere un contatto K1(nc) normalmente chiuso e ritardato all'apertura, coerente con la sua bobina(la bobina ritardata all'eccitazione dispone dello NC e dello NO).
Invece, i contatti KT(nc) e KY(nc) posti rispettivamente sui rami delle bobine [KY] e [KT], andavano bene com'erano, perché mutualmente esclusivi.
O no ?
Saluti
Per lo schema in #13, sul ramo che energizza la bobina [KY], al posto di quel contatto semplice K1(no) cioè normalmente aperto, si poteva prevedere un contatto K1(nc) normalmente chiuso e ritardato all'apertura, coerente con la sua bobina(la bobina ritardata all'eccitazione dispone dello NC e dello NO).
Invece, i contatti KT(nc) e KY(nc) posti rispettivamente sui rami delle bobine [KY] e [KT], andavano bene com'erano, perché mutualmente esclusivi.
O no ?
Saluti
W - U.H.F.
-

WALTERmwp
30,2k 4 8 13 - G.Master EY

- Messaggi: 8990
- Iscritto il: 17 lug 2010, 18:42
- Località: le 4 del mattino
0
voti
WALTERmwp ha scritto:...
Per lo schema in #13, sul ramo che energizza la bobina [KY], al posto di quel contatto semplice K1(no) cioè normalmente aperto, si poteva prevedere un contatto K1(nc) normalmente chiuso e ritardato all'apertura...
Anche secondo me, ma mi sono fatto prendere la mano
⋮ƎlectroYou e ne sai di più!
0
voti
si, mi sa che sei stato un pochino precipitoso, allora potresti riguardare anche quelli che hai proposto successivamente per escludere errori, visro che quando @EcoTan aveva fatto un commento, dubitando sulla scelta di quei contatti, invece corretti, tu li hai modificati.console6 ha scritto:Anche secondo me, ma mi sono fatto prendere la mano
La cosa mi sembrava semplice, però, riscrivo, non vorrei mai aver equivocato.
Saluti
W - U.H.F.
-

WALTERmwp
30,2k 4 8 13 - G.Master EY

- Messaggi: 8990
- Iscritto il: 17 lug 2010, 18:42
- Località: le 4 del mattino
0
voti
NSE ha scritto: l'interblocco meccanico tra ktriangolo e k stella
Che cosa è ?
A parte ciò, ci vorrebbe ancora uno schema, magari aprendo un altro thread.
Il mio FidoCad non riconosce i vari tipi di contatti, sarà possibili aggiornarlo?
0
voti
WALTERmwp ha scritto:@EcoTan aveva fatto un commento, dubitando sulla scelta di quei contatti, invece corretti
Veramente sono stato bene attento a indicare soltanto un problema funzionale certo senza indicare nulla che potesse portare a una soluzione, poiché so bene che il problema va affrontato nella sua interezza.
0
voti
EcoTan ha scritto:NSE ha scritto: l'interblocco meccanico tra ktriangolo e k stella
Che cosa è ?
A parte ciò, ci vorrebbe ancora uno schema, magari aprendo un altro thread.
Il mio FidoCad non riconosce i vari tipi di contatti, sarà possibili aggiornarlo?
L'interblocco meccanico è un blocchetto che si innesta tra due contattori.
Fa si che se uno non è a riposo l'altro non può chiudere e viceversa.
Previene i guasti dovuti a contatti incollati, es un k chiude e l'altro ha i contatti incollati.
Si disegna con un triangolino e 2 segmenti:uno tratteggiato e l'altro continuo.
I due segmenti vanno a "toccare" le due bobine.
C'è puoi chi sostiene che è meglio uno corto, che non favorire la marcia a stella perché il triangolo non riesce ad intervenire.
[K1]------\/- - - -[K2]
Altrove. .Volutamente Anonimo
0
voti
ho citato il tuo commento evidenziando il contributo che ha indotto alla successiva incongruenza, almeno tale per me, riportata da @Console6, dato che era lui a proporla come soluzione.EcoTan ha scritto:WALTERmwp ha scritto:@EcoTan aveva fatto un commento, dubitando sulla scelta di quei contatti, invece corretti
Veramente sono stato bene attento a indicare soltanto un problema funzionale certo senza indicare nulla che potesse portare a una soluzione, poiché so bene che il problema va affrontato nella sua interezza.
Tu hai indotto un dubbio(fondato o meno che fosse) e lui forse non s'è trattenuto un momentino in più a pensarci.
Tutto qui.
Saluti
W - U.H.F.
-

WALTERmwp
30,2k 4 8 13 - G.Master EY

- Messaggi: 8990
- Iscritto il: 17 lug 2010, 18:42
- Località: le 4 del mattino
0
voti
ho controllato adesso, nella libreria della 0.24.5, alla quale io sono fermo, ci sono.EcoTan ha scritto:(...) Il mio FidoCad non riconosce i vari tipi di contatti, sarà possibili aggiornarlo?
Saluti
W - U.H.F.
-

WALTERmwp
30,2k 4 8 13 - G.Master EY

- Messaggi: 8990
- Iscritto il: 17 lug 2010, 18:42
- Località: le 4 del mattino
30 messaggi
• Pagina 3 di 3 • 1, 2, 3
Chi c’è in linea
Visitano il forum: Nessuno e 55 ospiti

Elettrotecnica e non solo (admin)
Un gatto tra gli elettroni (IsidoroKZ)
Esperienza e simulazioni (g.schgor)
Moleskine di un idraulico (RenzoDF)
Il Blog di ElectroYou (webmaster)
Idee microcontrollate (TardoFreak)
PICcoli grandi PICMicro (Paolino)
Il blog elettrico di carloc (carloc)
DirtEYblooog (dirtydeeds)
Di tutto... un po' (jordan20)
AK47 (lillo)
Esperienze elettroniche (marco438)
Telecomunicazioni musicali (clavicordo)
Automazione ed Elettronica (gustavo)
Direttive per la sicurezza (ErnestoCappelletti)
EYnfo dall'Alaska (mir)
Apriamo il quadro! (attilio)
H7-25 (asdf)
Passione Elettrica (massimob)
Elettroni a spasso (guidob)
Bloguerra (guerra)




