Stringhe diverse su stesso MMPT
Moderatori:
sebago,
mario_maggi
15 messaggi
• Pagina 2 di 2 • 1, 2
1
voti
Così invece di un pannello ne perde 3.
Paralleli con un numero diverso di pannelli non si fanno.
Le intuizioni di MarcoD son corrette. Entrambe le stringhe si posizioneranno ad un livello di tensione dettato da quella più piccola.
Per MarcoD, quando varia l'irradiazione solare varia essenzialmente la corrente prodotta ed, in maniera molto molto limitata, la tensione.
Paralleli con un numero diverso di pannelli non si fanno.
Le intuizioni di MarcoD son corrette. Entrambe le stringhe si posizioneranno ad un livello di tensione dettato da quella più piccola.
Per MarcoD, quando varia l'irradiazione solare varia essenzialmente la corrente prodotta ed, in maniera molto molto limitata, la tensione.
0
voti
Bisogna vedere come L'MPPT deciderà di lavorare per spremere la massima potenza da questo" strano "impianto.
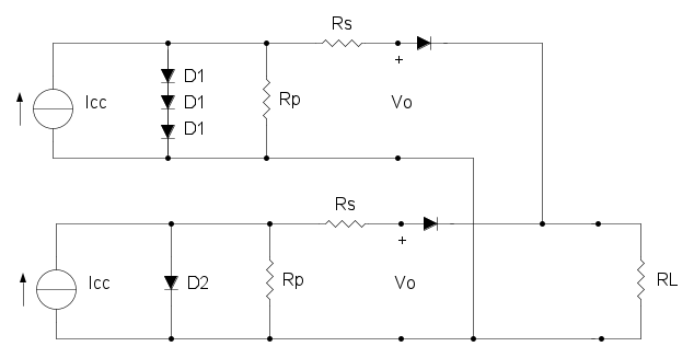
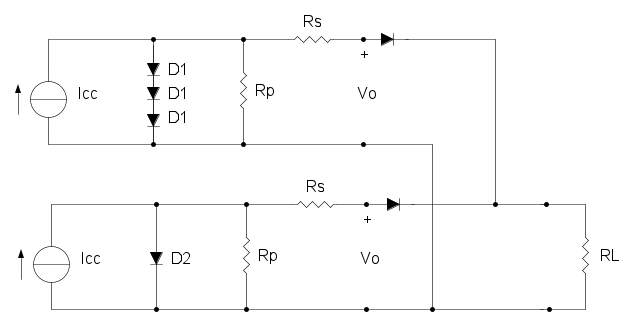
In questo articolo si vede come dovrebbe essere il circuito equivalente e la sua caratteristica V/I.
https://www.electroyou.it/g.schgor/wiki/articolo13
Ragionando su questo modello si comprende meglio come il parallelo anche di stringhe identiche possa generare problemi (in caso di ombreggiamenti parziali) anche se sono presenti i diodi di bypass.
Figuriamoci se le stringhe sono diverse a priori .
Conviene prendere un inverter con due ingressi.
Oppure vendere il pannello al miglior offerente o tenerlo di scorta per un possibile guasto.
Ma quanti pannelli ha la stringa più "corta"? E quella più lunga?
1 e 2 o 8 e 9?
Ciao
In questo articolo si vede come dovrebbe essere il circuito equivalente e la sua caratteristica V/I.
https://www.electroyou.it/g.schgor/wiki/articolo13
Ragionando su questo modello si comprende meglio come il parallelo anche di stringhe identiche possa generare problemi (in caso di ombreggiamenti parziali) anche se sono presenti i diodi di bypass.
Figuriamoci se le stringhe sono diverse a priori .
Conviene prendere un inverter con due ingressi.
Oppure vendere il pannello al miglior offerente o tenerlo di scorta per un possibile guasto.
Ma quanti pannelli ha la stringa più "corta"? E quella più lunga?
1 e 2 o 8 e 9?
Ciao
600 Elettra
0
voti
Lo schema dello schizzo del post 11 è estremamente inefficiente:
la corrente massima risultante è quella di un solo pannello, e la tensione massima è quella di 2 pannelli in serie. Dei 7 pannelli, 5 sono inutili.
Molto interessante l'articolo di g.schgor:
https://www.electroyou.it/g.schgor/wiki/articolo13

la corrente massima risultante è quella di un solo pannello, e la tensione massima è quella di 2 pannelli in serie. Dei 7 pannelli, 5 sono inutili.
Molto interessante l'articolo di g.schgor:
https://www.electroyou.it/g.schgor/wiki/articolo13

0
voti
Forse non è esattamente lo schema equivalente di un pannello solare ma secondo me da una idea visuale e concreta del problema che si trova ad affrontare l'MPPT che deve gestire la resistenza di carico per ottenere sulla stessa la maggior potenza possibile.
Forse con un simulatore nelle mani di una persona competente si potrebbe fare di meglio.
L'altro articolo sempre interessantedi
https://www.electroyou.it/g.schgor/wiki/articolo14
Ciao
600 Elettra
15 messaggi
• Pagina 2 di 2 • 1, 2
Torna a Energia e qualità dell'energia
Chi c’è in linea
Visitano il forum: Nessuno e 27 ospiti

Elettrotecnica e non solo (admin)
Un gatto tra gli elettroni (IsidoroKZ)
Esperienza e simulazioni (g.schgor)
Moleskine di un idraulico (RenzoDF)
Il Blog di ElectroYou (webmaster)
Idee microcontrollate (TardoFreak)
PICcoli grandi PICMicro (Paolino)
Il blog elettrico di carloc (carloc)
DirtEYblooog (dirtydeeds)
Di tutto... un po' (jordan20)
AK47 (lillo)
Esperienze elettroniche (marco438)
Telecomunicazioni musicali (clavicordo)
Automazione ed Elettronica (gustavo)
Direttive per la sicurezza (ErnestoCappelletti)
EYnfo dall'Alaska (mir)
Apriamo il quadro! (attilio)
H7-25 (asdf)
Passione Elettrica (massimob)
Elettroni a spasso (guidob)
Bloguerra (guerra)





