della matrice delle conduttanze. Di solito per calcolare questi elementi inserisco ai morsetti del doppio bipolo due generatori di tensione con valore uno e applico la sovrapposizione degli effetti e mi calcolo i termini della matrice, ma con questo esercizio mi sto trovando in difficoltà, vi allego il circuito qui sotto. Mi potete dare una mano a risolverlo o dei semplici consigli. Doppio bipolo e generatore controllato
Moderatori:
g.schgor,
IsidoroKZ
14 messaggi
• Pagina 1 di 2 • 1, 2
0
voti
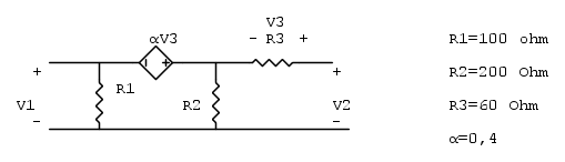
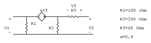
Buonasera a tutti,mi sono imbattuta in un esercizio dov'è presente un doppio bipolo e un generatore controllato. L'esercizio in questione chiede di calcolare i termini
della matrice delle conduttanze. Di solito per calcolare questi elementi inserisco ai morsetti del doppio bipolo due generatori di tensione con valore uno e applico la sovrapposizione degli effetti e mi calcolo i termini della matrice, ma con questo esercizio mi sto trovando in difficoltà, vi allego il circuito qui sotto. Mi potete dare una mano a risolverlo o dei semplici consigli.
della matrice delle conduttanze. Di solito per calcolare questi elementi inserisco ai morsetti del doppio bipolo due generatori di tensione con valore uno e applico la sovrapposizione degli effetti e mi calcolo i termini della matrice, ma con questo esercizio mi sto trovando in difficoltà, vi allego il circuito qui sotto. Mi potete dare una mano a risolverlo o dei semplici consigli. 0
voti
Come al solito, inizia tu con i passaggi. Vediamo cosa combini.
Se disponibili, riporta anche i risultati.
Se disponibili, riporta anche i risultati.
Il Conte di Montecristo
Se non studio un giorno, me ne accorgo io. Se non studio due giorni, se ne accorge il pubblico.
Io devo studiare sodo e preparare me stesso perché prima o poi verrà il mio momento.
Abraham Lincoln
Se non studio un giorno, me ne accorgo io. Se non studio due giorni, se ne accorge il pubblico.
Io devo studiare sodo e preparare me stesso perché prima o poi verrà il mio momento.
Abraham Lincoln
-

EdmondDantes
11,9k 8 11 13 - Disattivato su sua richiesta
- Messaggi: 3619
- Iscritto il: 25 lug 2009, 22:18
- Località: Marsiglia
0
voti
Viste le richieste, in questo caso particolare, puoi risolvere rapidamente considerando la sola maglia esterna. 
V2-V1= ....
V2-V1= ....
"Il circuito ha sempre ragione" (Luigi Malesani)
0
voti
Spengo
,
Mi vado a calcolare
, ma
quindi 
per calcolarmi la corrente che scorre in R3, applico Millman e mi trovo la tensione
che è pari a zero quindi anche la corrente è pari a zero. E quindi 
Vado a ridisegnare il circuito spegnendo
per calcolare
che assumendo lo stesso ragionamento di prima si trasforma in
Qui R1 è trascurabile perché in parallelo ad un corto circuito. Applico di nuovo Millman mi trovo
e
quindi
.
Dove sbaglio ?
,
Mi vado a calcolare
, ma
quindi 
per calcolarmi la corrente che scorre in R3, applico Millman e mi trovo la tensione
che è pari a zero quindi anche la corrente è pari a zero. E quindi 
Vado a ridisegnare il circuito spegnendo
per calcolare
che assumendo lo stesso ragionamento di prima si trasforma in
Qui R1 è trascurabile perché in parallelo ad un corto circuito. Applico di nuovo Millman mi trovo
e
quindi
. Dove sbaglio ?
Ultima modifica di
carmengi il 10 set 2018, 23:42, modificato 1 volta in totale.
0
voti
Se chiedi consigli e poi non li segui o almeno non tenti di capirli, dillo subito, così ce li risparmiamo. 
Ad ogni modo, giusto per chiudere l'intervento, io avrei seguito la seguente strada

e quindi,

ottenendo contemporaneamente le due conduttanze richieste.
Ad ogni modo, giusto per chiudere l'intervento, io avrei seguito la seguente strada

e quindi,

ottenendo contemporaneamente le due conduttanze richieste.
"Il circuito ha sempre ragione" (Luigi Malesani)
0
voti
Mi dispiace non lo avevo letto avevo la bozza aperta e ho finito il tutto poi ho pubblicato e ho visto la sua risposta.
0
voti
Sono curioso di sapere come hai applicato Millman.
Come fa una conduttanza ad essere uguale ad una corrente.
Perché scrivi le tensioni in maiuscolo e le correnti in minuscolo?
Come fa una conduttanza ad essere uguale ad una corrente.
Perché scrivi le tensioni in maiuscolo e le correnti in minuscolo?
Il Conte di Montecristo
Se non studio un giorno, me ne accorgo io. Se non studio due giorni, se ne accorge il pubblico.
Io devo studiare sodo e preparare me stesso perché prima o poi verrà il mio momento.
Abraham Lincoln
Se non studio un giorno, me ne accorgo io. Se non studio due giorni, se ne accorge il pubblico.
Io devo studiare sodo e preparare me stesso perché prima o poi verrà il mio momento.
Abraham Lincoln
-

EdmondDantes
11,9k 8 11 13 - Disattivato su sua richiesta
- Messaggi: 3619
- Iscritto il: 25 lug 2009, 22:18
- Località: Marsiglia
0
voti
EdmondDantes ha scritto:Come fa una conduttanza ad essere uguale ad una corrente.
Ho semplicemente omesso le unità di misura se

0
voti
In [4] hai cambiato la polarità a
.
Perché?
.Perché?
Il Conte di Montecristo
Se non studio un giorno, me ne accorgo io. Se non studio due giorni, se ne accorge il pubblico.
Io devo studiare sodo e preparare me stesso perché prima o poi verrà il mio momento.
Abraham Lincoln
Se non studio un giorno, me ne accorgo io. Se non studio due giorni, se ne accorge il pubblico.
Io devo studiare sodo e preparare me stesso perché prima o poi verrà il mio momento.
Abraham Lincoln
-

EdmondDantes
11,9k 8 11 13 - Disattivato su sua richiesta
- Messaggi: 3619
- Iscritto il: 25 lug 2009, 22:18
- Località: Marsiglia
0
voti
La corrente che circola nella resistenza viene dal verso opposto.. 
14 messaggi
• Pagina 1 di 2 • 1, 2
Torna a Elettrotecnica generale
Chi c’è in linea
Visitano il forum: Nessuno e 244 ospiti

Elettrotecnica e non solo (admin)
Un gatto tra gli elettroni (IsidoroKZ)
Esperienza e simulazioni (g.schgor)
Moleskine di un idraulico (RenzoDF)
Il Blog di ElectroYou (webmaster)
Idee microcontrollate (TardoFreak)
PICcoli grandi PICMicro (Paolino)
Il blog elettrico di carloc (carloc)
DirtEYblooog (dirtydeeds)
Di tutto... un po' (jordan20)
AK47 (lillo)
Esperienze elettroniche (marco438)
Telecomunicazioni musicali (clavicordo)
Automazione ed Elettronica (gustavo)
Direttive per la sicurezza (ErnestoCappelletti)
EYnfo dall'Alaska (mir)
Apriamo il quadro! (attilio)
H7-25 (asdf)
Passione Elettrica (massimob)
Elettroni a spasso (guidob)
Bloguerra (guerra)




