... spiegaci per bene la tua idea !
BTW di punti di domanda ne basta uno
Moderatori:
g.schgor,
IsidoroKZ
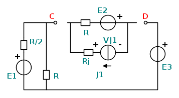
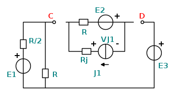
totonno86 ha scritto:"Come" nel senso che mi trovo una tensione ma a me ne servono 2: Vj1 e Vj2 ai capi dei generatori J1 e J2 , in questo senso dico!
totonno86 ha scritto:...non e' piu' semplice thevenin con il partitore???




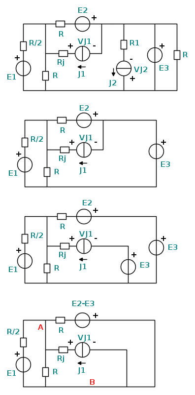
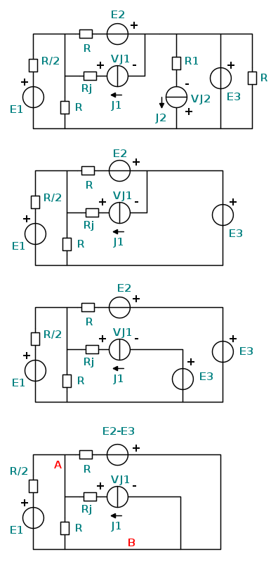
![P_{E3}=E_{3}\left( J_{1}+J_{2}-\frac{V_{AB}+(E_{2}-E_{3})}{R}+\frac{E_{3}}{R} \right)=50\times \left[ 20-\left( \frac{255}{2}+50 \right)\times \frac{1}{10}+\frac{50}{5} \right]= P_{E3}=E_{3}\left( J_{1}+J_{2}-\frac{V_{AB}+(E_{2}-E_{3})}{R}+\frac{E_{3}}{R} \right)=50\times \left[ 20-\left( \frac{255}{2}+50 \right)\times \frac{1}{10}+\frac{50}{5} \right]=](/forum/latexrender/pictures/53e674aeab5efa16b4cfb7fb35f83fdc.png)

totonno86 ha scritto:...e se invece avrei voluto sapere la potenza erogata dal generatore di tensione E2 come mi comportavo???




cinque ha scritto:uso l'EET anche nel caffelatte
...credevo che nei "circuiti" LC ti bastasse aggiungere un po' di Z!
Torna a Elettrotecnica generale
Visitano il forum: Nessuno e 96 ospiti