masomaso90 ha scritto:... ma è un caso particolare che le correnti e tensioni siano uguali..
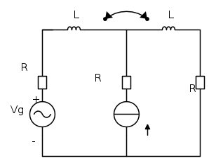
Si, sono uguali per la simmetria di questo particolare mutuo induttore cha ha X11=X22
masomaso90 ha scritto:In generale come mi devo muovere?
In generale si possono seguire tre strade
a) si fissa una Vg "conveniente" e si calcola la tensione a vuoto e la corrente di cortocircuito ai morsetti
b) si spengono i generatori indipendenti, si usa un generatore forzante ai morsetti e si calcola la coppia tensione corrente
c) si spengono i generatori indipendenti e, partendo dal lato della rete piu' conveniente si usa il metodo della falsa posizione per risalire ancora una volta alla d.d.p. e alla corrente ai morsetti
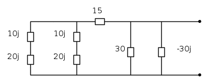
Per tutti e tre i casi la Zeq si determina dal rapporto V/I
Io seguirei il metodo [c]
Fissata la corrente in uno dei due induttori ad un ampere ne seguirabbe "risalendo" verso i morsetti destri la seguente sequenza (riportata anche nello schema) ... ovvero il metodo "Pisano" che "gira" da piu' o meno otto secoli



ed infine

Se comunque questi sono temi d'esame consiglio vivamente TUTTI ad iscriversi al tuo ateneo
